Datasheet 1ED38x0Mc12M (1ED-X3 Digital) (Infineon) - 5

ManufacturerInfineon
DescriptionEiceDRIVER 1ED38x0Mc12M Enhanced. Single-channel isolated gate driver IC with I2C configurability for DESAT, Soft-off, UVLO, Miller clamp and two-level turn-off
Pages / Page47 / 5 — EiceDRIVER™ 1ED38x0Mc12M Enhanced. Datasheet. 1 Block diagram. Block …
Revision02_00
File Format / SizePDF / 722 Kb
Document LanguageEnglish

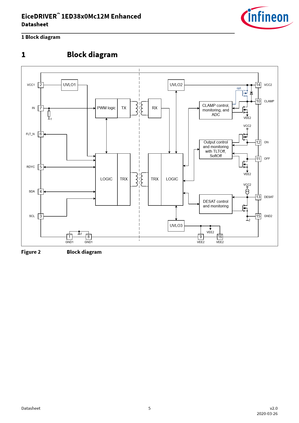
EiceDRIVER™ 1ED38x0Mc12M Enhanced. Datasheet. 1 Block diagram. Block diagram. Figure 2

EiceDRIVER™ 1ED38x0Mc12M Enhanced Datasheet 1 Block diagram Block diagram Figure 2

Model Line for this Datasheet

Text Version of Document

EiceDRIVER™ 1ED38x0Mc12M Enhanced Datasheet 1 Block diagram 1 Block diagram
VCC1 2 UVLO1 UVLO2 14 VCC2 opt. 10 CLAMP CLAMP control, IN 7 PWM logic TX RX monitoring, and ADC 1 VEE2 VCC2 FLT_N 6 Output control 12 ON and monitoring with TLTOff, SoftOff 11 OFF RDYC 5 VEE2 LOGIC TRX TRX LOGIC VCC2 SDA 4 13 DESAT DESAT control and monitoring SCL 3 15 GND2 2 UVLO3 VEE2 1 1 8 9 16 GND1 GND1 VEE2 VEE2
Figure 2 Block diagram
Datasheet 5 v2.0 2020-03-26 Document Outline Table of contents 1 Block diagram 2 Related products 3 Pin configuration and functionality 3.1 Pin configuration 3.2 Pin functionality 3.3 Configurable parameters via I2C 4 Functional description 4.1 Start-up and fault clearing 4.2 Supply 4.3 Input side logic 4.4 I2C bus 4.5 Operating states 4.6 Measurement 4.7 Monitoring 4.8 Desaturation protection 4.8.1 DESAT behavior 4.9 Gate driver output 4.9.1 Turn-on behavior 4.9.2 Turn-off and fault turn-off behavior 4.9.2.1 Hard switching turn-off 4.9.2.2 Two-level turn-off 4.9.2.3 Soft turn-off 4.9.3 Active shut-down 4.9.4 Active Miller clamp 4.10 Short circuit clamping 5 Electrical parameters 5.1 Absolute maximum ratings 5.2 Thermal parameters 5.3 Operating parameters 5.4 Electrical characteristics 5.4.1 Voltage supply 5.4.2 Logic input and output 5.4.3 Gate driver 5.4.4 Active Miller clamp 5.4.5 Dynamic characteristics 5.4.6 Desaturation protection 5.4.7 Two-level turn-off 5.4.8 Soft-off current source 5.4.9 Over-temperature protection 5.4.10 ADC measurement 6 Insulation characteristics 6.1 Certified according to VDE 0884-11 and IEC 60747-17 reinforced insulation (planned) 6.2 Recognized under UL 1577 (planned) 7 Package information Revision history Disclaimer