Datasheet NTH4L015N065SC1 (ON Semiconductor) - 7

ManufacturerON Semiconductor
DescriptionMOSFET - SiC Power, Single N-Channel, TO247-4L 650 V, 12 mW, 142 A
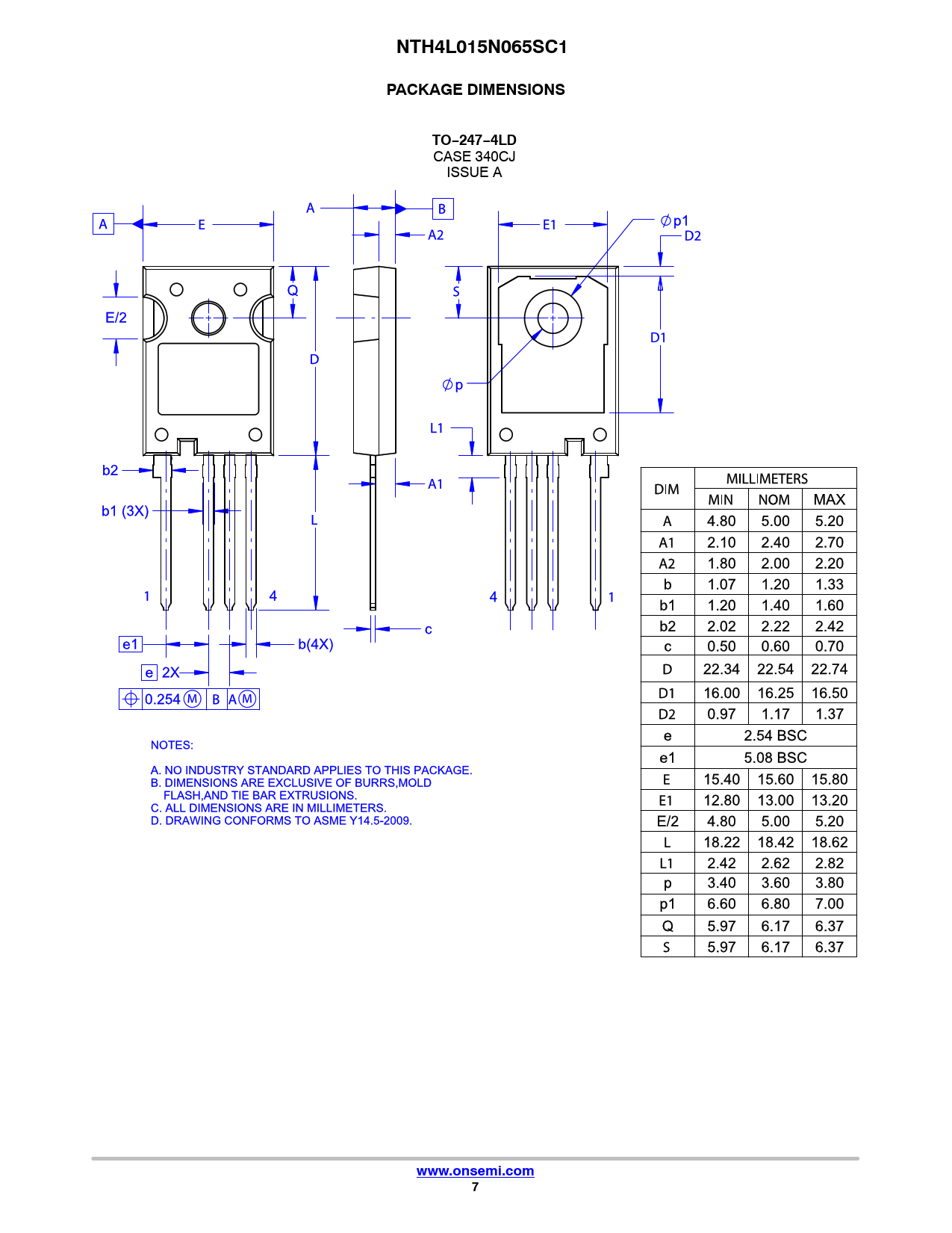
Pages / Page8 / 7 — NTH4L015N065SC1. PACKAGE DIMENSIONS. TO−247−4LD. www.onsemi.com
File Format / SizePDF / 280 Kb
Document LanguageEnglish

NTH4L015N065SC1. PACKAGE DIMENSIONS. TO−247−4LD. www.onsemi.com

NTH4L015N065SC1 PACKAGE DIMENSIONS TO−247−4LD www.onsemi.com

Model Line for this Datasheet

Text Version of Document

NTH4L015N065SC1 PACKAGE DIMENSIONS TO−247−4LD
CASE 340CJ ISSUE A
www.onsemi.com 7