Datasheet LT8604 (Analog Devices) - 9
| Manufacturer | Analog Devices |
| Description | High Efficiency 42V/120mA Synchronous Buck |
| Pages / Page | 20 / 9 — BLOCK DIAGRAM |
| File Format / Size | PDF / 2.8 Mb |
| Document Language | English |
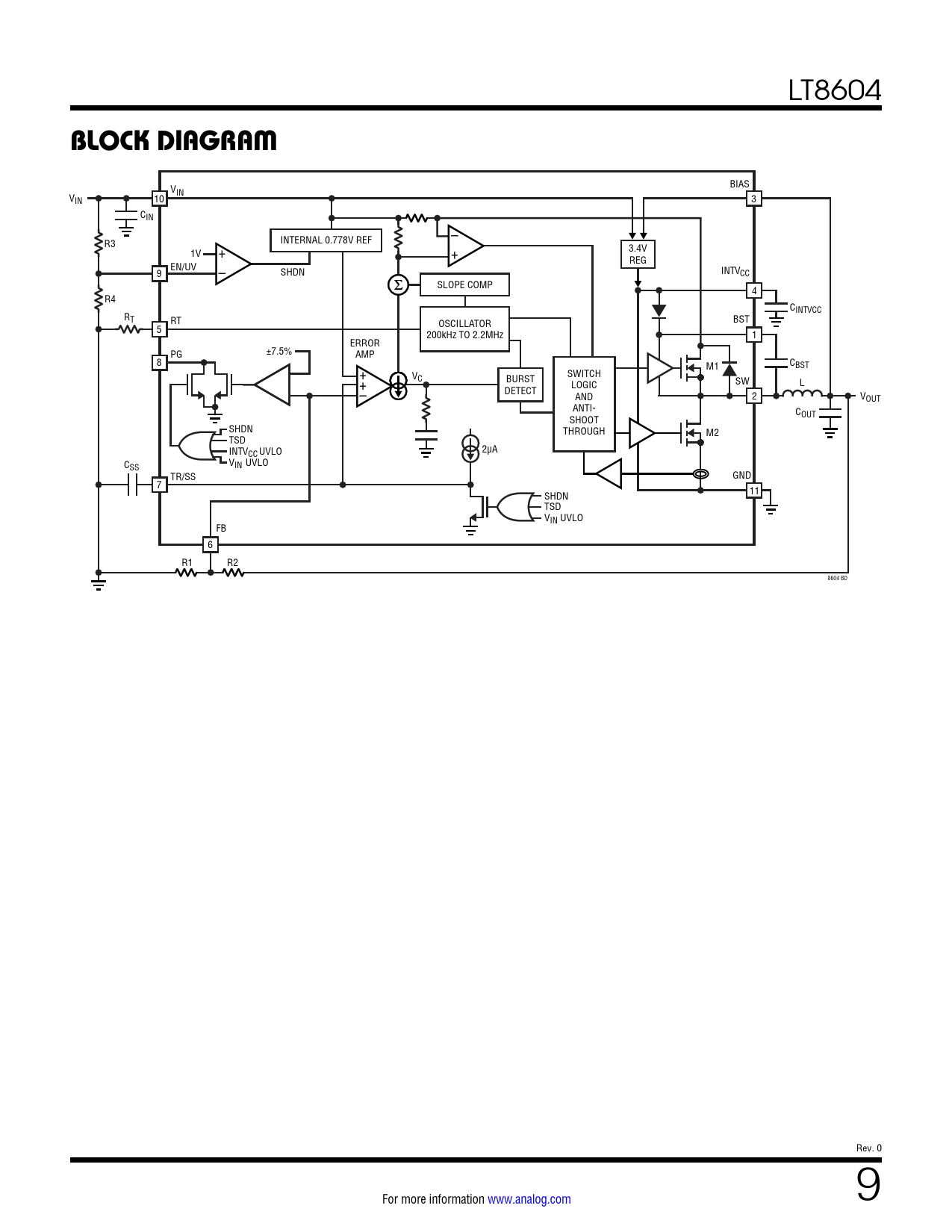
BLOCK DIAGRAM

Model Line for this Datasheet
Text Version of Document
LT8604
BLOCK DIAGRAM
V BIAS VIN 10 IN 3 CIN – R3 INTERNAL 0.778V REF + 3.4V 1V + REG EN/UV 9 – SHDN INTVCC SLOPE COMP 4 R4 CINTVCC RT RT BST 5 OSCILLATOR 200kHz TO 2.2MHz 1 ERROR ±7.5% PG AMP 8 M1 CBST + V SWITCH C BURST SW L + LOGIC DETECT – AND 2 VOUT ANTI- C SHOOT OUT SHDN THROUGH M2 TSD INTV UVLO 2µA CC CSS VIN UVLO TR/SS GND 7 11 SHDN TSD VIN UVLO FB 6 R1 R2 8604 BD Rev. 0 For more information www.analog.com 9 Document Outline Features Applications Typical Application Description Absolute Maximum Ratings Order Information Pin Configuration Electrical Characteristics Typical Performance Characteristics Pin Functions Block Diagram Operation Applications Information Typical Applications Package Description Typical Application Related Parts