Datasheet LT8607, LT8607B (Analog Devices) - 10

ManufacturerAnalog Devices
Description42V, 750mA Synchronous Step-Down Regulator with 2.5µA Quiescent Current
Pages / Page24 / 10 — BLOCK DIAGRAM
RevisionD
File Format / SizePDF / 3.0 Mb
Document LanguageEnglish

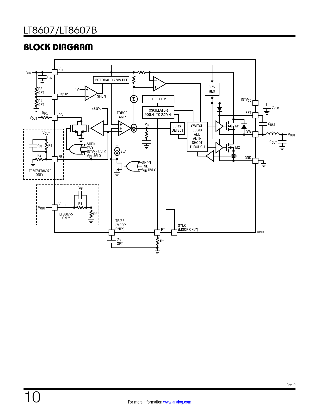
BLOCK DIAGRAM

BLOCK DIAGRAM

Model Line for this Datasheet

Text Version of Document

LT8607/LT8607B
BLOCK DIAGRAM
VIN VIN CIN – INTERNAL 0.778V REF + 3.5V R3 1V + REG OPT EN/UV – SHDN SLOPE COMP INTV R4 CC OPT ±8.5% C OSCILLATOR VCC RPG ERROR PG 200kHz TO 2.2MHz BST V AMP OUT + V C + C BURST SWITCH M1 BST V – DETECT LOGIC SW L OUT AND VOUT ANTI- C SHOOT OUT SHDN CFF R1 THROUGH TSD M2 INTVCC UVLO 2µA R2 V FB IN UVLO GND SHDN TSD LT8607/LT8607B VIN UVLO ONLY CFF V R1 OUT VOUT LT8607-5 R2 ONLY TR/SS (MSOP SYNC ONLY) RT (MSOP ONLY) 8607 BD CSS RT OPT Rev. D 10 For more information www.analog.com Document Outline Features Applications Typical Application Description Absolute Maximum Ratings Order Information Electrical Characteristics Electrical Characteristics Typical Performance Characteristics Pin Functions Block Diagram Operation Applications Information Typical Applications Package Description Revision History Typical Application Related Parts