Datasheet LT8610AC, LT8610AC-1 (Analog Devices) - 10
| Manufacturer | Analog Devices |
| Description | 42V, 3.5A Synchronous Step-Down Regulator with 2.5µA Quiescent Current |
| Pages / Page | 26 / 10 — BLOCK DIAGRAM |
| Revision | B |
| File Format / Size | PDF / 2.0 Mb |
| Document Language | English |
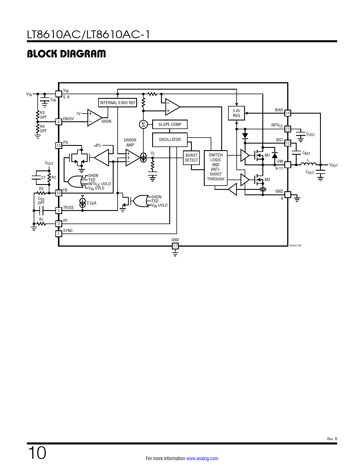
BLOCK DIAGRAM

Model Line for this Datasheet
Text Version of Document
LT8610AC/LT8610AC-1
BLOCK DIAGRAM
VIN VIN C 5, 6 IN – INTERNAL 0.80V REF + 3.4V BIAS R3 1V + REG 14 OPT EN/UV 4 – SHDN SLOPE COMP INTV R4 CC 13 OPT CVCC ERROR OSCILLATOR BST PG 15 ±8% AMP 12 + V C + C BURST SWITCH M1 BST V – DETECT LOGIC SW L OUT AND VOUT ANTI- 9-11 COUT SHOOT SHDN C1 R1 TSD THROUGH M2 INTVCC UVLO R2 VIN UVLO FB GND 16 SHDN CSS 8 TSD OPT 2.2µA VIN UVLO TR/SS 2 RT RT 3 SYNC 1 GND 8610ac1 BD 17 Rev. B 10 For more information www.analog.com Document Outline Features Applications Typical Application Description Absolute Maximum Ratings Order Information Electrical Characteristics Pin Configuration Typical Performance Characteristics Pin Functions Block Diagram Operation Applications Information Typical Applications Package Description Revision History Typical Application Related Parts