Datasheet HMC-ALH444 (Analog Devices) - 5

ManufacturerAnalog Devices
DescriptionGaAs HEMT MMIC LOW NOISE AMPLIFIER, 1 - 12 GHz
Pages / Page6 / 5 — HMC-ALH444. GaAs HEMT MMIC LOW NOISE. AMPLIFIER, 1 - 12 GHz. Assembly …
File Format / SizePDF / 518 Kb
Document LanguageEnglish

HMC-ALH444. GaAs HEMT MMIC LOW NOISE. AMPLIFIER, 1 - 12 GHz. Assembly Diagram. 1 - 5

HMC-ALH444 GaAs HEMT MMIC LOW NOISE AMPLIFIER, 1 - 12 GHz Assembly Diagram 1 - 5

Model Line for this Datasheet

Text Version of Document

HMC-ALH444
v04.0417
GaAs HEMT MMIC LOW NOISE AMPLIFIER, 1 - 12 GHz
1
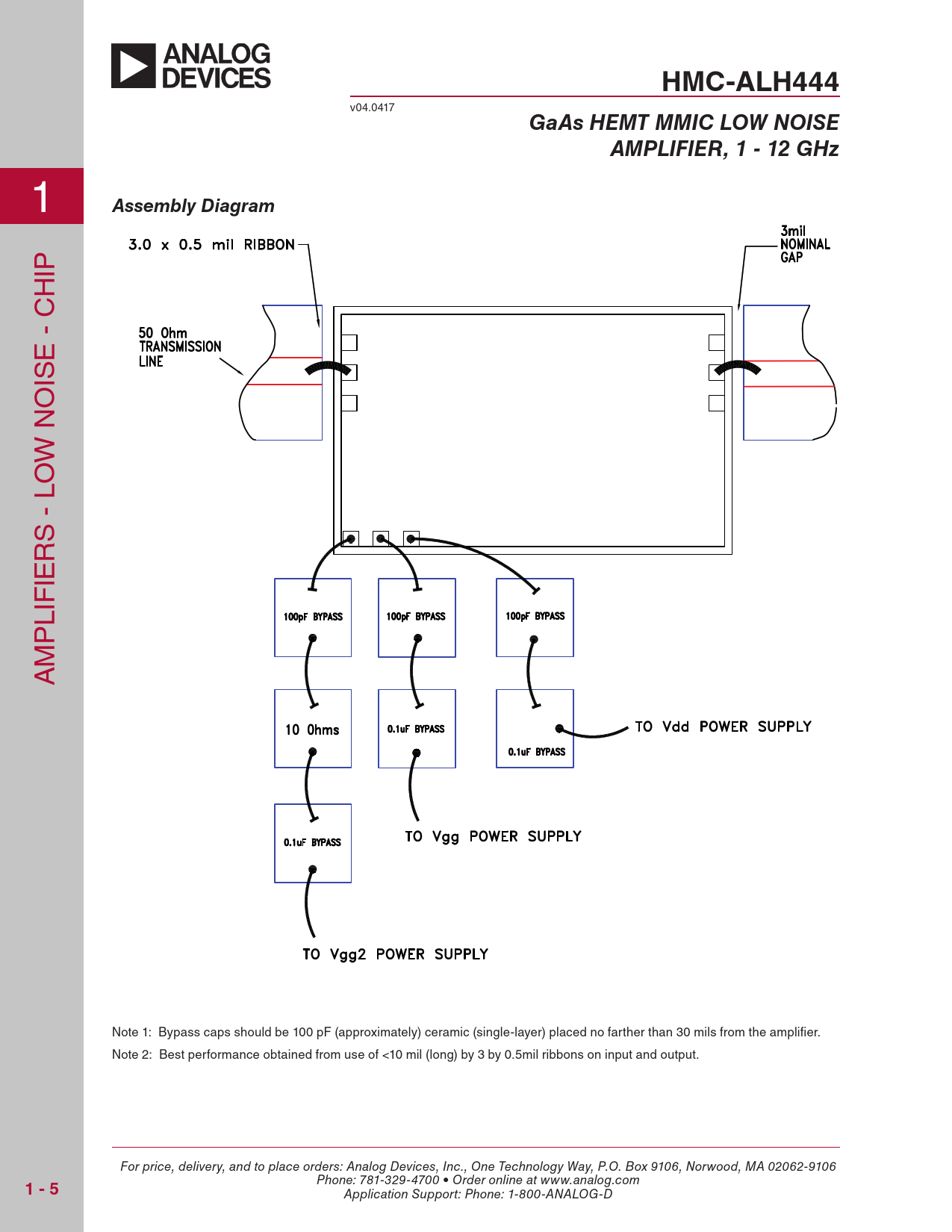
Assembly Diagram
IP H E - C IS O W N O S - L R IE LIF P M A Note 1: Bypass caps should be 100 pF (approximately) ceramic (single-layer) placed no farther than 30 mils from the amplifier. Note 2: Best performance obtained from use of <10 mil (long) by 3 by 0.5mil ribbons on input and output. For price, delivery, and to place orders: Analog Devices, Inc., One Technology Way, P.O. Box 9106, Norwood, MA 02062-9106
1 - 5
Phone: 781-329-4700 • Order online at www.analog.com Application Support: Phone: 1-800-ANALOG-D