Datasheet ADRF5515 (Analog Devices) - 7
| Manufacturer | Analog Devices |
| Description | Dual-Channel, 3.3 GHz to 4.0 GHz, 20 W Receiver Front End |
| Pages / Page | 15 / 7 — Data Sheet. ADRF5515. INTERFACE SCHEMATICS. PD-CHAB, BP-CHA, BP-CHB. … |
| File Format / Size | PDF / 413 Kb |
| Document Language | English |
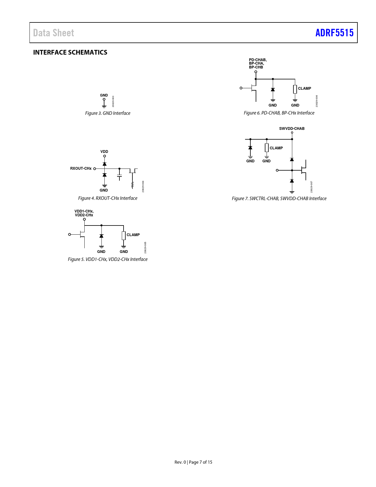
Data Sheet. ADRF5515. INTERFACE SCHEMATICS. PD-CHAB, BP-CHA, BP-CHB. CLAMP. GND. SWVDD-CHAB. VDD. RXOUT-CHx. VDD1-CHx,. VDD2-CHx

Model Line for this Datasheet
Text Version of Document
Data Sheet ADRF5515 INTERFACE SCHEMATICS PD-CHAB, BP-CHA, BP-CHB CLAMP GND
003 006
GND GND
23029- 23029- Figure 3. GND Interface Figure 6. PD-CHAB, BP-CHx Interface
SWVDD-CHAB CLAMP VDD GND GND RXOUT-CHx
004 007
GND
23029- 23029- Figure 4. RXOUT-CHx Interface Figure 7. SWCTRL-CHAB, SWVDD-CHAB Interface
VDD1-CHx, VDD2-CHx CLAMP
005
GND GND
23029- Figure 5. VDD1-CHx, VDD2-CHx Interface Rev. 0 | Page 7 of 15 Document Outline FEATURES APPLICATIONS GENERAL DESCRIPTION FUNCTIONAL BLOCK DIAGRAM TABLE OF CONTENTS REVISION HISTORY SPECIFICATIONS ELECTRICAL SPECIFICATIONS ABSOLUTE MAXIMUM RATINGS THERMAL RESISTANCE ELECTROSTATIC DISCHARGE (ESD) RATINGS ESD Ratings for ADRF5515 ESD CAUTION PIN CONFIGURATION AND FUNCTION DESCRIPTIONS INTERFACE SCHEMATICS TYPICAL PERFORMANCE CHARACTERISTICS RECEIVE OPERATION, HIGH GAIN MODE RECEIVE OPERATION, LOW GAIN MODE TRANSMIT OPERATION THEORY OF OPERATION SIGNAL PATH SELECT Transmit Operation Receive Operation BIASING SEQUENCE APPLICATIONS INFORMATION OUTLINE DIMENSIONS ORDERING GUIDE