Datasheet LT3380 (Analog Devices) - 10

ManufacturerAnalog Devices
DescriptionMultioutput Power Management Solution with 4 Buck Switching and 3 LDO Linear Regulators with I2C
Pages / Page28 / 10 — BLOCK DIAGRAM
File Format / SizePDF / 1.6 Mb
Document LanguageEnglish

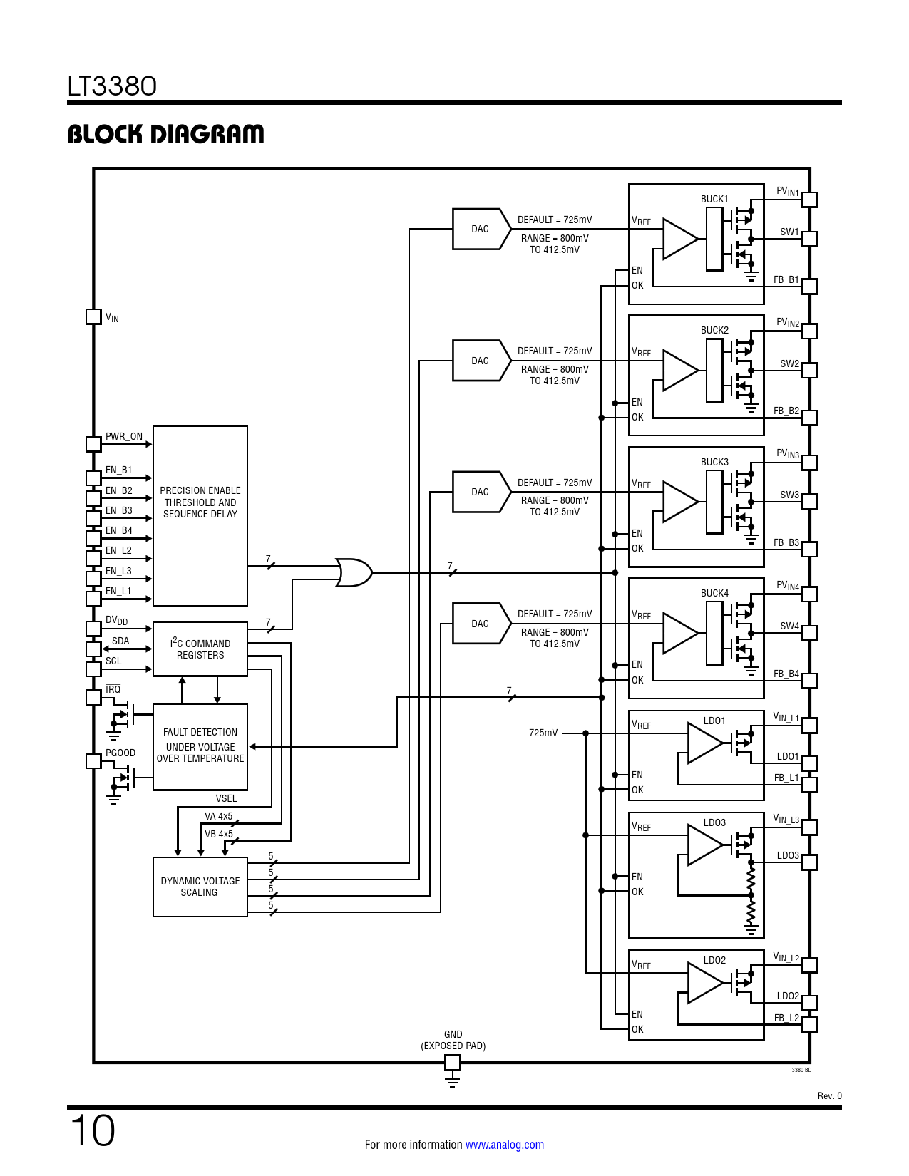
BLOCK DIAGRAM

BLOCK DIAGRAM

Model Line for this Datasheet

Text Version of Document

LT3380
BLOCK DIAGRAM
PV BUCK1 IN1 DEFAULT = 725mV VREF DAC RANGE = 800mV SW1 TO 412.5mV EN OK FB_B1 VIN PV BUCK2 IN2 DEFAULT = 725mV VREF DAC RANGE = 800mV SW2 TO 412.5mV EN OK FB_B2 PWR_ON PV BUCK3 IN3 EN_B1 DEFAULT = 725mV VREF EN_B2 PRECISION ENABLE DAC THRESHOLD AND RANGE = 800mV SW3 EN_B3 SEQUENCE DELAY TO 412.5mV EN_B4 EN EN_L2 OK FB_B3 7 EN_L3 7 PV EN_L1 BUCK4 IN4 DEFAULT = 725mV VREF DVDD 7 DAC RANGE = 800mV SW4 SDA I2C COMMAND TO 412.5mV REGISTERS SCL EN OK FB_B4 IRQ 7 LDO1 VIN_L1 VREF FAULT DETECTION 725mV UNDER VOLTAGE PGOOD OVER TEMPERATURE LDO1 EN FB_L1 OK VSEL VA 4x5 LDO3 VIN_L3 VREF VB 4x5 5 LDO3 5 EN DYNAMIC VOLTAGE 5 SCALING OK 5 LDO2 VIN_L2 VREF LDO2 EN FB_L2 OK GND (EXPOSED PAD) 3380 BD Rev. 0 10 For more information www.analog.com Document Outline Features Applications Typical Application Description Absolute Maximum Ratings Order Information Pin Configuration Electrical Characteristics Typical Performance Characteristics Pin Functions Block Diagram Operation Introduction Step-Down Switching Regulators Slewing DAC Reference Operation Power On Sequencing Power Off Sequencing Fault Detectionand Reporting I2C Operation Applications Information Thermal Considerations and Board Layout Typical Applications Package Description Typical Application Related Parts