Datasheet 2SK2225 (Renesas) - 6
| Manufacturer | Renesas |
| Description | 1500V -2A - MOS FET High Speed Power Switching |
| Pages / Page | 7 / 6 — Package Dimensions. Package Name. JEITA Package Code. RENESAS Code. … |
| File Format / Size | PDF / 321 Kb |
| Document Language | English |
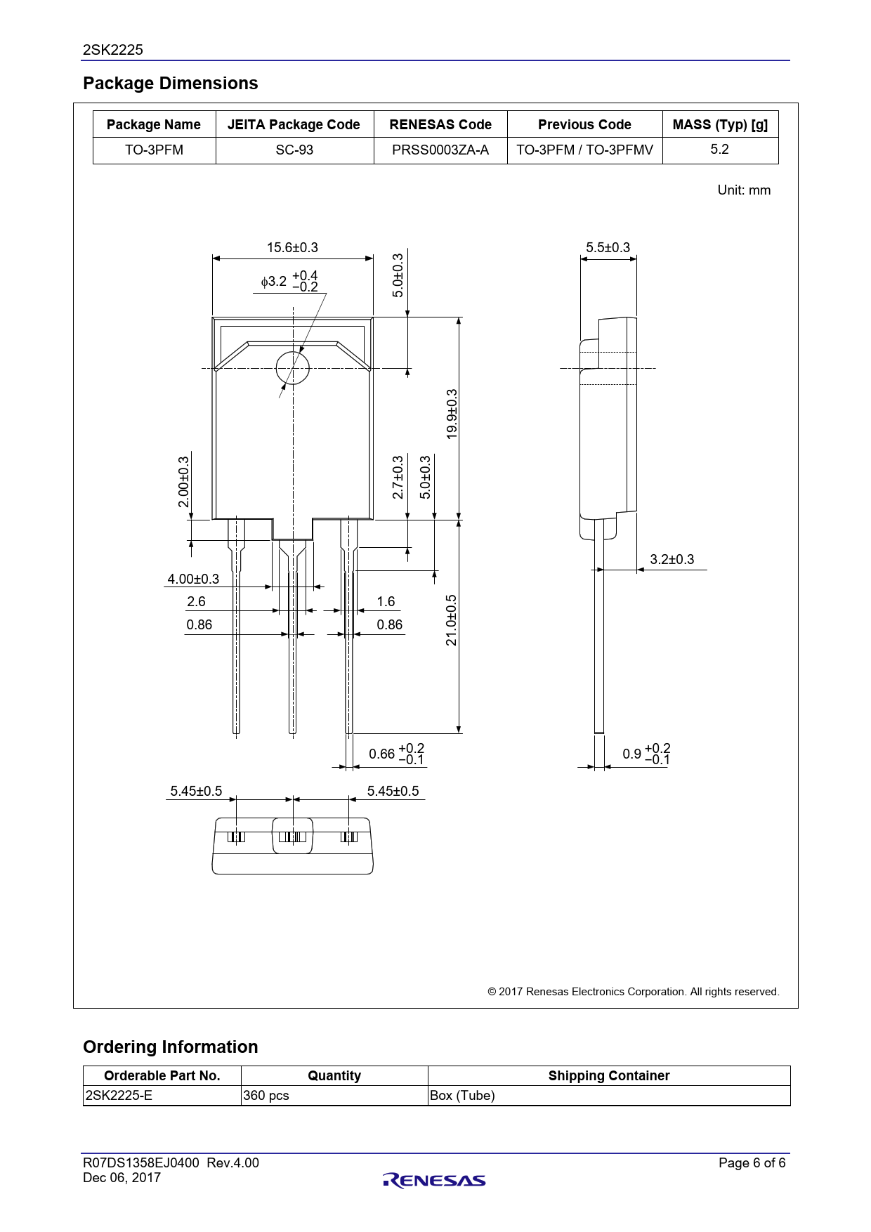
Package Dimensions. Package Name. JEITA Package Code. RENESAS Code. Previous Code. MASS (Typ) [g]. Ordering Information
![Package Dimensions Package Name JEITA Package Code RENESAS Code Previous Code MASS (Typ) [g] Ordering Information](https://www.rlocman.ru/datasheet/img.php?di=172781&p=5)
Model Line for this Datasheet
Text Version of Document
2SK2225
Package Dimensions Package Name JEITA Package Code RENESAS Code Previous Code MASS (Typ) [g]
TO-3PFM SC-93 PRSS0003ZA-A TO-3PFM / TO-3PFMV 5.2 Unit: mm 15.6±0.3 5.5±0.3 3.2 +0.4 ±0.3 −0.2 5.0 19.9±0.3 0.3 ±0.3 ±0.3 2.7 5.0 2.00± 3.2±0.3 4.00±0.3 2.6 1.6 ±0.5 0.86 0.86 21.0 0.66 +0.2 −0.1 0.9 +0.2 −0.1 5.45±0.5 5.45±0.5 © 2017 Renesas Electronics Corporation. Al rights reserv ed.
Ordering Information Orderable Part No. Quantity Shipping Container
2SK2225-E 360 pcs Box (Tube) R07DS1358EJ0400 Rev.4.00 Page 6 of 6 Dec 06, 2017