Datasheet TIP125, TIP126,TIP127 (ON Semiconductor) - 5
| Manufacturer | ON Semiconductor |
| Description | PNP Epitaxial Darlington Transistor |
| Pages / Page | 7 / 5 |
| Revision | A |
| File Format / Size | PDF / 351 Kb |
| Document Language | English |

Model Line for this Datasheet
Text Version of Document
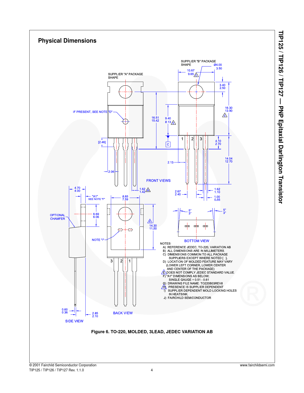
TIP125 / TIP126 / TIP127 — PNP Epitaxial Darlington Transistor Physical Dimensions Figure 6. TO-220, MOLDED, 3LEAD, JEDEC VARIATION AB © 2001 Fairchild Semiconductor Corporation
TIP125 / TIP126 / TIP127 Rev. 1.1.0 www.fairchildsemi.com
4