Datasheet L165 (STMicroelectronics) - 2

ManufacturerSTMicroelectronics
Description3A Power Operational Amplifier
Pages / Page9 / 2 — L165. ABSOLUTE MAXIMUM RATINGS. Symbol. Parameter. Value. Unit. PIN …
File Format / SizePDF / 145 Kb
Document LanguageEnglish

L165. ABSOLUTE MAXIMUM RATINGS. Symbol. Parameter. Value. Unit. PIN CONNECTION. SCHEMATIC DIAGRAM. THERMAL DATA

L165 ABSOLUTE MAXIMUM RATINGS Symbol Parameter Value Unit PIN CONNECTION SCHEMATIC DIAGRAM THERMAL DATA

Model Line for this Datasheet

Text Version of Document

L165 ABSOLUTE MAXIMUM RATINGS Symbol Parameter Value Unit
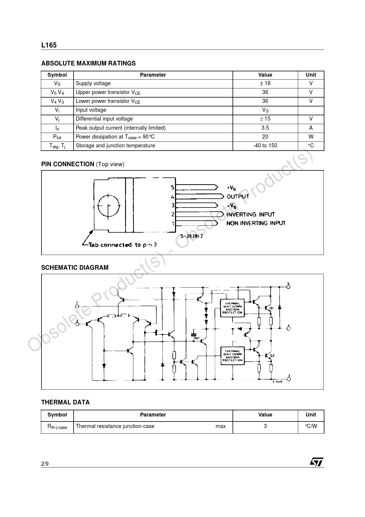
VS Supply voltage ± 18 V V5 V4 Upper power transistor VCE 36 V V4 V3 Lower power transistor VCE 36 V Vi Input voltage VS Vj Differential input voltage ± 15 V Io Peak output current (internally limited) 3.5 A Ptot Power dissipation at Tcase = 90°C 20 W Tstg, Tj Storage and junction temperature -40 to 150 °C
PIN CONNECTION
(Top view)
SCHEMATIC DIAGRAM
Obsolete Product(s) - Obsolete Product(s)
THERMAL DATA Symbol Parameter Value Unit
Rth-j-case Thermal resistance junction-case max 3 °C/W 2/9