Datasheet AO3400 (Alpha & Omega) - 5

ManufacturerAlpha & Omega
Description30V N-Channel MOSFET
Pages / Page5 / 5 — AO3400. www.aosmd.com
File Format / SizePDF / 484 Kb
Document LanguageEnglish

AO3400. www.aosmd.com

AO3400 www.aosmd.com

Model Line for this Datasheet

Text Version of Document

AO3400
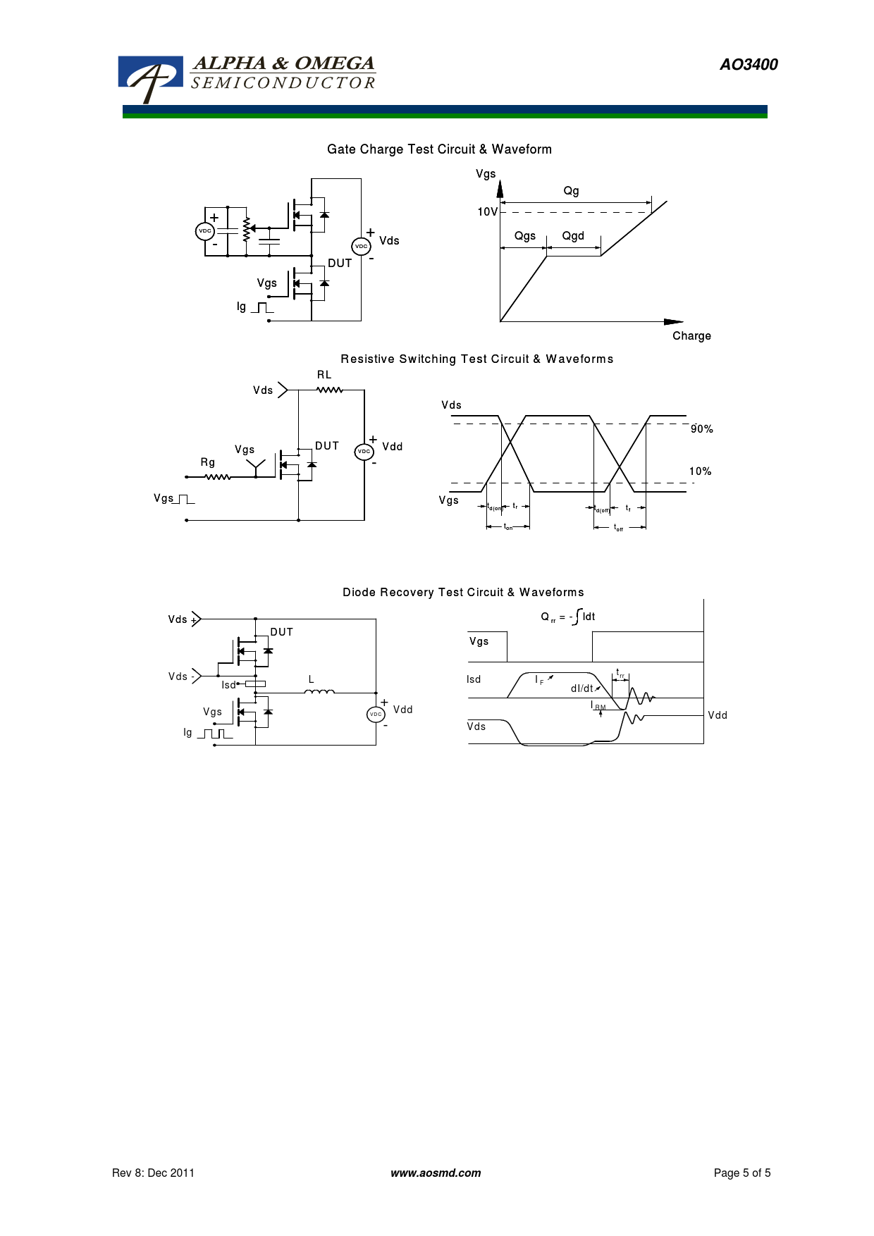
Gate Charge Test Circuit & Waveform Vgs Qg + 10V + VDC + Qgs Qgd Vds VDC - - DUT Vgs Ig Charge R e s istiv e S w itch in g T e st C ircu it & W a ve fo rm s R L V ds V d s 90 % + D U T V d d V g s V g V D C R g - 1 0% V g s V gs t t r d (o n ) d (o n t t d (o ff) f ton toff D io d e R eco very T est C ircu it & W a vefo rm s V ds + Q = - Idt + rr D U T V gs t V ds - L Isd I rr Isd F dI/dt + I V gs R M V dd VD C V dd - V ds Ig Rev 8: Dec 2011
www.aosmd.com
Page 5 of 5