Datasheet BRT11, BRT12, BRT13 (Vishay) - 5
| Manufacturer | Vishay |
| Description | Optocoupler, Phototriac Output, Non-Zero Crossing |
| Pages / Page | 8 / 5 — BRT11, BRT12, BRT13. PACKAGE DIMENSIONS. DIP-6. DIP-6, 400 mil (option 6) |
| File Format / Size | PDF / 257 Kb |
| Document Language | English |
BRT11, BRT12, BRT13. PACKAGE DIMENSIONS. DIP-6. DIP-6, 400 mil (option 6)

Model Line for this Datasheet
Text Version of Document
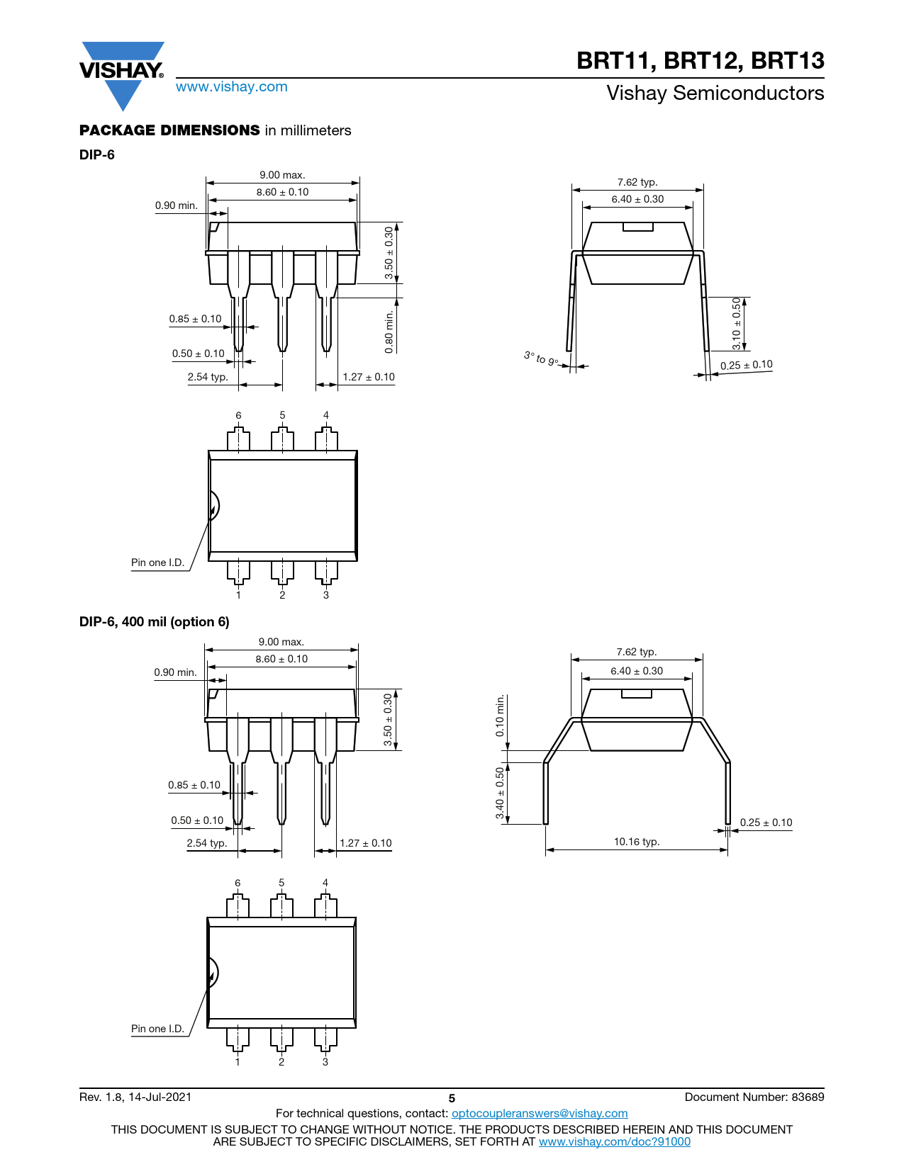
BRT11, BRT12, BRT13
www.vishay.com Vishay Semiconductors
PACKAGE DIMENSIONS
in millimeters
DIP-6
9.00 max. 7.62 typ. 8.60 ± 0.10 6.40 ± 0.30 0.90 min. 3.50 ± 0.30 0.85 ± 0.10 3.10 ± 0.50 0.50 ± 0.10 0.80 min. 3° to 9° 0.25 ± 0.10 2.54 typ. 1.27 ± 0.10 6 5 4 Pin one I.D. 1 2 3
DIP-6, 400 mil (option 6)
9.00 max. 7.62 typ. 8.60 ± 0.10 0.90 min. 6.40 ± 0.30 0.10 min. 3.50 ± 0.30 0.85 ± 0.10 0.50 ± 0.10 3.40 ± 0.50 0.25 ± 0.10 2.54 typ. 1.27 ± 0.10 10.16 typ. 6 5 4 Pin one I.D. 1 2 3 Rev. 1.8, 14-Jul-2021
5
Document Number: 83689 For technical questions, contact: optocoupleranswers@vishay.com THIS DOCUMENT IS SUBJECT TO CHANGE WITHOUT NOTICE. THE PRODUCTS DESCRIBED HEREIN AND THIS DOCUMENT ARE SUBJECT TO SPECIFIC DISCLAIMERS, SET FORTH AT www.vishay.com/doc?91000