Datasheet NTE326 (NTE Electronics) - 2

ManufacturerNTE Electronics
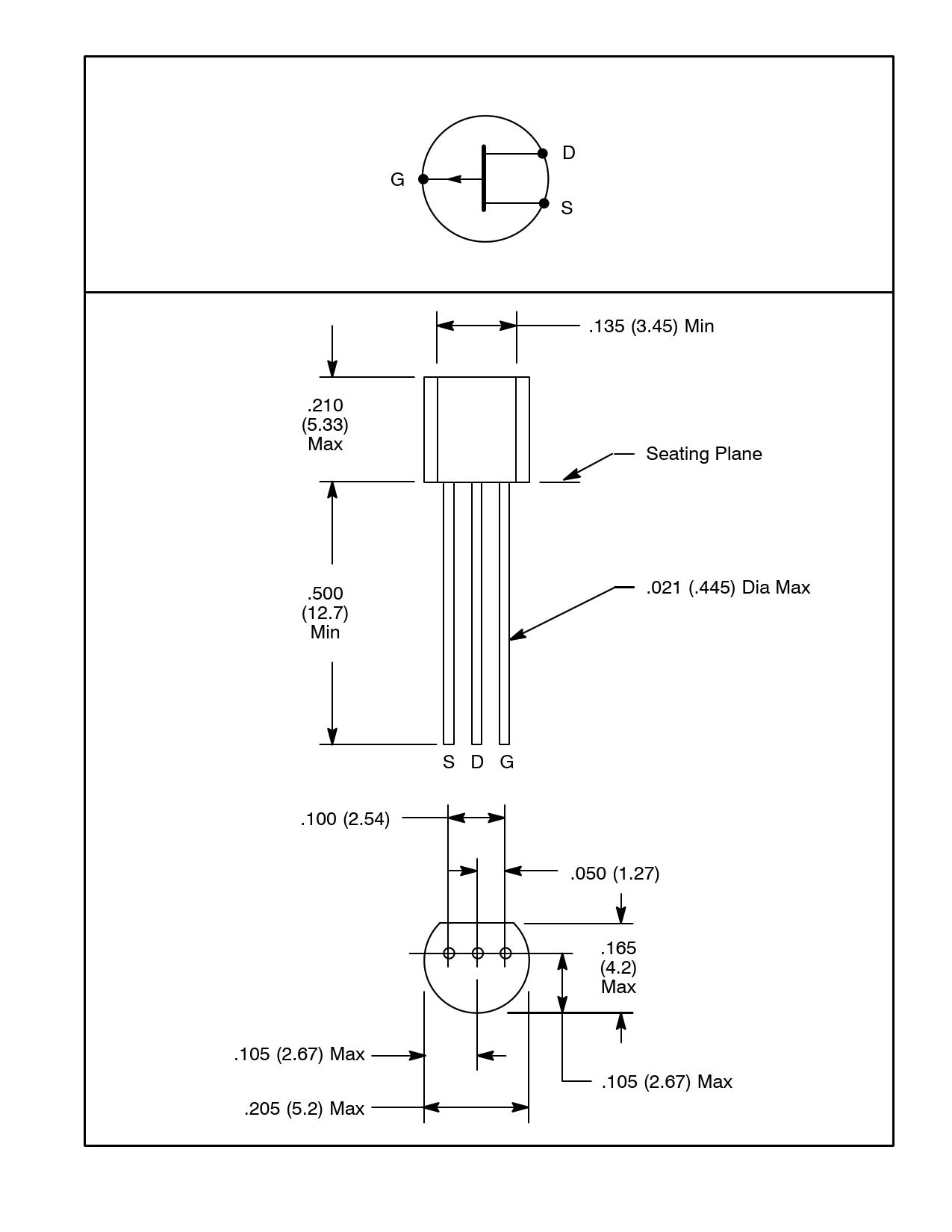
DescriptionSilicon P−Channel JFET Transistor General Purpose AF Amplifier TO92 Type Package
Pages / Page2 / 2 — D. G. S. .135. (3.45). Min. .210. (5.33). Max. Seating. Plane. .021. …
File Format / SizePDF / 63 Kb
Document LanguageEnglish

D. G. S. .135. (3.45). Min. .210. (5.33). Max. Seating. Plane. .021. (.445). Dia. Max. .500. (12.7). Min. S. D. G. .100. (2.54). .050. (1.27). .165. (4.2). Max. .105. (2.67). Max

D G S .135 (3.45) Min .210 (5.33) Max Seating Plane .021 (.445) Dia Max .500 (12.7) Min S D G .100 (2.54) .050 (1.27) .165 (4.2) Max .105 (2.67) Max

Model Line for this Datasheet

Text Version of Document

D G S .135 (3.45) Min .210 (5.33) Max Seating Plane .021 (.445) Dia Max .500 (12.7) Min S D G .100 (2.54) .050 (1.27) .165 (4.2) Max .105 (2.67) Max .105 (2.67) Max .205 (5.2) Max