Datasheet WA1470 (WAVIoT) - 8
| Manufacturer | WAVIoT |
| Description | Low Power Ultra Long Range Transceiver |
| Pages / Page | 24 / 8 — Datasheet. WA1470 NB-Fi transceiver. UTp. UTn. IXE. D_LN. GND P. RX I. … |
| File Format / Size | PDF / 383 Kb |
| Document Language | English |
Datasheet. WA1470 NB-Fi transceiver. UTp. UTn. IXE. D_LN. GND P. RX I. VDD M. TMUX1. TX LDO PA. TMUX2. VDD PA. TMUX3. VDD BB. TMUX4. ADCref. VDD_BIAS

Model Line for this Datasheet
Text Version of Document
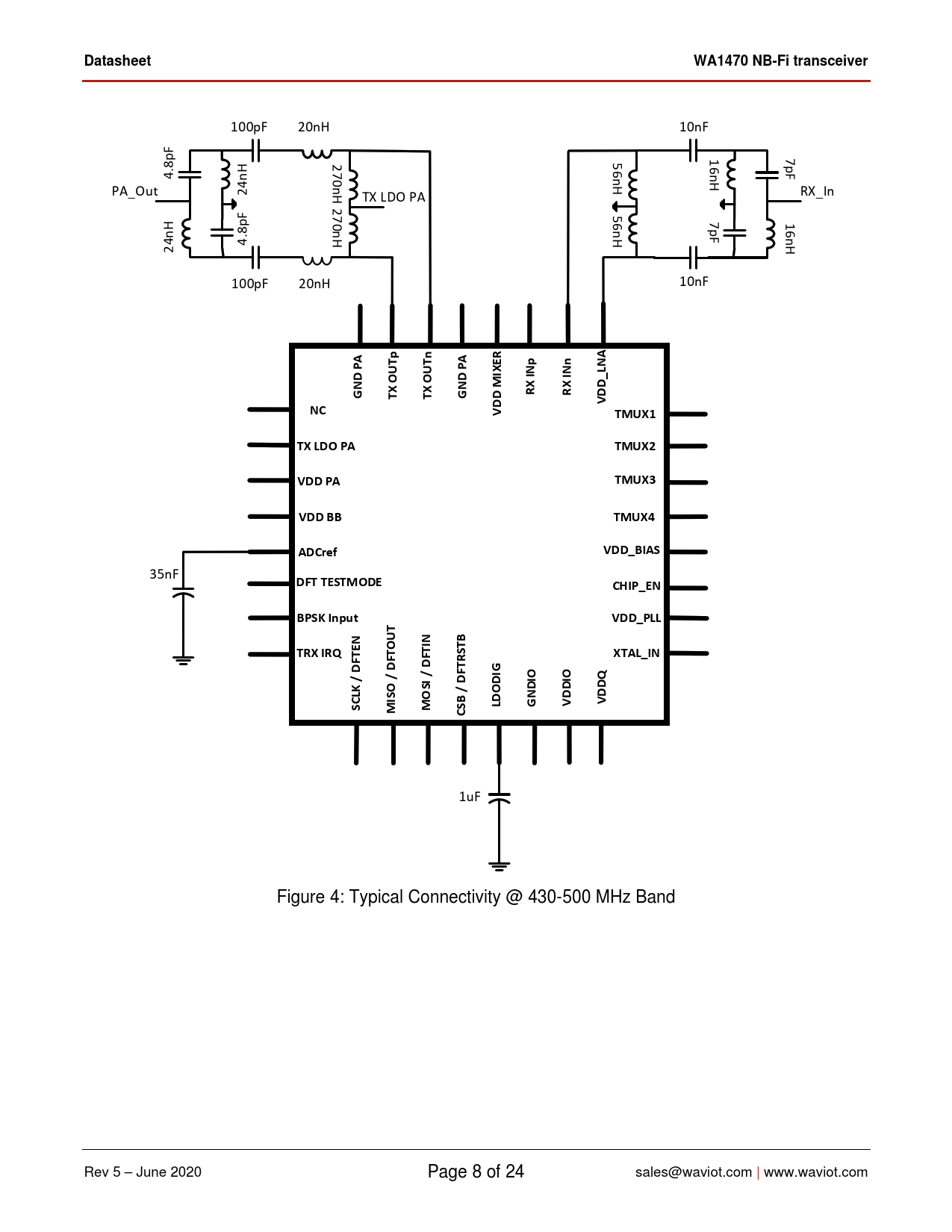
Datasheet WA1470 NB-Fi transceiver
100pF 20nH 10nF 2 1 7 7 5 6 pF 4.8pF 0 6nH nH PA_Out nH 24nH RX_In TX LDO PA 270 5 nH 6nH 7pF 16 4.8pF nH 24nH 100pF 20nH 10nF
A A R A UTp UTn Np Nn O O IXE D_LN GND P TX TX GND P RX I RX I VD NC VDD M TMUX1 TX LDO PA TMUX2 VDD PA TMUX3 VDD BB TMUX4 ADCref VDD_BIAS
35nF
DFT TESTMODE CHIP_EN BPSK Input VDD_PLL IN TRX IRQ EN OUT STB XTAL_IN G O O K / DFT / DFT SI / DFT O SCL ISO B / DFTR M M VDDI VDDQ CS LDODI GNDI
1uF Figure 4: Typical Connectivity @ 430-500 MHz Band Rev 5 – June 2020 Page 8 of 24 sales@waviot.com | www.waviot.com Document Outline Key Product Features General Description Applications Block Diagram & Chip Architecture Pin Diagram Pin List & Description Typical Connectivity Chip Modes Specifications ESD Ratings Operating Range Performance Specifications Description of the Registers eFuse Mirror Registers Non-eFuse Writable Registers Read Only Registers Packaging Information Contact Information