Datasheet ADG436 (Analog Devices) - 10
| Manufacturer | Analog Devices |
| Description | Dual SPDT Switch |
| Pages / Page | 12 / 10 — ADG436. TEST CIRCUITS. IDS. IS (OFF). ID (ON). NC = NO CONNECT. ON = … |
| Revision | B |
| File Format / Size | PDF / 325 Kb |
| Document Language | English |
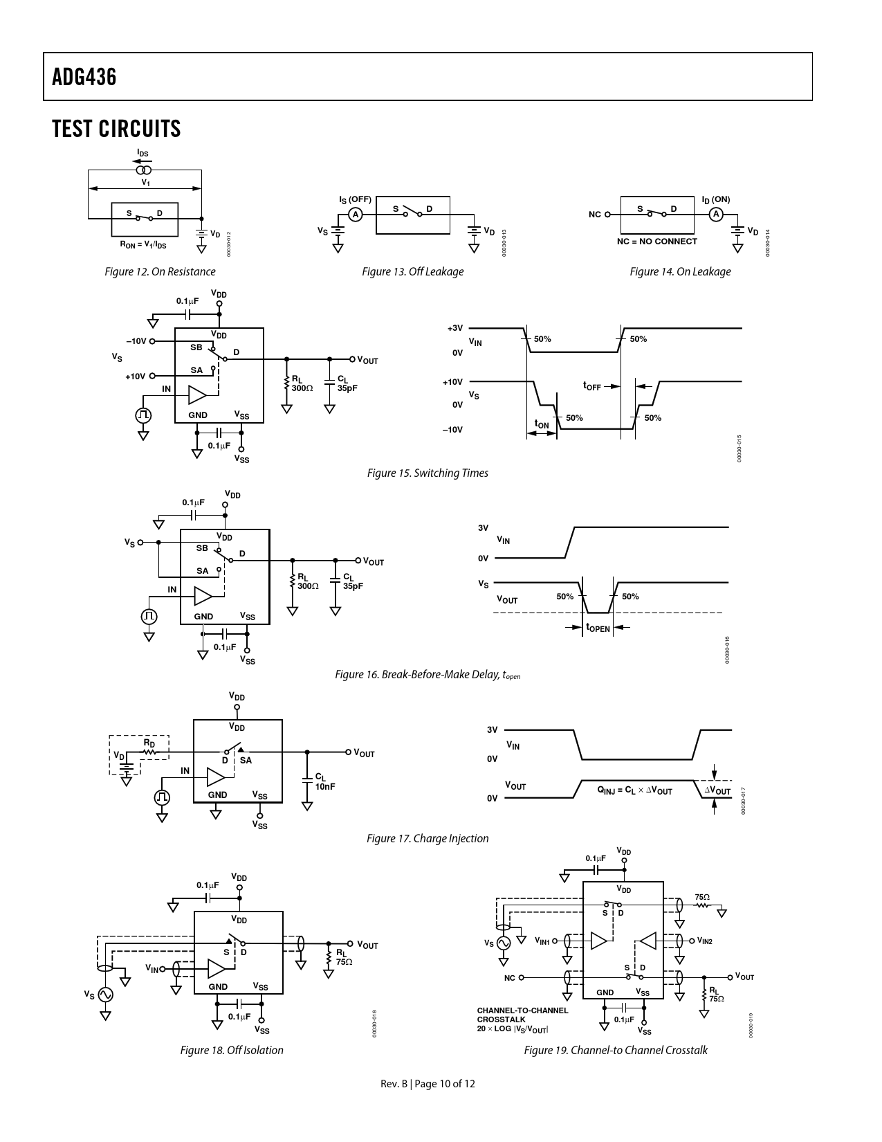
ADG436. TEST CIRCUITS. IDS. IS (OFF). ID (ON). NC = NO CONNECT. ON = V1/IDS. VDD. 0.1. +3V. –10V. 50%. VOUT. +10V. 300. 35pF. tOFF. GND. VSS. tON. VIN. OUT. tOPEN

Model Line for this Datasheet
Text Version of Document
ADG436 TEST CIRCUITS IDS V1 IS (OFF) ID (ON) S D S D S D A NC A V V V V D S D D
012
R NC = NO CONNECT ON = V1/IDS
00030- 00030-013 00030-014 Figure 12. On Resistance Figure 13. Off Leakage Figure 14. On Leakage
VDD 0.1
µ
F +3V VDD –10V 50% 50% V SB IN D 0V VS VOUT SA +10V RL CL +10V IN 300
Ω
35pF tOFF VS 0V GND VSS 50% 50% tON –10V 0.1
µ
F VSS
00030-015 Figure 15. Switching Times
VDD 0.1
µ
F 3V VDD V VIN S SB D V 0V OUT SA RL CL V IN 300
Ω
35pF S V 50% 50% OUT GND VSS tOPEN 0.1
µ
F VSS
00030-016 Figure 16. Break-Before-Make Delay, topen
VDD VDD 3V RD VIN V V OUT D 0V D SA IN CL 10nF VOUT Q
× ∆
V
∆
V GND V INJ = CL OUT OUT SS 0V
00030-017
VSS
Figure 17. Charge Injection
VDD 0.1
µ
F VDD 0.1
µ
F VDD 75
Ω
S D VDD V V V IN1 VIN2 OUT S S D RL 75
Ω
VIN S D NC VOUT GND VSS R V GND V L S SS 75
Ω
CHANNEL-TO-CHANNEL 0.1
µ
F CROSSTALK 0.1
µ
F
019
VSS 20
×
LOG |VS/VOUT| VSS
00030-018 00030- Figure 18. Off Isolation Figure 19. Channel-to Channel Crosstalk Rev. B | Page 10 of 12 Document Outline FEATURES APPLICATIONS FUNCTIONAL BLOCK DIAGRAM GENERAL DESCRIPTION PRODUCT HIGHLIGHTS SPECIFICATIONS DUAL SUPPLY SINGLE SUPPLY ABSOLUTE MAXIMUM RATINGS ESD CAUTION PIN CONFIGURATION AND FUNCTION DESCRIPTIONS TERMINOLOGY TYPICAL PERFORMANCE CHARACTERISTICS TEST CIRCUITS APPLICATIONS INFORMATION ADG436 SUPPLY VOLTAGES POWER-SUPPLY SEQUENCING OUTLINE DIMENSIONS ORDERING GUIDE