Datasheet ADG419-EP (Analog Devices) - 8
| Manufacturer | Analog Devices |
| Description | LC2MOS Precision Analog Switch in MSOP |
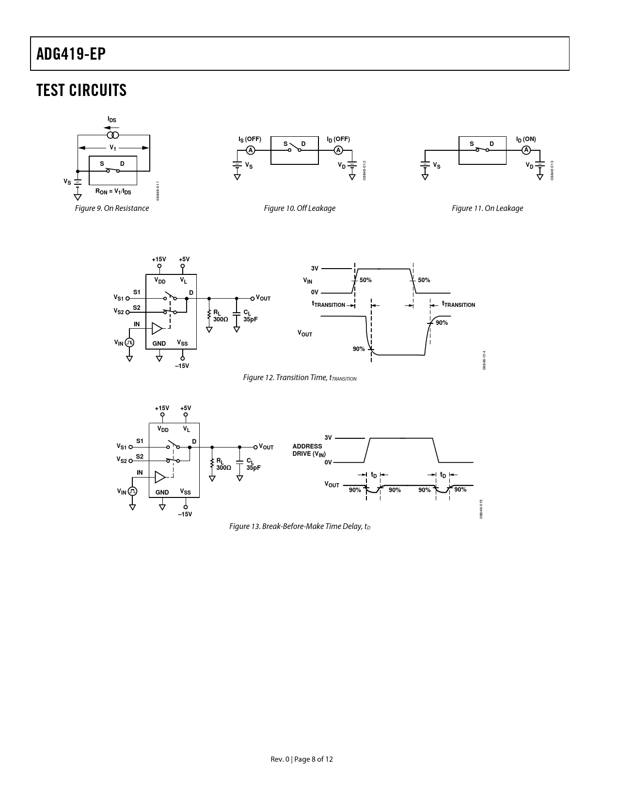
| Pages / Page | 12 / 8 — ADG419-EP. TEST CIRCUITS. IDS. IS (OFF). ID (OFF). ID (ON). ON = V1/IDS. … |
| File Format / Size | PDF / 198 Kb |
| Document Language | English |
ADG419-EP. TEST CIRCUITS. IDS. IS (OFF). ID (OFF). ID (ON). ON = V1/IDS. +15V. +5V. 50%. VS1. VOUT. tTRANSITION. 300Ω. 35pF. 90%. VIN. GND. –15V

Model Line for this Datasheet
Text Version of Document
ADG419-EP TEST CIRCUITS IDS IS (OFF) ID (OFF) ID (ON) S D S D V1 A A A S D
2 3
VS VD
01
VS VD
01 6- 6- 84 84
V
08 08
S
1 01
R
6-
ON = V1/IDS
84 08 Figure 9. On Resistance Figure 10. Off Leakage Figure 11. On Leakage
+15V +5V 3V V V V DD L IN 50% 50% S1 D 0V VS1 VOUT tTRANSITION tTRANSITION V S2 S2 RL CL 300Ω 35pF IN 90% VOUT VIN V GND SS 90%
014
–15V
08846- Figure 12. Transition Time, tTRANSITION
+15V +5V V V DD L 3V S1 D VS1 VOUT ADDRESS DRIVE (VIN) V S2 S2 RL CL 0V 300Ω 35pF IN tD tD VOUT V V 90% 90% 90% 90% IN GND SS
15
–15V
08846-0 Figure 13. Break-Before-Make Time Delay, tD Rev. 0 | Page 8 of 12 Document Outline FEATURES APPLICATIONS FUNCTIONAL BLOCK DIAGRAM GENERAL DESCRIPTION PRODUCT HIGHLIGHTS TABLE OF CONTENTS REVISION HISTORY SPECIFICATIONS DUAL SUPPLY SINGLE SUPPLY ABSOLUTE MAXIMUM RATINGS ESD CAUTION PIN CONFIGURATION AND FUNCTION DESCRIPTIONS TYPICAL PERFORMANCE CHARACTERISTICS TEST CIRCUITS OUTLINE DIMENSIONS ORDERING GUIDE