Datasheet ADG511, ADG512, ADG513 (Analog Devices) - 9

ManufacturerAnalog Devices
DescriptionLC2MOS Precision 5 V/3 V Quad SPST Switches
Pages / Page12 / 9 — ADG511/ADG512/ADG513. Test Circuits. IDS. S (OFF). ID (OFF). D (ON). RON …
RevisionC
File Format / SizePDF / 143 Kb
Document LanguageEnglish

ADG511/ADG512/ADG513. Test Circuits. IDS. S (OFF). ID (OFF). D (ON). RON = V1/IDS. VDD. 0.1. ADG511. 50%. VOUT. ADG512. 300. 35pF. 90%. GND. VSS. tON. OFF. VIN

ADG511/ADG512/ADG513 Test Circuits IDS S (OFF) ID (OFF) D (ON) RON = V1/IDS VDD 0.1 ADG511 50% VOUT ADG512 300 35pF 90% GND VSS tON OFF VIN

Model Line for this Datasheet

Text Version of Document

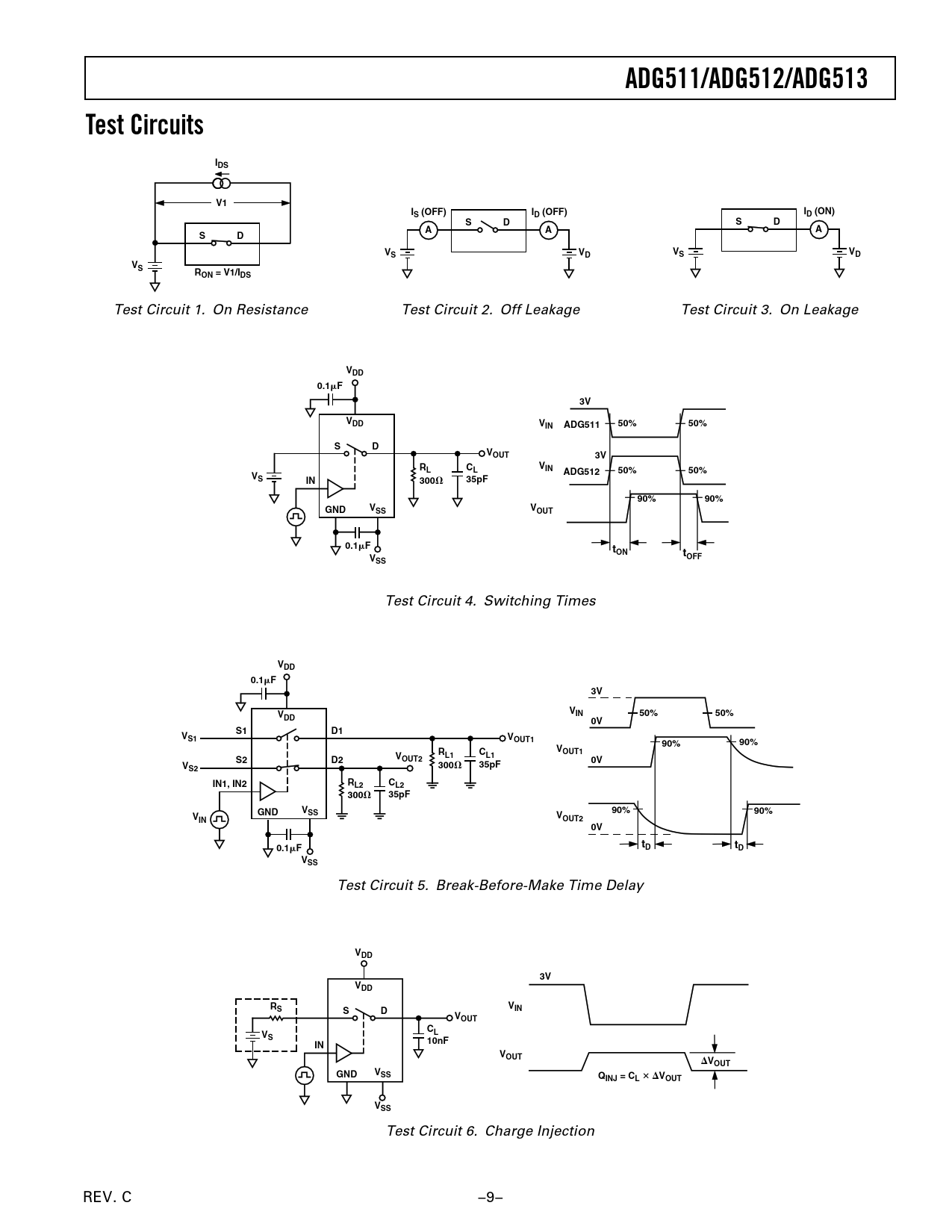
ADG511/ADG512/ADG513 Test Circuits IDS V1 I I S (OFF) ID (OFF) D (ON) S D S D A A A S D VS VD VS VD VS RON = V1/IDS
Test Circuit 1. On Resistance Test Circuit 2. Off Leakage Test Circuit 3. On Leakage
VDD 0.1 F 3V VDD V ADG511 50% 50% IN S D VOUT 3V R V L CL IN ADG512 50% 50% VS IN 300 35pF 90% 90% GND VSS VOUT 0.1 F tON t V OFF SS
Test Circuit 4. Switching Times
VDD 0.1 F 3V V VIN 50% 50% DD 0V S1 D1 VS1 VOUT1 90% 90% R V L1 CL1 OUT1 V S2 OUT2 D2 0V V 300 35pF S2 IN1, IN2 RL2 CL2 300 35pF GND VSS 90% 90% V V IN OUT2 0V 0.1 F tD tD VSS
Test Circuit 5. Break-Before-Make Time Delay
VDD 3V VDD RS V S D IN VOUT C V L S 10nF IN VOUT VOUT GND VSS QINJ = CL VOUT VSS
Test Circuit 6. Charge Injection REV. C –9–