Datasheet CA3280, CA3280A (Intersil) - 6

ManufacturerIntersil
DescriptionDual, 9MHz, Operational Transconductance Amplifier (OTA)
Pages / Page10 / 6 — +15V. 10k. 1/2. CA3280. 33pF. 1800pF. -15V. 1N914. OUTPUT. 100k. TO 10k. …
File Format / SizePDF / 664 Kb
Document LanguageEnglish

+15V. 10k. 1/2. CA3280. 33pF. 1800pF. -15V. 1N914. OUTPUT. 100k. TO 10k. 300pF. 1/2 CD4013. 100. 0.05. FIGURE 8. TWO CHANNEL LINEAR MULTIPLEXER. 3.6k

+15V 10k 1/2 CA3280 33pF 1800pF -15V 1N914 OUTPUT 100k TO 10k 300pF 1/2 CD4013 100 0.05 FIGURE 8 TWO CHANNEL LINEAR MULTIPLEXER 3.6k

Model Line for this Datasheet

Text Version of Document

CA3280, CA3280A
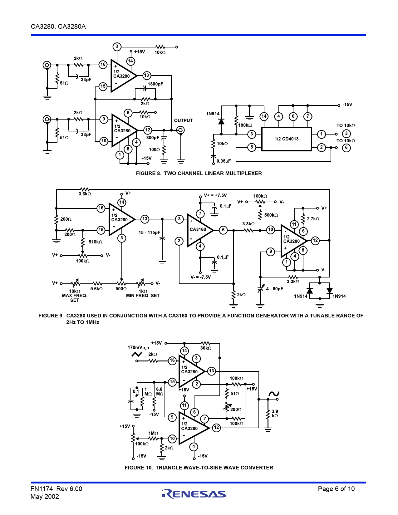
3 +15V 10k 2k 14 16 + 1/2 13 CA3280 33pF 51 - 15 1800pF 2k -15V 2k 6 1N914 14 4 6 7 9 10k + OUTPUT 1/2 100k TO 10k 12 CA3280 33pF 3 1 3 51 - 300pF 10 1/2 CD4013 4 TO 10k 10k 8 100 5 2 6 1 -15V 0.05

F FIGURE 8. TWO CHANNEL LINEAR MULTIPLEXER 3.6k V+ V+ = +7.5V 100k 14 V+ V- 16 0.1

F + V+ 1/2 7 560k 200 13 CA3280 3 2.7k + - 3.3k 11 15 CA3160 6 10 15 - 115pF - 6 200 3 1/2 - 910k 2 12 CA3280 4 + 9 8 V+ V- 4 0.1

F 100k 1 V- V- = -7.5V 3.3k V+ V- 5.6k 500 4 - 60pF 10k 1k 2k MAX FREQ. MIN FREQ. SET 1N914 1N914 SET FIGURE 9. CA3280 USED IN CONJUNCTION WITH A CA3160 TO PROVIDE A FUNCTION GENERATOR WITH A TUNABLE RANGE OF 2Hz TO 1MHz +15V 170mVP-P 30k 14 2k 3 16 + 1/2 13 CA3280 100k 15 - 2 0.1 1 6.8 +15V +15V

F M M 51 11 6 200 3.9 -15V 9 k + 7 1/2 100k +15V 12 CA3280 1M - 10 100k 4 2k -15V -15V FIGURE 10. TRIANGLE WAVE-TO-SINE WAVE CONVERTER
FN1174 Rev 6.00 Page 6 of 10 May 2002