Datasheet ALD1107, ALD1117 (Advanced Linear Devices) - 4
| Manufacturer | Advanced Linear Devices |
| Description | Quad/Dual P-channel Matched Pair Mosfet Array |
| Pages / Page | 9 / 4 — TYPICAL APPLICATIONS. CURRENT SOURCE MIRROR. CURRENT SOURCE WITH GATE … |
| File Format / Size | PDF / 86 Kb |
| Document Language | English |
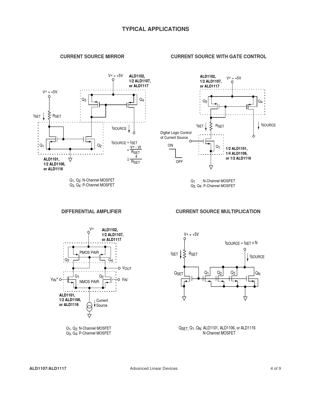
TYPICAL APPLICATIONS. CURRENT SOURCE MIRROR. CURRENT SOURCE WITH GATE CONTROL. ALD1102,. 1/2 ALD1107,. or ALD1117. 1/2 ALD1101,

Model Line for this Datasheet
Text Version of Document
TYPICAL APPLICATIONS CURRENT SOURCE MIRROR CURRENT SOURCE WITH GATE CONTROL
V+ = +5V
ALD1102, ALD1102,
V+ = +5V
1/2 ALD1107, 1/2 ALD1107, or ALD1117 or ALD1117
V+ = +5V Q3 Q4 Q3 Q4 ISET RSET I ISET R SOURCE SET ISOURCE Digital Logic Control of Current Source ISOURCE = ISET Q1 Q2 ON V+ - Vt Q1
1/2 ALD1101,
= RSET
1/4 ALD1106,
4
or 1/2 ALD1116 ALD1101,
= ~ R OFF
1/2 ALD1106,
SET
or ALD1116
Q1, Q2: N-Channel MOSFET Q1 : N-Channel MOSFET Q3, Q4: P-Channel MOSFET Q3, Q4: P-Channel MOSFET
DIFFERENTIAL AMPLIFIER CURRENT SOURCE MULTIPLICATION
V+
ALD1102, 1/2 ALD1107,
V+ = +5V
or ALD1117
ISOURCE = ISET x N PMOS PAIR ISET RSET ISOURCE Q3 Q4 VOUT Q Q SET Q1 2 Q3 QN Q1 Q2 V + V - IN IN NMOS PAIR
ALD1101, 1/2 ALD1106,
Current
or ALD1116
Source Q Q 1, Q2: N-Channel MOSFET SET, Q1..QN: ALD1101, ALD1106, or ALD1116 Q3, Q4: P-Channel MOSFET N-Channel MOSFET
ALD1107/ALD1117
Advanced Linear Devices 4 of 9