Datasheet CAT4201 (ON Semiconductor) - 8

ManufacturerON Semiconductor
Description350 mA High Efficiency Step Down LED Driver
Pages / Page13 / 8 — CAT4201. Simplified Block Diagram. PWM. Controller. 1.2 V. Reference. …
File Format / SizePDF / 201 Kb
Document LanguageEnglish

CAT4201. Simplified Block Diagram. PWM. Controller. 1.2 V. Reference. Figure 22. CAT4201 Simplified Block Diagram. Basic Operation

CAT4201 Simplified Block Diagram PWM Controller 1.2 V Reference Figure 22 CAT4201 Simplified Block Diagram Basic Operation

Model Line for this Datasheet

Text Version of Document

link to page 8
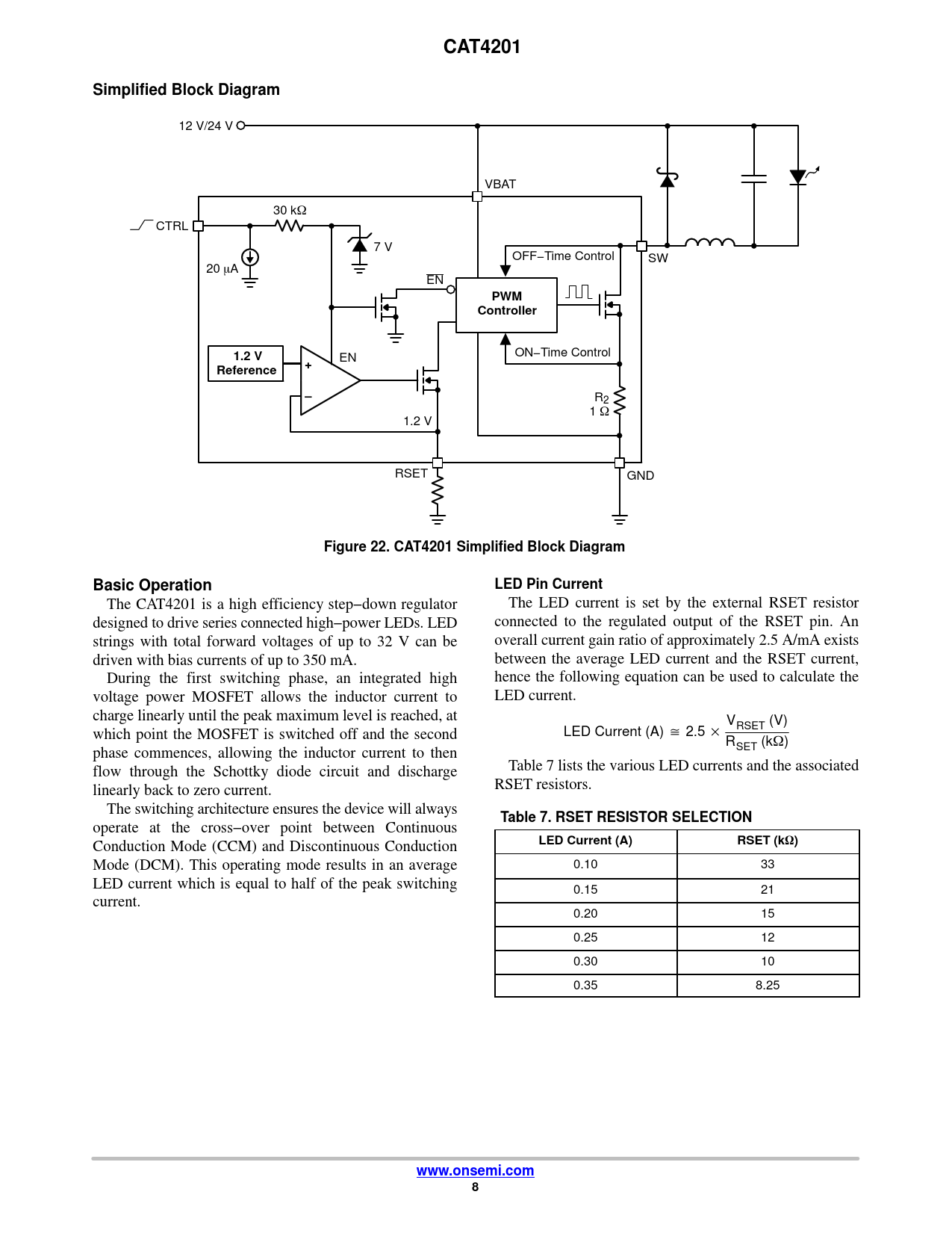
CAT4201 Simplified Block Diagram
12 V/24 V VBAT 30 kW CTRL 7 V OFF−Time Control SW 20 mA EN
PWM Controller 1.2 V
ON−Time Control EN
+ Reference
R2 1 W 1.2 V RSET GND
Figure 22. CAT4201 Simplified Block Diagram Basic Operation LED Pin Current
The CAT4201 is a high efficiency step−down regulator The LED current is set by the external RSET resistor designed to drive series connected high−power LEDs. LED connected to the regulated output of the RSET pin. An strings with total forward voltages of up to 32 V can be overall current gain ratio of approximately 2.5 A/mA exists driven with bias currents of up to 350 mA. between the average LED current and the RSET current, During the first switching phase, an integrated high hence the following equation can be used to calculate the voltage power MOSFET allows the inductor current to LED current. charge linearly until the peak maximum level is reached, at V (V) RSET which point the MOSFET is switched off and the second LED Current (A) ^ 2.5 R (kW) phase commences, allowing the inductor current to then SET flow through the Schottky diode circuit and discharge Table 7 lists the various LED currents and the associated linearly back to zero current. RSET resistors. The switching architecture ensures the device will always
Table 7. RSET RESISTOR SELECTION
operate at the cross−over point between Continuous Conduction Mode (CCM) and Discontinuous Conduction
LED Current (A) RSET (kW)
Mode (DCM). This operating mode results in an average 0.10 33 LED current which is equal to half of the peak switching 0.15 21 current. 0.20 15 0.25 12 0.30 10 0.35 8.25
www.onsemi.com 8