Datasheet SSM10N961L (Toshiba) - 8
| Manufacturer | Toshiba |
| Description | Silicon N-Channel MOSFET |
| Pages / Page | 9 / 8 — SSM10N961L. Package. Dimensions. Unit:. mm. Weight:. 1.69. mg. (typ.). … |
| File Format / Size | PDF / 484 Kb |
| Document Language | English |
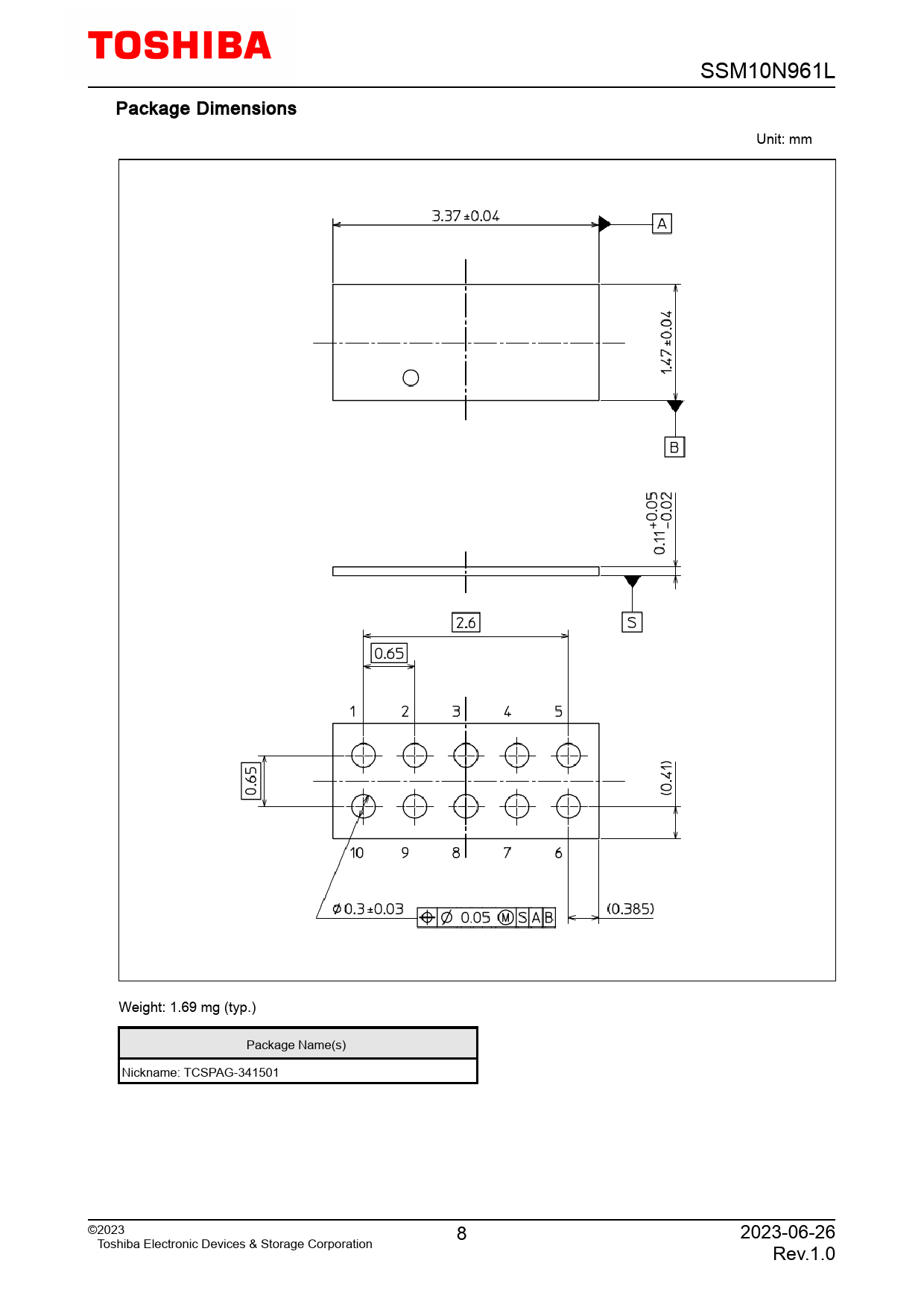
SSM10N961L. Package. Dimensions. Unit:. mm. Weight:. 1.69. mg. (typ.). Package. Name(s). Nickname:. TCSPAG-341501. ©2023. 8. 2023-06-26. Toshiba

Model Line for this Datasheet
Text Version of Document
SSM10N961L Package Dimensions Unit: mm Weight: 1.69 mg (typ.) Package Name(s) Nickname: TCSPAG-341501 ©2023 8 2023-06-26 Toshiba Electronic Devices & Storage Corporation Rev.1.0