Datasheet SiC951 (Vishay) - 2

ManufacturerVishay
Description4.5 V to 20 V Input, 25 A MicroBRICK DC/DC Regulator Module With PMBus Interface
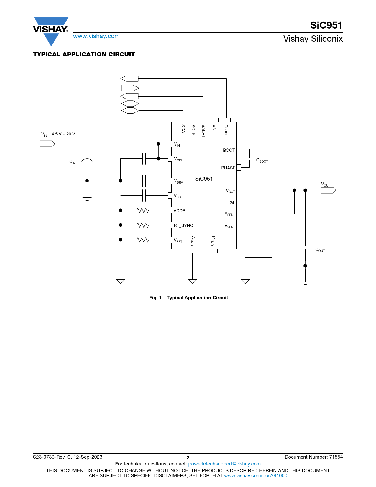
Pages / Page28 / 2 — SiC951. TYPICAL APPLICATION CIRCUIT. Fig. 1 - Typical Application Circuit
File Format / SizePDF / 3.1 Mb
Document LanguageEnglish

SiC951. TYPICAL APPLICATION CIRCUIT. Fig. 1 - Typical Application Circuit

SiC951 TYPICAL APPLICATION CIRCUIT Fig 1 - Typical Application Circuit

Model Line for this Datasheet

Text Version of Document

SiC951
www.vishay.com Vishay Siliconix
TYPICAL APPLICATION CIRCUIT
SD SC SA EN PGOOD A LK LRT V = 4.5 V ~ 20 V IN VIN BOOT V C CIN CBOOT IN PHASE SiC951 VDRV VOUT VOUT VDD GL ADDR VSEN+ RT_SYNC VSEN- A P GND GND VSET COUT
Fig. 1 - Typical Application Circuit
S23-0736-Rev. C, 12-Sep-2023
2
Document Number: 71554 For technical questions, contact: powerictechsupport@vishay.com THIS DOCUMENT IS SUBJECT TO CHANGE WITHOUT NOTICE. THE PRODUCTS DESCRIBED HEREIN AND THIS DOCUMENT ARE SUBJECT TO SPECIFIC DISCLAIMERS, SET FORTH AT www.vishay.com/doc?91000