Datasheet SiC951 (Vishay) - 7

ManufacturerVishay
Description4.5 V to 20 V Input, 25 A MicroBRICK DC/DC Regulator Module With PMBus Interface
Pages / Page28 / 7 — SiC951. FUNCTIONAL BLOCK DIAGRAM. Fig. 3 - Functional Block Diagram
File Format / SizePDF / 3.1 Mb
Document LanguageEnglish

SiC951. FUNCTIONAL BLOCK DIAGRAM. Fig. 3 - Functional Block Diagram

SiC951 FUNCTIONAL BLOCK DIAGRAM Fig 3 - Functional Block Diagram

Model Line for this Datasheet

Text Version of Document

SiC951
www.vishay.com Vishay Siliconix
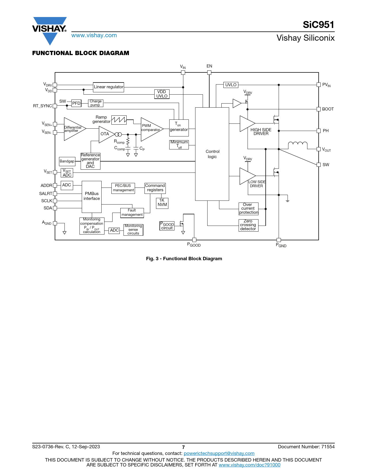
FUNCTIONAL BLOCK DIAGRAM
V EN IN VDRV UVLO PV Linear regulator IN VDD VDD VDRV UVLO SW Charge PFD RT_SYNC pump BOOT Ramp generator V T SEN+ PWM on Differential comparator generator amplifier HIGH SIDE V PH SEN- OTA DRIVER Rcomp Minimum T C off comp CP VOUT Control Reference logic generator VDRV Bandgap and SW DAC V V SET SET ADC LOW SIDE ADDR ADC PEC/BUS Command DRIVER management registers SALRT PMBus interface SCLK 1K NVM Over SDA current Fault protection management Monitoring Zero AGND compensation P Monitoring GOOD crossing P / P IN OUT circuit sense detector ADC calculation circuits PGOOD PGND
Fig. 3 - Functional Block Diagram
S23-0736-Rev. C, 12-Sep-2023
7
Document Number: 71554 For technical questions, contact: powerictechsupport@vishay.com THIS DOCUMENT IS SUBJECT TO CHANGE WITHOUT NOTICE. THE PRODUCTS DESCRIBED HEREIN AND THIS DOCUMENT ARE SUBJECT TO SPECIFIC DISCLAIMERS, SET FORTH AT www.vishay.com/doc?91000