News
Articles
Biblio
Circuits
Datasheets
Sites
Devices
Prices
More
News
Articles
Biblio
Datasheets
Sites
Devices
e-Newsletter Subscription
Authors
Only-Datasheet.com
About us
For Authors
Cooperation
Advertising
Contacts
ru - Русский
de - Deutsch
es - Espanol
zh - 中文
Search
Datasheets
Datasheet К157ДА1
Datasheet К157ДА1
Description
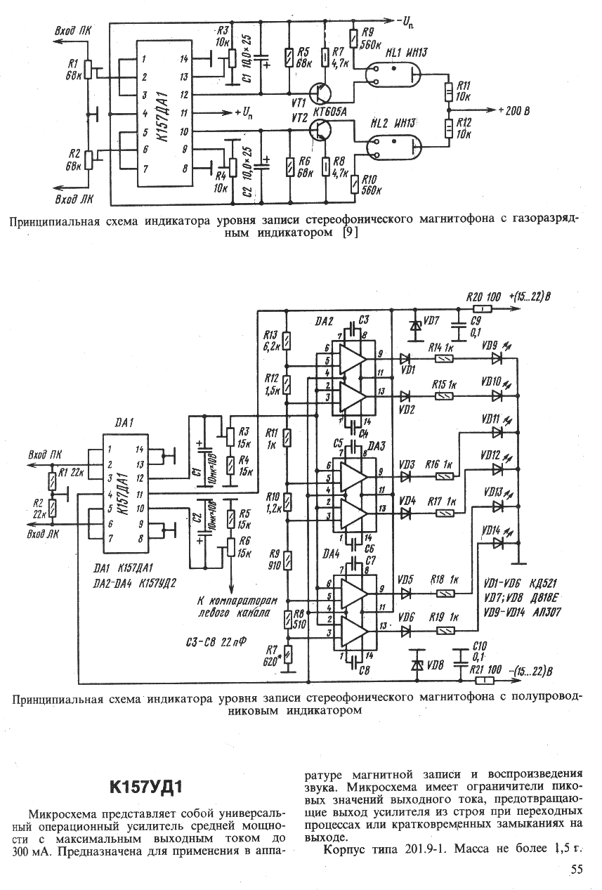
Двухканальный Двухполупериодный Выпрямитель Среднего Значения Сигналов
Pages / Page
4
/
1
File Format / Size
PDF
/
623 Kb
Document Language
Russian
1
2
3
4
Download PDF
1
2
3
4
Model Line for this Datasheet
К157ДА1
Subscribe e-Newsletter to Stay Informed on New Materials of Our Website!
Slices
Microcontrollers
e-Newsletter Subscription
Contacts
Privacy Policy
Change Privacy Settings