Datasheet INN5375F, INN5376F, INN5377F, INN5396F, INN5475F, INN5476F, INN5477F, INN5496F (Power Integrations) - 2
| Manufacturer | Power Integrations |
| Description | Digitally Controllable Off-Line CV/CC ZVS Flyback Switcher IC with 750 V and 900 V PowiGaN Switch, Synchronous Rectification and FluxLink Feedback |
| Pages / Page | 58 / 2 — InnoSwitch5-Pro. BPP. REGULATOR. LINE INTERFACE. CONTROL LOGIC. From. … |
| File Format / Size | PDF / 3.5 Mb |
| Document Language | English |
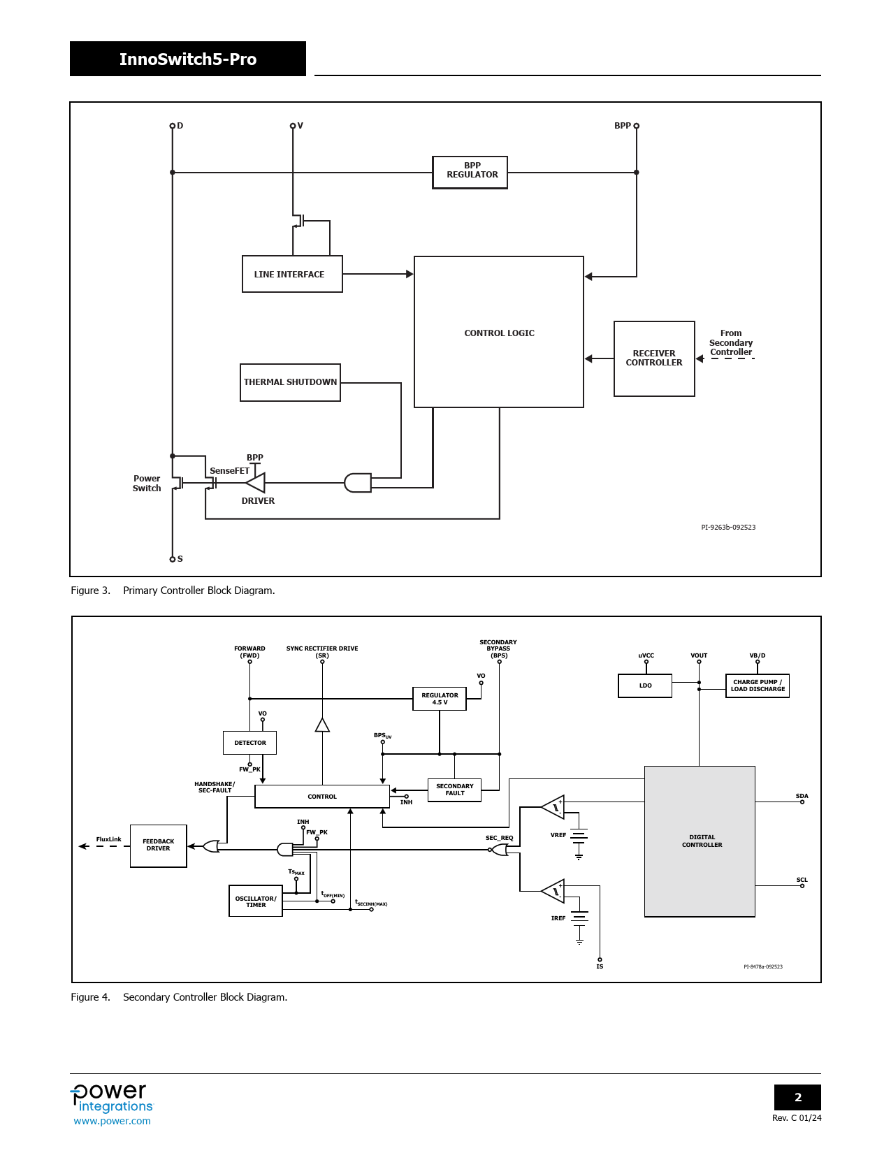
InnoSwitch5-Pro. BPP. REGULATOR. LINE INTERFACE. CONTROL LOGIC. From. Secondary. RECEIVER. Controller. CONTROLLER. THERMAL SHUTDOWN. SenseFET

Model Line for this Datasheet
Text Version of Document
InnoSwitch5-Pro D V BPP BPP REGULATOR LINE INTERFACE CONTROL LOGIC From Secondary RECEIVER Controller CONTROLLER THERMAL SHUTDOWN BPP SenseFET Power Switch DRIVER
PI-9263b-092523
S
Figure 3. Primary Controller Block Diagram.
SECONDARY FORWARD SYNC RECTIFIER DRIVE BYPASS (FWD) (SR) (BPS) uVCC VOUT VB/D VO LDO CHARGE PUMP / LOAD DISCHARGE REGULATOR 4.5 V VO BPSUV DETECTOR FW_PK HANDSHAKE/ SECONDARY SEC-FAULT CONTROL FAULT SDA INH + - INH FW_PK FluxLink VREF DIGITAL FEEDBACK SEC_REQ DRIVER CONTROLLER TsMAX SCL + tOFF(MIN) - OSCILLATOR/ tSECINH(MAX) TIMER IREF IS
PI-8478a-092523 Figure 4. Secondary Controller Block Diagram.
2
Rev. C 01/24 www.power.com