Datasheet ICM7216A, ICM7216B, ICM7216D (Intersil) - 3
| Manufacturer | Intersil |
| Description | 8-Digit Multi-Function Frequency Counter/Timer |
| Pages / Page | 17 / 3 — ICM7216A, ICM7216B, ICM7216D. Functional Block Diagram. EXT. OSC. INPUT. … |
| File Format / Size | PDF / 196 Kb |
| Document Language | English |
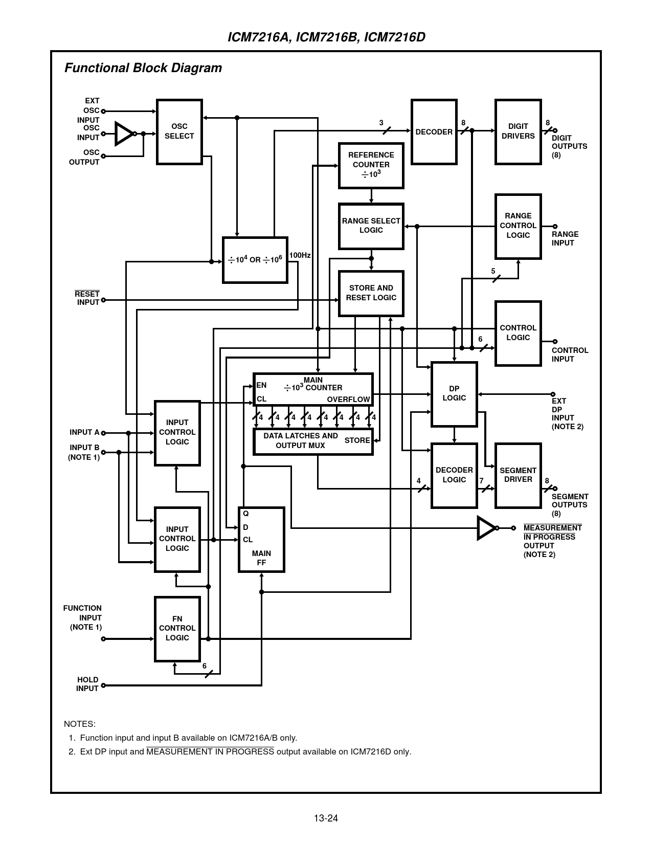
ICM7216A, ICM7216B, ICM7216D. Functional Block Diagram. EXT. OSC. INPUT. DIGIT. DECODER. SELECT. DRIVERS. DIGIT OUTPUTS. REFERENCE. (8). OUTPUT

Model Line for this Datasheet
Text Version of Document
ICM7216A, ICM7216B, ICM7216D Functional Block Diagram EXT OSC INPUT 3 8 8 OSC DIGIT OSC DECODER SELECT DRIVERS INPUT DIGIT OUTPUTS OSC REFERENCE (8) OUTPUT COUNTER
÷
103 RANGE RANGE SELECT CONTROL LOGIC LOGIC RANGE INPUT
÷
100Hz 104 OR
÷
106 5 STORE AND RESET RESET LOGIC INPUT CONTROL LOGIC 6 CONTROL INPUT MAIN EN
÷
103 COUNTER DP CL OVERFLOW LOGIC EXT DP 4 4 4 4 4 4 4 4 INPUT INPUT (NOTE 2) INPUT A CONTROL DATA LATCHES AND LOGIC STORE OUTPUT MUX INPUT B (NOTE 1) DECODER SEGMENT 4 LOGIC DRIVER 7 8 SEGMENT OUTPUTS Q (8) INPUT D MEASUREMENT CONTROL CL IN PROGRESS LOGIC OUTPUT MAIN (NOTE 2) FF FUNCTION INPUT FN (NOTE 1) CONTROL LOGIC 6 HOLD INPUT
NOTES: 1. Function input and input B available on ICM7216A/B only. 2. Ext DP input and MEASUREMENT IN PROGRESS output available on ICM7216D only. 13-24