Datasheet BTA206X-800ET (WeEn Semiconductors) - 9
| Manufacturer | WeEn Semiconductors |
| Description | 3Q Hi-Com Triac |
| Pages / Page | 12 / 9 — WeEn Semiconductors. BTA206X-800ET. 3Q Hi-Com Triac. 12. Package outline. … |
| File Format / Size | PDF / 592 Kb |
| Document Language | English |
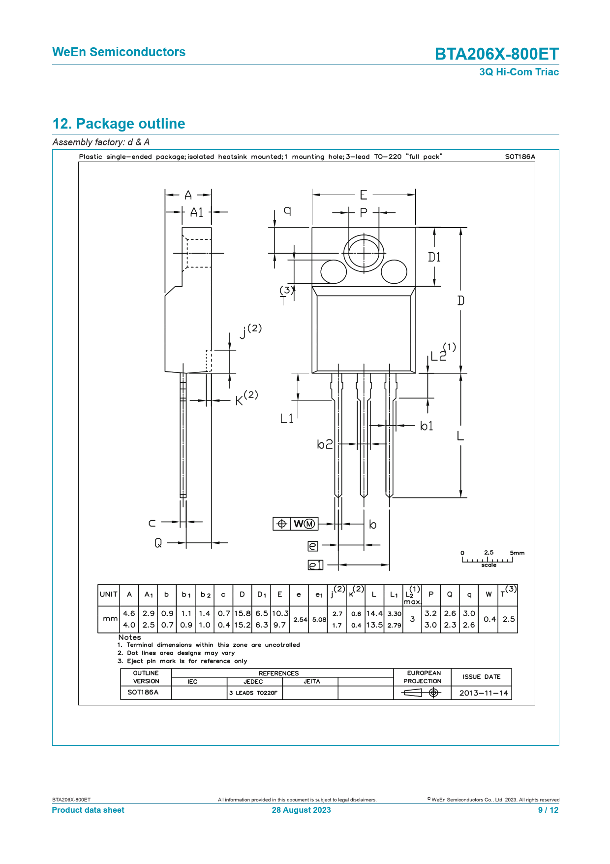
WeEn Semiconductors. BTA206X-800ET. 3Q Hi-Com Triac. 12. Package outline. Product data sheet. 28 August 2023. 9 / 12

Model Line for this Datasheet
Text Version of Document
WeEn Semiconductors BTA206X-800ET 3Q Hi-Com Triac 12. Package outline
Assembly factory: d & A BTA206X-800ET All information provided in this document is subject to legal disclaimers. © WeEn Semiconductors Co., Ltd. 2023. All rights reserved
Product data sheet 28 August 2023 9 / 12
Document Outline 1. General description 2. Features and benefits 3. Applications 4. Quick reference data 5. Pinning information 6. Ordering information 7. Marking 8. Limiting values 9. Thermal characteristics 10. Isolation characteristics 11. Characteristics 12. Package outline 13. Legal information 14. Contents