Datasheet SSA23L, SSA24 (Vishay) - 4

ManufacturerVishay
DescriptionHigh Current Density Surface-Mount Schottky Rectifier
Pages / Page5 / 4 — SSA23L, SSA24. PACKAGE OUTLINE DIMENSIONS. SMA (DO-214AC). Mounting Pad …
File Format / SizePDF / 134 Kb
Document LanguageEnglish

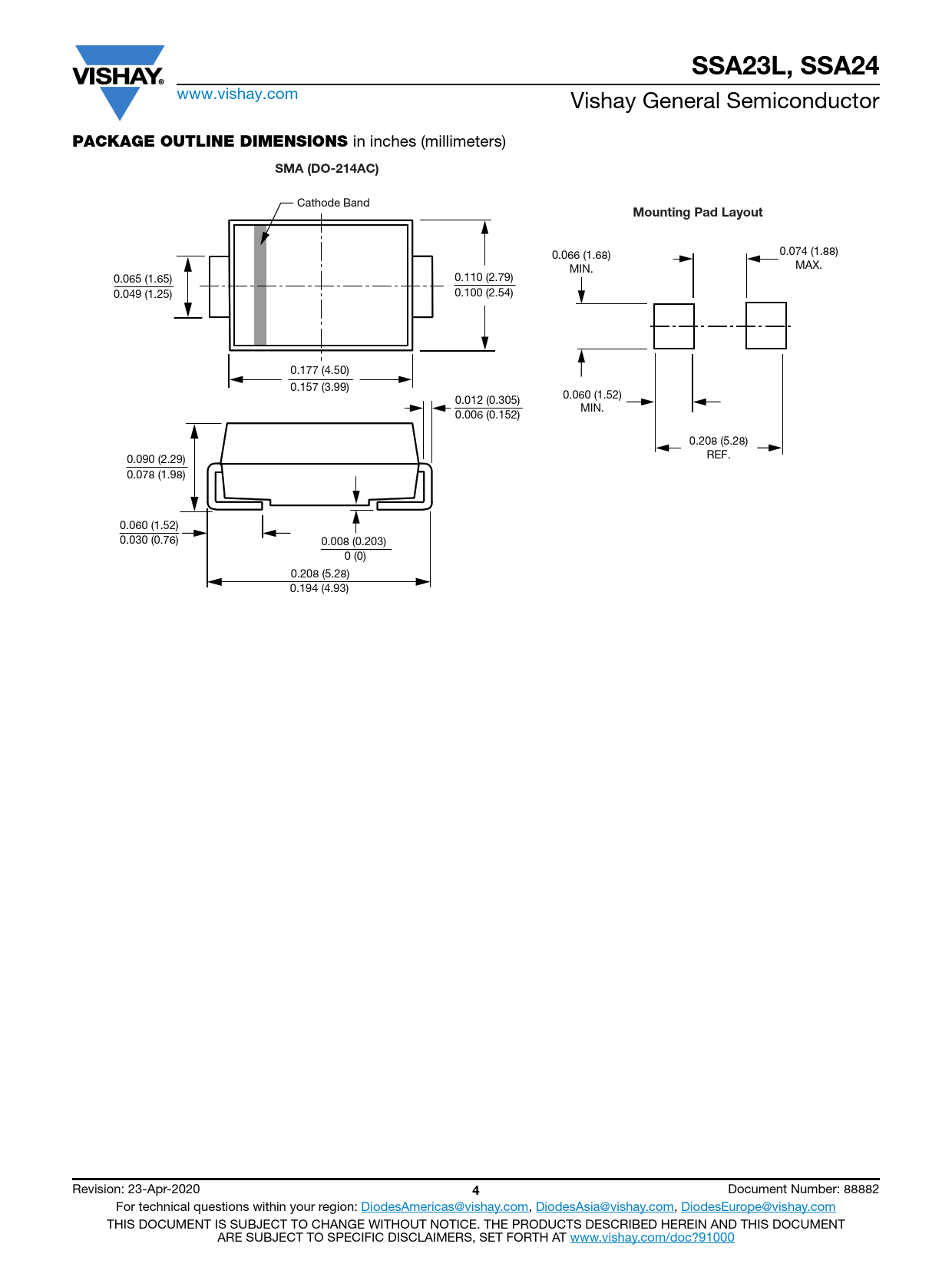
SSA23L, SSA24. PACKAGE OUTLINE DIMENSIONS. SMA (DO-214AC). Mounting Pad Layout

SSA23L, SSA24 PACKAGE OUTLINE DIMENSIONS SMA (DO-214AC) Mounting Pad Layout

Model Line for this Datasheet

Text Version of Document

SSA23L, SSA24
www.vishay.com Vishay General Semiconductor
PACKAGE OUTLINE DIMENSIONS
in inches (millimeters)
SMA (DO-214AC)
Cathode Band
Mounting Pad Layout
0.074 (1.88) 0.066 (1.68) MAX. MIN. 0.065 (1.65) 0.110 (2.79) 0.049 (1.25) 0.100 (2.54) 0.177 (4.50) 0.157 (3.99) 0.060 (1.52) 0.012 (0.305) MIN. 0.006 (0.152) 0.208 (5.28) REF. 0.090 (2.29) 0.078 (1.98) 0.060 (1.52) 0.030 (0.76) 0.008 (0.203) 0 (0) 0.208 (5.28) 0.194 (4.93) Revision: 23-Apr-2020
4
Document Number: 88882 For technical questions within your region: DiodesAmericas@vishay.com, DiodesAsia@vishay.com, DiodesEurope@vishay.com THIS DOCUMENT IS SUBJECT TO CHANGE WITHOUT NOTICE. THE PRODUCTS DESCRIBED HEREIN AND THIS DOCUMENT ARE SUBJECT TO SPECIFIC DISCLAIMERS, SET FORTH AT www.vishay.com/doc?91000