Datasheet ADG801, ADG802 (Analog Devices) - 10
| Manufacturer | Analog Devices |
| Description | <0.4 Ω CMOS 1.8 V to 5.5 V SPST Switches |
| Pages / Page | 16 / 10 — ADG801/ADG802. Data Sheet. TEST CIRCUITS. IDS. RON = V1/IDS. IS (OFF). ID … |
| File Format / Size | PDF / 299 Kb |
| Document Language | English |
ADG801/ADG802. Data Sheet. TEST CIRCUITS. IDS. RON = V1/IDS. IS (OFF). ID (OFF). ID (ON). NC = NO CONNECT. VDD. 0.1µF. VIN ADG801. 50%. OUT. VIN

Model Line for this Datasheet
Text Version of Document
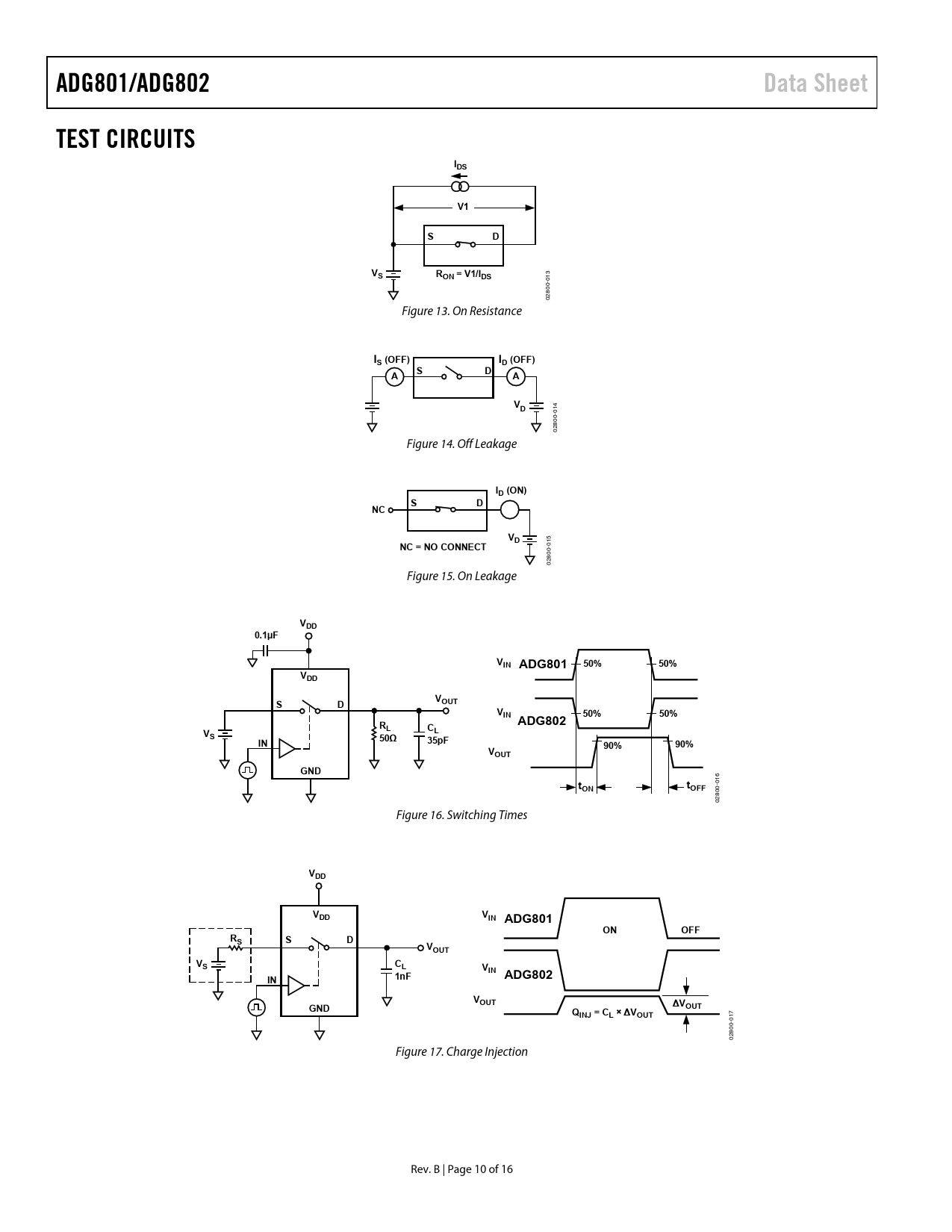
ADG801/ADG802 Data Sheet TEST CIRCUITS IDS V1 S D VS RON = V1/IDS
13 -0 00 28 0 Figure 13. On Resistance
IS (OFF) ID (OFF) S D A A VD
4 01 0- 80 02 Figure 14. Off Leakage
ID (ON) S D NC A VD
15
NC = NO CONNECT
0 00- 28 0 Figure 15. On Leakage
VDD 0.1µF VIN ADG801 50% 50% VDD V S D OUT VIN 50% 50% ADG802 R C V L L S IN 50Ω 35pF 90% 90% VOUT GND
6
t t
01
ON OFF
0- 80 02 Figure 16. Switching Times
VDD VDD VIN ADG801 ON OFF RS S D VOUT VS CL VIN 1nF ADG802 IN VOUT ∆V GND OUT QINJ = CL × ∆VOUT
17 0 0- 80 02 Figure 17. Charge Injection Rev. B | Page 10 of 16 Document Outline FEATURES APPLICATIONS GENERAL DESCRIPTION FUNCTIONAL BLOCK DIAGRAM PRODUCT HIGHLIGHTS TABLE OF CONTENTS REVISION HISTORY SPECIFICATIONS ABSOLUTE MAXIMUM RATINGS ESD CAUTION PIN CONFIGURATIONS AND FUNCTION DESCRIPTIONS TYPICAL PERFORMANCE CHARACTERISTICS TERMINOLOGY TEST CIRCUITS OUTLINE DIMENSIONS ORDERING GUIDE