Datasheet FL7701 (ON Semiconductor) - 2
| Manufacturer | ON Semiconductor |
| Description | Smart LED Lamp Driver IC with PFC Function |
| Pages / Page | 12 / 2 — FL7701. APPLICATION DIAGRAM. Figure 1. Typical Application. BLOCK … |
| File Format / Size | PDF / 1.2 Mb |
| Document Language | English |
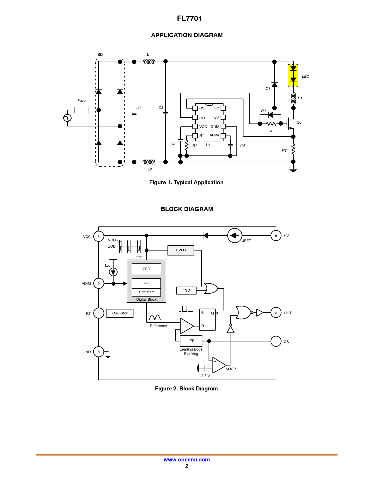
FL7701. APPLICATION DIAGRAM. Figure 1. Typical Application. BLOCK DIAGRAM. Figure 2. Block Diagram. www.onsemi.com

Model Line for this Datasheet
Text Version of Document
FL7701 APPLICATION DIAGRAM
BD L1 LED D1 L3 Fuse C1 C2 CS HV D2 OUT NV Q1 VCC GND R2 RT ADIM C3 R1 U1 C4 R3 L2
Figure 1. Typical Application BLOCK DIAGRAM
VCC 3 8 HV VCC JFET ZCD UVLO time IAD ZCD ADIM 5 DAC TSD Soft start Digital Block RT 4 Oscillator S Q 2 OUT − Reference R + LEB 1 CS Leading Edge GND 6 Blanking − + AOCP 2.5 V
Figure 2. Block Diagram www.onsemi.com 2