Datasheet NCL30001 (ON Semiconductor) - 2
| Manufacturer | ON Semiconductor |
| Description | High-Efficiency Single Stage Power Factor Correction and Step-Down Offline LED Driver |
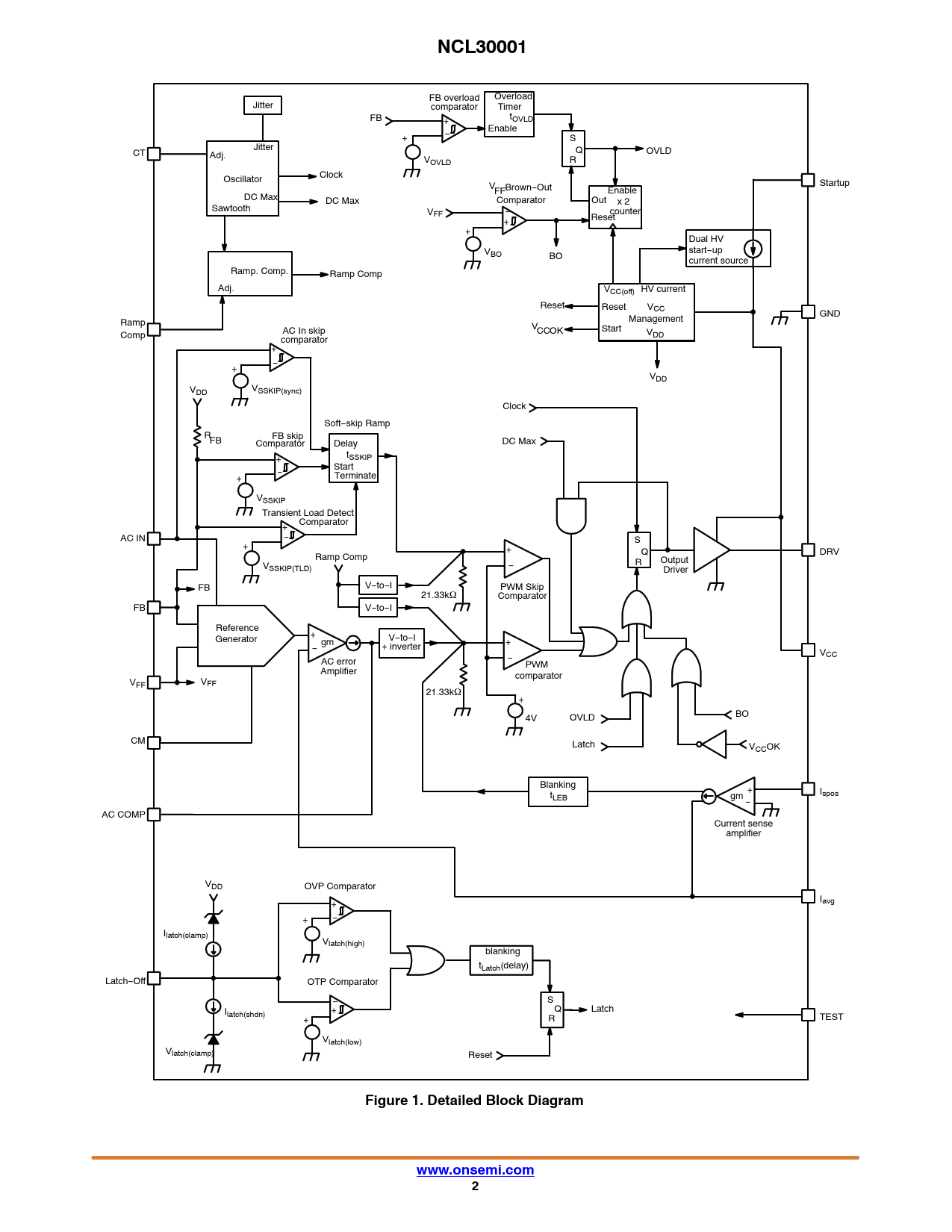
| Pages / Page | 33 / 2 — NCL30001. Figure 1. Detailed Block Diagram. www.onsemi.com |
| File Format / Size | PDF / 405 Kb |
| Document Language | English |
NCL30001. Figure 1. Detailed Block Diagram. www.onsemi.com

Model Line for this Datasheet
Text Version of Document
NCL30001
FB overload Overload Jitter comparator Timer FB + tOVLD − Enable + S Jitter CT Adj. Q OVLD VOVLD R Oscillator Clock Startup VFF Brown−Out Enable DC Max DC Max Comparator Out x 2 Sawtooth V − counter FF Reset + + Dual HV V start−up BO BO current source Ramp. Comp. Ramp Comp Adj. VCC(off) HV current Reset Reset VCC Management GND Ramp V AC In skip Start CC OK V Comp DD comparator + − + VDD V V DD SSKIP(sync) Clock Soft−skip Ramp RFB FB skip Comparator Delay DC Max + tSSKIP − Start + Terminate VSSKIP Transient Load Detect + Comparator AC IN − S + + Q DRV Ramp Comp R Output V − SSKIP(TLD) Driver V−to−I FB PWM Skip 21.33kW Comparator FB V−to−I Reference Generator + V−to−I − gm + inverter + VCC − AC error PWM Amplifier comparator VFF VFF 21.33kW + 4V BO OVLD CM Latch VCCOK Blanking + Ispos tLEB gm − AC COMP Current sense amplifier VDD OVP Comparator + Iavg − + Ilatch(clamp) Vlatch(high) blanking tLatch(delay) Latch−Off OTP Comparator − S I + Q Latch latch(shdn) + R TEST Vlatch(low) Vlatch(clamp) Reset
Figure 1. Detailed Block Diagram www.onsemi.com 2