Datasheet AOD5B65M1 (Alpha & Omega) - 9
| Manufacturer | Alpha & Omega |
| Description | 650V, 5A Alpha IGBT With Soft And Fast Recovery Anti-Parallel Diode |
| Pages / Page | 9 / 9 — www.aosmd.com |
| File Format / Size | PDF / 1.1 Mb |
| Document Language | English |
www.aosmd.com

Model Line for this Datasheet
Text Version of Document
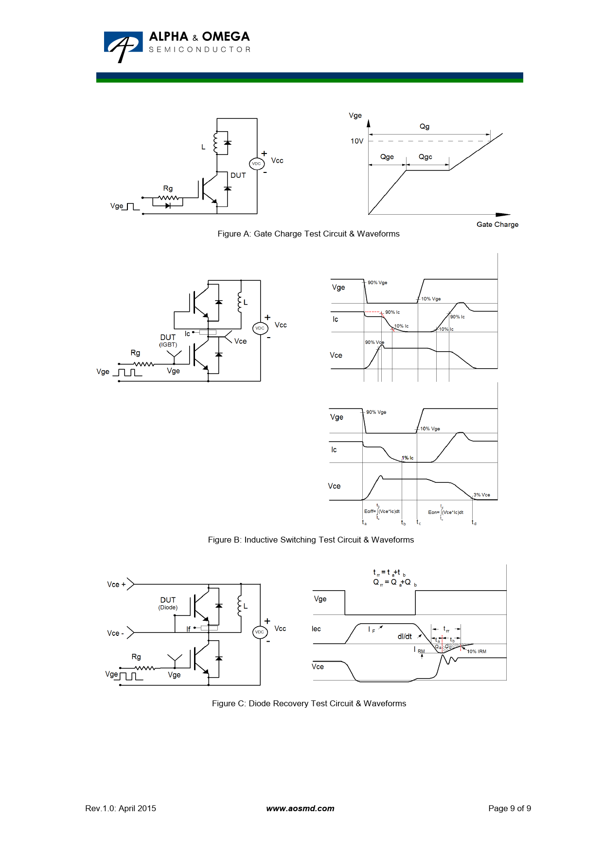
Figure A: Gate Charge Test Circuit & Waveforms Figure B: Inductive Switching Test Circuit & Waveforms Figure C: Diode Recovery Test Circuit & Waveforms Rev.1.0: April 2015
www.aosmd.com
Page 9 of 9