Datasheet MAT04 (Analog Devices) - 10

ManufacturerAnalog Devices
DescriptionMatched Monolithic Quad Transistor
Pages / Page12 / 10 — MAT04. VOLTAGE-CONTROLLED ATTENUATOR
File Format / SizePDF / 874 Kb
Document LanguageEnglish

MAT04. VOLTAGE-CONTROLLED ATTENUATOR

MAT04 VOLTAGE-CONTROLLED ATTENUATOR

Model Line for this Datasheet

Text Version of Document

MAT04
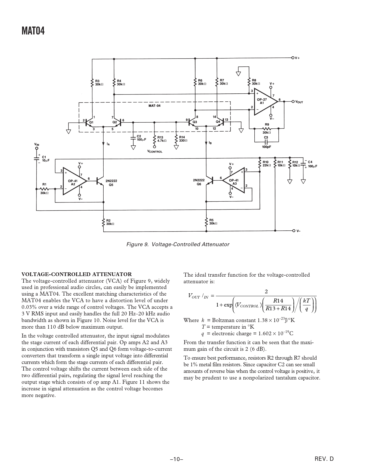
Figure 9. Voltage-Controlled Attenuator
VOLTAGE-CONTROLLED ATTENUATOR
The ideal transfer function for the voltage-controlled The voltage-controlled attenuator (VCA) of Figure 9, widely attenuator is: used in professional audio circles, can easily be implemented using a MAT04. The excellent matching characteristics of the 2 V / = OUT IN MAT04 enables the VCA to have a distortion level of under   R14   kT  1 + 0.03% over a wide range of control voltages. The VCA accepts a exp V ( ) CONTROL   R13 + R14  q  3 V RMS input and easily handles the full 20 Hz–20 kHz audio bandwidth as shown in Figure 10. Noise level for the VCA is Where k = Boltzman constant 1.38 × 10–23J/°K more than 110 dB below maximum output. T = temperature in °K In the voltage controlled attenuator, the input signal modulates q = electronic charge = 1.602 × 10–19C the stage current of each differential pair. Op amps A2 and A3 From the transfer function it can be seen that the maxi- in conjunction with transistors Q5 and Q6 form voltage-to-current mum gain of the circuit is 2 (6 dB). converters that transform a single input voltage into differential To ensure best performance, resistors R2 through R7 should currents which form the stage currents of each differential pair. be 1% metal film resistors. Since capacitor C2 can see small The control voltage shifts the current between each side of the amounts of reverse bias when the control voltage is positive, it two differential pairs, regulating the signal level reaching the may be prudent to use a nonpolarized tantalum capacitor. output stage which consists of op amp A1. Figure 11 shows the increase in signal attenuation as the control voltage becomes more negative. –10– REV. D