Datasheet 2N1613 (CDIL) - 3

ManufacturerCDIL
Description50V, 500mA NPN Silicon Planar Epitaxial Transistors in TO-39 package
Pages / Page4 / 3 — 2N1613. TO-39 Metal Can Package. Packing Detail. PACKAGE. STANDARD PACK. …
File Format / SizePDF / 145 Kb
Document LanguageEnglish

2N1613. TO-39 Metal Can Package. Packing Detail. PACKAGE. STANDARD PACK. INNER CARTON BOX. OUTER CARTON BOX. Details. Net Weight/Qty

2N1613 TO-39 Metal Can Package Packing Detail PACKAGE STANDARD PACK INNER CARTON BOX OUTER CARTON BOX Details Net Weight/Qty

Model Line for this Datasheet

Text Version of Document

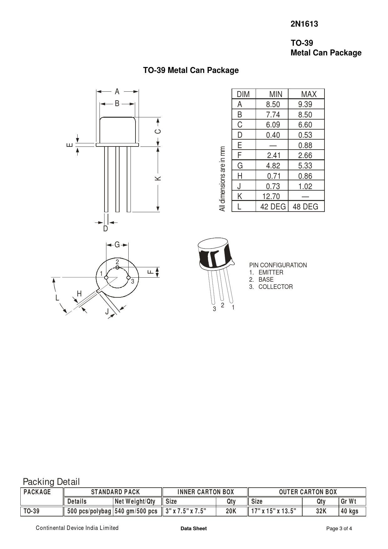
2N1613 TO-39 Metal Can Package TO-39 Metal Can Package
A DIM MIN MAX B A 8.50 9.39 B 7.74 8.50 C 6.09 6.60 C D 0.40 0.53 E m E — 0.88 n m F 2.41 2.66 e i G 4.82 5.33 H 0.71 0.86 K J 0.73 1.02 ensions ar m K 12.70 — Al di L 42 DEG 48 DEG D G 2 PIN CONFIGURATION 1 F 1. EMITTER 2. BASE 3 3. COLLECTOR L H 2 1 3 J
Packing Detail PACKAGE STANDARD PACK INNER CARTON BOX OUTER CARTON BOX Details Net Weight/Qty Size Qty Size Qty Gr Wt TO-39 500 pcs/polybag 540 gm/500 pcs 3" x 7.5" x 7.5" 20K 17" x 15" x 13.5" 32K 40 kgs
Continental Device India Limited
Data Sheet
Page 3 of 4