News
Articles
Biblio
Circuits
Datasheets
Sites
Devices
Prices
More
News
Articles
Biblio
Datasheets
Sites
Devices
e-Newsletter Subscription
Authors
Only-Datasheet.com
About us
For Authors
Cooperation
Advertising
Contacts
ru - Русский
de - Deutsch
es - Espanol
zh - 中文
Search
Datasheets
Datasheet RFPC-SMA27-F (GCT)
Datasheet RFPC-SMA27-F (GCT)
Manufacturer
GCT
Description
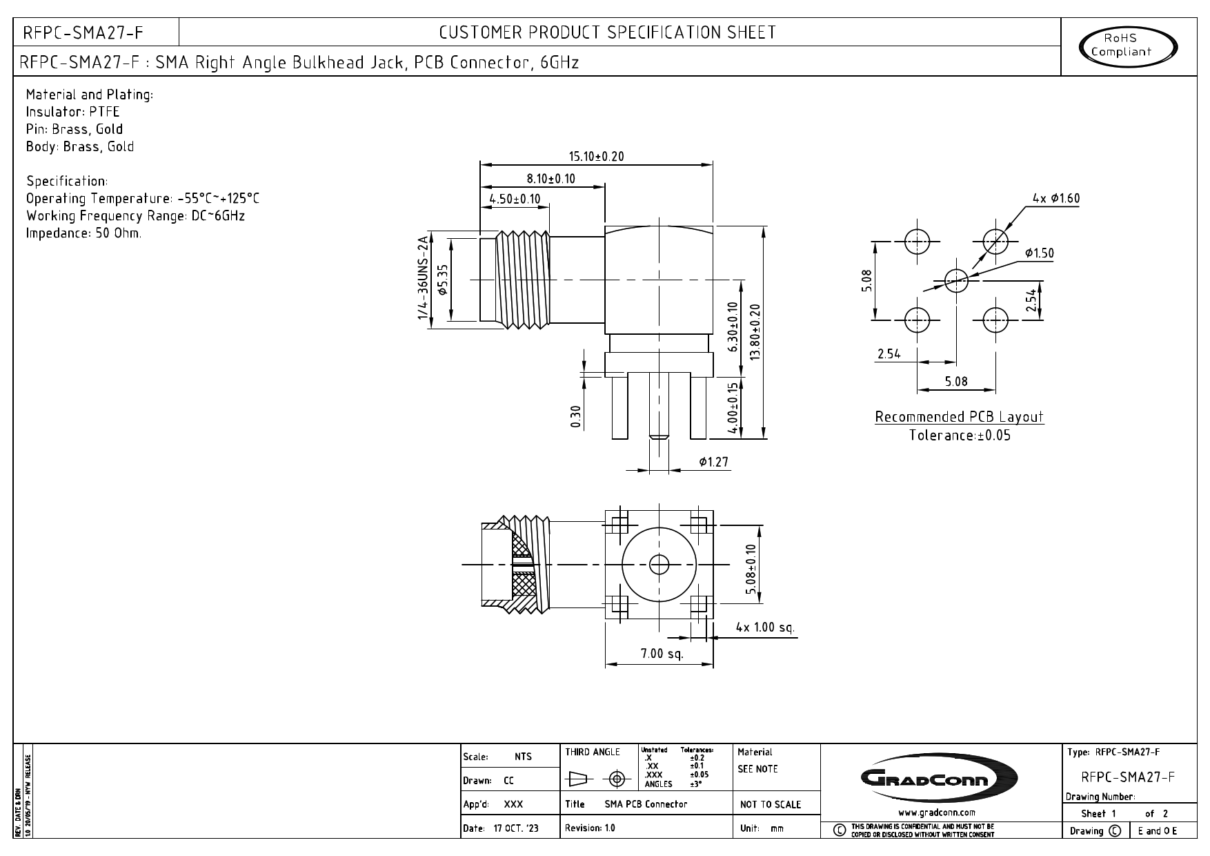
SMA Right Angle Jack Brass - Gold Plated Standard Polarity PCB Through Hole Unrated
Pages / Page
2
/
1
File Format / Size
PDF
/
110 Kb
Document Language
English
1
2
Download PDF
1
2
Model Line for this Datasheet
RFPC-SMA27-F
Subscribe e-Newsletter to Stay Informed on New Materials of Our Website!
Slices
Microcontrollers
e-Newsletter Subscription
Contacts
Privacy Policy
Change Privacy Settings