Datasheet LM4780, LM4780TABD (Texas Instruments) - 8
| Manufacturer | Texas Instruments |
| Description | Overture Audio Power Amplifier Series Stereo 60W, Mono 120W Audio Power Amplifier with Mute |
| Pages / Page | 31 / 8 — LM4780,. LM4780TABD. www.ti.com. Single Supply Application Circuit. … |
| Revision | B |
| File Format / Size | PDF / 1.4 Mb |
| Document Language | English |
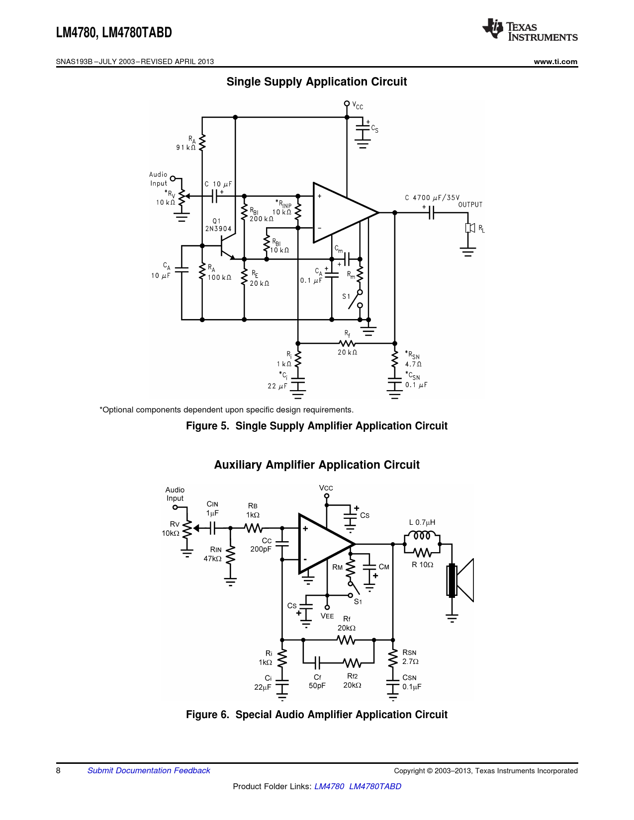
LM4780,. LM4780TABD. www.ti.com. Single Supply Application Circuit. Figure 5. Single Supply Amplifier Application Circuit

Model Line for this Datasheet
Text Version of Document
LM4780, LM4780TABD
SNAS193B – JULY 2003 – REVISED APRIL 2013
www.ti.com Single Supply Application Circuit
*Optional components dependent upon specific design requirements.
Figure 5. Single Supply Amplifier Application Circuit Auxiliary Amplifier Application Circuit Figure 6. Special Audio Amplifier Application Circuit
8 Submit Documentation Feedback Copyright © 2003–2013, Texas Instruments Incorporated Product Folder Links: LM4780 LM4780TABD Document Outline Features Applications Key Specifications Description Typical Application Connection Diagram Absolute Maximum Ratings Operating Ratings Electrical Characteristics Bridged Amplifier Application Circuit Parallel Amplifier Application Circuit Single Supply Application Circuit Auxiliary Amplifier Application Circuit External Components Description Optional External Component Interaction Typical Performance Characteristics Application Information MUTE MODE UNDER-VOLTAGE PROTECTION OVER-VOLTAGE PROTECTION SPiKe PROTECTION THERMAL PROTECTION DETERMlNlNG MAXIMUM POWER DISSIPATION DETERMINING THE CORRECT HEAT SINK SUPPLY BYPASSING BRIDGED AMPLIFIER APPLICATION PARALLEL AMPLIFIER APPLICATION SINGLE-SUPPLY AMPLIFIER APPLICATION CLICKS AND POPS PROPER SELECTION OF EXTERNAL COMPONENTS HIGH PERFORMANCE CONSIDERATIONS SIGNAL-TO-NOISE RATIO LEAD INDUCTANCE PHYSICAL IC MOUNTING CONSIDERATIONS LAYOUT, GROUND LOOPS AND STABILITY REACTIVE LOADING INVERTING AMPLIFIER APPLICATION LM4780 REFERENCE BOARD ARTWORK Bill Of Materials For Reference Pcb Revision History Page 1