Datasheet Schematics Nicla Sense ME (Arduino) - 5
| Manufacturer | Arduino |
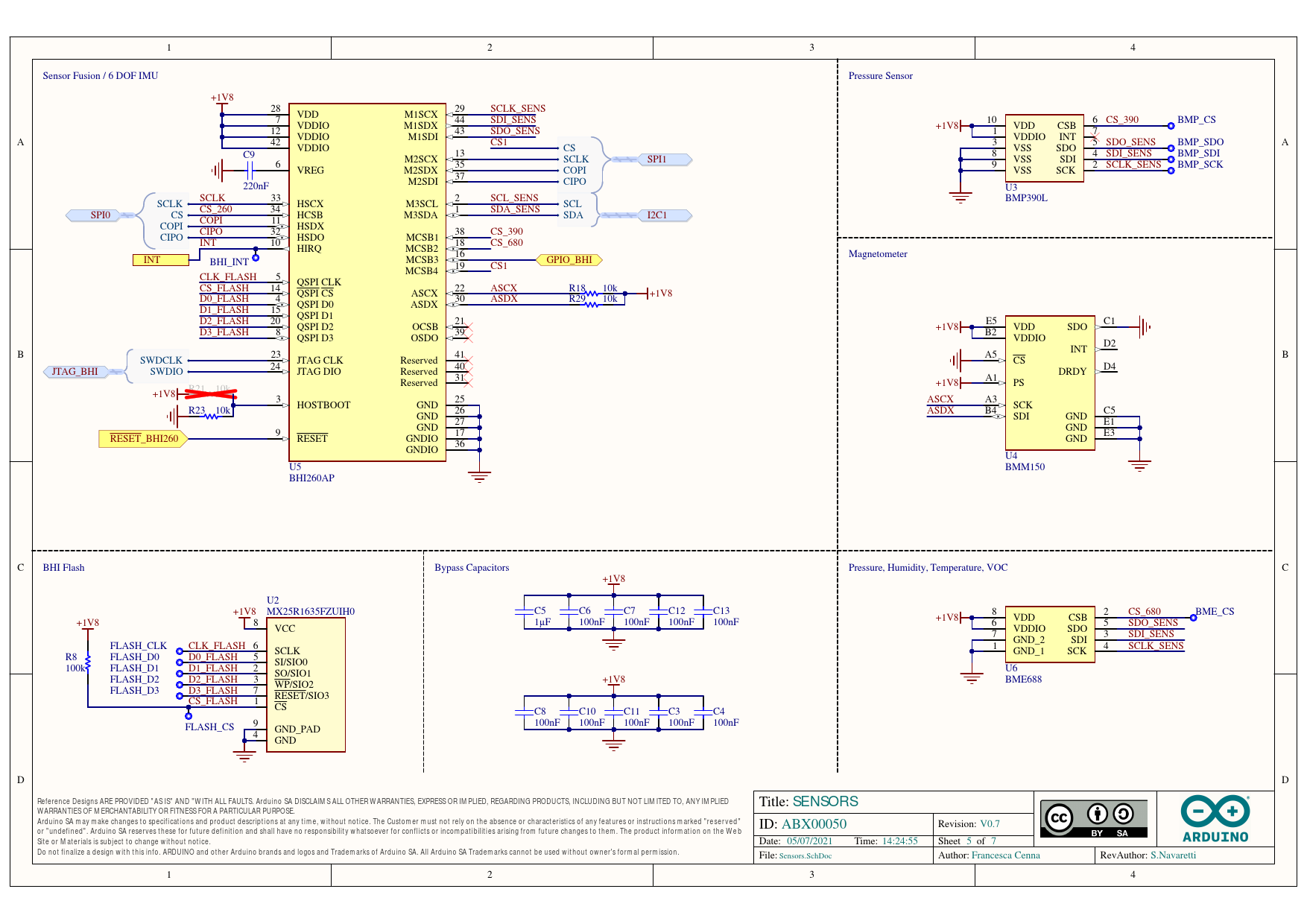
| Description | The Nicla Sense ME houses 4 low power sensors in a small footprint enabling powerful data fusion capabilities on the edge. |
| Pages / Page | 7 / 5 — SENSORS |
| File Format / Size | PDF / 1.6 Mb |
| Document Language | English |
SENSORS

Text Version of Document
link to page 1 link to page 1 link to page 1 link to page 1 link to page 1 link to page 1 link to page 1 1 2 3 4 Sensor Fusion / 6 DOF IMU Pressure Sensor +1V8 28 29 SCLK_SENS VDD M1SCX 7 44 SDI_SENS 10 6 CS_390 BMP_CS VDDIO M1SDX +1V8 VDD CSB 12 43 SDO_SENS 1 7 VDDIO M1SDI VDDIO INT A 42 CS1 3 5 SDO_SENS BMP_SDO A VDDIO CS VSS SDO C9 13 8 4 SDI_SENS BMP_SDI M2SCX SCLK SPI1 VSS SDI 6 35 9 2 SCLK_SENS BMP_SCK VREG M2SDX COPI VSS SCK 37 M2SDI 220nF CIPO U3 SCLK 33 2 SCL_SENS BMP390L SCLK HSCX M3SCL SCL CS_260 34 1 SDA_SENS SPI0 CS HCSB M3SDA SDA I2C1 COPI 11 COPI HSDX CIPO 32 38 CS_390 CIPO HSDO MCSB1 INT 10 18 CS_680 HIRQ MCSB2 16 Magnetometer INT MCSB3 GPIO_BHI BHI_INT 19 CS1 MCSB4 CLK_FLASH 5 QSPI CLK CS_FLASH 14 22 ASCX R18 10k QSPI CS ASCX +1V8 D0_FLASH 4 30 ASDX R29 10k QSPI D0 ASDX D1_FLASH 15 QSPI D1 D2_FLASH 20 21 E5 C1 QSPI D2 OCSB +1V8 VDD SDO D3_FLASH 8 39 B2 QSPI D3 OSDO VDDIO D2 INT B 23 41 A5 B SWDCLK JTAG CLK Reserved CS 24 40 D4 JTAG_BHI SWDIO JTAG DIO Reserved DRDY 31 A1 Reserved +1V8 PS R21 10k +1V8 3 25 ASCX A3 HOSTBOOT GND SCK R23 10k 26 ASDX B4 C5 GND SDI GND 27 E1 GND GND 9 17 E3 RESET_BHI260 RESET GNDIO GND 36 GNDIO U4 U5 BMM150 BHI260AP C BHI Flash Bypass Capacitors Pressure, Humidity, Temperature, VOC C +1V8 U2 +1V8 MX25R1635FZUIH0 C5 C6 C7 C12 C13 8 2 CS_680 BME_CS +1V8 VDD CSB +1V8 8 1µF 100nF 100nF 100nF 100nF 6 5 SDO_SENS VCC VDDIO SDO 7 3 SDI_SENS GND_2 SDI FLASH_CLK CLK_FLASH 6 1 4 SCLK_SENS SCLK GND_1 SCK R8 FLASH_D0 D0_FLASH 5 SI/SIO0 100k FLASH_D1 D1_FLASH 2 U6 SO/SIO1 FLASH_D2 D2_FLASH 3 +1V8 BME688 WP/SIO2 FLASH_D3 D3_FLASH 7 RESET/SIO3 CS_FLASH 1 CS C8 C10 C11 C3 C4 9 100nF 100nF 100nF 100nF 100nF FLASH_CS GND_PAD 4 GND D D Reference Designs ARE PROVIDED "AS IS" AND "WITH ALL FAULTS. Arduino SA DISCLAIMS ALL OTHER WARRANTIES, EXPRESS OR IMPLIED, REGARDING PRODUCTS, INCLUDING BUT NOT LIMITED TO, ANY IMPLIED Title:
SENSORS
WARRANTIES OF MERCHANTABILITY OR FITNESS FOR A PARTICULAR PURPOSE. Arduino SA may make changes to specifications and product descriptions at any time, without notice. The Customer must not rely on the absence or characteristics of any features or instructions marked "reserved" ID: ABX00050 Revision: V0.7 or "undefined". Arduino SA reserves these for future definition and shall have no responsibility whatsoever for conflicts or incompatibilities arising from future changes to them. The product information on the Web Site or Materials is subject to change without notice. Date: 05/07/2021 Time: 14:24:55 Sheet 5 of 7 Do not finalize a design with this info. ARDUINO and other Arduino brands and logos and Trademarks of Arduino SA. All Arduino SA Trademarks cannot be used without owner's formal permission. File: Sensors.SchDoc Author: Francesca Cenna RevAuthor: S.Navaretti 1 2 3 4 Document Outline Schematic Prints("All Documents",Physical) TOP.SchDoc(TOP) ANNAB112_BQ.SchDoc(ANNA-B112) Components C2 C2-1 C2-2 C17 C17-1 C17-2 DL1 DL1-1 DL1-2 DL1-3 DL1-4 MD1 MD1-1 MD1-2 MD1-3 MD1-4 MD1-5 MD1-6 MD1-7 MD1-8 MD1-9 MD1-10 MD1-11 MD1-12 MD1-13 MD1-14 MD1-15 MD1-16 MD1-17 MD1-18 MD1-19 MD1-20 MD1-21 MD1-22 MD1-23 MD1-24 MD1-25 MD1-26 MD1-27 MD1-28 MD1-29 MD1-30 MD1-31 MD1-32 MD1-33 MD1-34 MD1-35 MD1-36 MD1-37 MD1-38 MD1-39 MD1-40 MD1-41 MD1-42 MD1-43 MD1-44 MD1-45 MD1-46 MD1-47 MD1-48 MD1-49 MD1-50 MD1-51 MD1-52 MD1-RSVD_GPIO26 MD1-RSVD_GPIO47 MD1-RSVD_GPIO52 MD1-RSVD_VBUS R3 R3-1 R3-2 R4 R4-1 R4-2 R6 R6-1 R6-2 R7 R7-1 R7-2 R9 R9-1 R9-2 R10 R10-1 R10-2 R11 R11-1 R11-2 R12 R12-1 R12-2 R13 R13-1 R13-2 R31 R31-1 R31-2 R32 R32-1 R32-2 U7 U7-1 U7-2 U7-3 U7-4 U7-5 U7-6 U7-7 U7-8 U7-9 U8 U8-A1 U8-A2 U8-B1 U8-B2 U8-C1 U8-C2 U8-D1 U8-D2 Y1 Y1-1 Y1-2 Y1-3 Y1-4 Nets +1V8 Pins C2-2 C17-1 MD1-9 R3-2 R4-2 R6-2 R7-2 R10-2 R11-2 R12-2 R13-2 U7-3 U7-8 Y1-3 BLUE Pins DL1-3 U8-B2 NetLabels BLUE CIPO0 Pins MD1-23 U7-2 NetLabels CIPO0 CIPO0 Ports CIPO0 CIPO1 Pins MD1-28 NetLabels CIPO1 Ports CIPO1 CLK_32.768k Pins MD1-17 Y1-2 NetLabels CLK_32.768k CLK_32.768k COPI0 Pins MD1-24 U7-5 NetLabels COPI0 COPI0 Ports COPI0 COPI1 Pins MD1-29 NetLabels COPI1 Ports COPI1 CS0 Pins MD1-25 NetLabels CS0 Ports CS0 CS1 Pins MD1-27 NetLabels CS1 Ports CS1 CS_FLASH Pins MD1-31 R7-1 U7-1 NetLabels CS_FLASH CS_FLASH DR_N Pins MD1-33 R32-2 NetLabels DR_N DR_P Pins MD1-32 R31-2 NetLabels DR_P GND Pins C2-1 C17-2 MD1-2 MD1-3 MD1-4 MD1-7 MD1-8 MD1-10 MD1-11 MD1-18 MD1-41 MD1-42 MD1-43 MD1-44 MD1-46 MD1-47 MD1-48 MD1-49 MD1-50 MD1-51 MD1-52 U7-4 U7-9 U8-D1 Y1-1 Y1-4 GPIO21 Pins MD1-21 NetLabels GPIO21 Ports GPIO21 GPIO22 Pins MD1-22 NetLabels GPIO22 Ports GPIO22 GPIO35 Pins MD1-35 R3-1 NetLabels GPIO35 GPIO35 Ports GPIO35 GPIO38 Pins MD1-38 NetLabels GPIO38 Ports GPIO38 GPIO45 Pins MD1-45 NetLabels GPIO45 Ports GPIO45 GREEN Pins DL1-4 U8-C2 NetLabels GREEN NetMD1_1 Pins MD1-1 NetMD1_5 Pins MD1-5 MD1-6 NetMD1_12 Pins MD1-12 R6-1 Ports NetMD1_12 NetMD1_13 Pins MD1-13 Ports NetMD1_13 NetMD1_16 Pins MD1-16 Ports NetMD1_16 NetMD1_20 Pins MD1-20 Ports NetMD1_20 NetMD1_26 Pins MD1-26 Ports NetMD1_26 NetMD1_30 Pins MD1-30 Ports NetMD1_30 NetMD1_39 Pins MD1-39 Ports NetMD1_39 NetMD1_40 Pins MD1-40 Ports NetMD1_40 NetMD1_RSVD_GPIO26 Pins MD1-RSVD_GPIO26 NetMD1_RSVD_GPIO47 Pins MD1-RSVD_GPIO47 NetMD1_RSVD_GPIO52 Pins MD1-RSVD_GPIO52 NetMD1_RSVD_VBUS Pins MD1-RSVD_VBUS Ports NetMD1_RSVD_VBUS NetR9_2 Pins R9-2 U8-A1 NetR12_1 Pins R12-1 U7-7 NetR31_1 Pins R31-1 Ports NetR31_1 NetR32_1 Pins R32-1 Ports NetR32_1 RED Pins DL1-2 U8-D2 NetLabels RED SCL0 Pins MD1-15 R11-1 U8-C1 NetLabels SCL0 SCL0 SCL0 Ports SCL0 SCL1 Pins MD1-37 R13-1 NetLabels SCL1 SCL1 Ports SCL1 SCLK0 Pins MD1-19 U7-6 NetLabels SCLK0 SCLK0 Ports SCLK0 SCLK1 Pins MD1-34 NetLabels SCLK1 Ports SCLK1 SDA0 Pins MD1-14 R10-1 U8-B1 NetLabels SDA0 SDA0 SDA0 Ports SDA0 SDA1 Pins MD1-36 R4-1 NetLabels SDA1 SDA1 Ports SDA1 V_PMID Pins DL1-1 R9-1 U8-A2 Ports ADC1/GPIO20 ADC2/GPIO26(GPIO28) GPIO GPIO13 GPIO30(GPIO31) GPIO35(GPIO37) GPIO.GPIO0 GPIO.GPIO1 GPIO.GPIO2 GPIO.GPIO3 I2C0 I2C0.SCL I2C0.SDA I2C1 I2C1.SCL I2C1.SDA JTAG_ANNA JTAG_ANNA.SWDCLK JTAG_ANNA.SWDIO R\E\S\E\T\ SPI0 SPI0.CIPO SPI0.COPI SPI0.CS SPI0.SCLK SPI1 SPI1.CIPO SPI1.COPI SPI1.CS SPI1.SCLK SWO/GPIO16 USB USB.D_N USB.D_P USB.VBUS SAMD11 USB Bridge.SchDoc("U_USB Bridge") Components 3V3 3V3-X C18 C18-1 C18-2 C19 C19-1 C19-2 C20 C20-1 C20-2 C28 C28-1 C28-2 R28 R28-1 R28-2 R30 R30-1 R30-2 R34 R34-1 R34-2 R35 R35-1 R35-2 U1 U1-1 U1-2 U1-3 U1-4 U1-5 U1-6 U1-7 U1-8 U1-9 U1-10 U1-11 U1-12 U1-13 U1-14 U1-15 U1-16 U1-17 U1-18 U1-19 U1-20 U1-21 U1-22 U1-23 U1-24 U1-EXP U13 U13-A1 U13-A2 U13-A3 U13-B1 U13-B2 U13-B3 U13-C1 U13-C2 U13-C3 U13-D1 U13-D2 U13-D3 U14 U14-1 U14-2 U14-3 U14-4 U14-5 Nets +1V8 Pins C19-2 U13-B2 +3V3 Pins 3V3-X C18-1 C28-1 R28-1 R30-2 U1-24 U13-A2 U14-5 D_N Pins U1-21 NetLabels D_N D_N Ports D_N D_P Pins U1-22 NetLabels D_P D_P Ports D_P GND Pins C18-2 C19-1 C20-2 C28-2 R35-2 U1-23 U1-EXP U13-D2 U14-2 NetR28_2 Pins R28-2 U1-18 NetR34_1 Pins R34-1 R35-1 U13-C2 NetU1_5 Pins U1-5 NetU1_6 Pins U1-6 NetU1_8 Pins U1-8 NetU1_9 Pins U1-9 NetU1_10 Pins U1-10 NetU1_11 Pins U1-11 NetU1_12 Pins U1-12 NetU1_13 Pins U1-13 NetU1_14 Pins U1-14 NetU1_15 Pins U1-15 NetU1_16 Pins U1-16 NetU1_17 Pins U1-17 NetU13_A3 Pins U13-A3 Ports NetU13_A3 NetU13_B3 Pins U13-B3 Ports NetU13_B3 NetU13_C3 Pins U13-C3 Ports NetU13_C3 NetU13_D3 Pins U13-D3 Ports NetU13_D3 NetU14_4 Pins U14-4 OE Pins R34-2 U1-3 NetLabels OE OE PA02 Pins U1-1 U13-B1 NetLabels PA02 PA02 PA03 Pins U1-2 U13-A1 NetLabels PA03 PA03 PA05 Pins U1-4 U13-D1 NetLabels PA05 PA05 PA08 Pins U1-7 U13-C1 NetLabels PA08 PA08 SWCLK Pins U1-19 NetLabels SWCLK Ports SWCLK SWDIO Pins R30-1 U1-20 NetLabels SWDIO Ports SWDIO VBUS_USB Pins C20-1 U14-1 U14-3 Ports VBUS_USB Ports JTAG JTAG.SWDCLK JTAG.SWDIO PA02_1V8 PA03_1V8 RX_1V8 TX_1V8 USB USB.D_N USB.D_P USB.VBUS Connectors.SchDoc(Connectors) Components C16 C16-1 C16-2 C22 C22-1 C22-2 D2 D2-1 D2-2 D2-3 D2-4 D2-5 D2-6 DN DN-X DP DP-X J1 J1-1 J1-2 J1-3 J1-4 J1-5 J1-6 J1-7 J1-8 J2 J2-1 J2-2 J2-3 J2-4 J2-5 J2-6 J2-7 J2-8 J2-9 J2-P1 J2-P2 J2-P3 J2-P4 J2-P5 J2-P6 J2-P7 J2-P8 J3 J3-1 J3-2 J4 J4-1 J4-2 J4-3 J5 J5-1 J5-2 J5-3 J5-4 J5-5 J5-6 J5-7 J7 J7-1 J7-2 J7-3 J7-4 J7-5 J7-M1 J7-M2 J7-M3 J7-M4 J7-M5 J7-M6 R19 R19-1 R19-2 R20 R20-1 R20-2 R22 R22-1 R22-2 Nets +1V8 Pins J2-P7 D_N Pins D2-3 D2-4 DN-X J7-2 NetLabels D_N Ports D_N D_P Pins D2-1 D2-6 DP-X J7-3 NetLabels D_P Ports D_P GND Pins C16-2 C22-1 J2-6 J4-3 J5-5 J7-5 R22-1 GPIO0_EXT Pins J1-1 NetLabels GPIO0_EXT GPIO0_EXT Ports GPIO0_EXT GPIO1_EXT Pins J2-3 NetLabels GPIO1_EXT GPIO1_EXT Ports GPIO1_EXT GPIO2_EXT Pins J2-4 NetLabels GPIO2_EXT GPIO2_EXT Ports GPIO2_EXT GPIO3_EXT Pins J2-5 NetLabels GPIO3_EXT GPIO3_EXT Ports GPIO3_EXT NetC16_1 Pins C16-1 D2-2 J7-M1 J7-M2 J7-M3 J7-M4 J7-M5 J7-M6 R22-2 NetJ1_2 Pins J1-2 NetJ1_3 Pins J1-3 Ports NetJ1_3 NetJ1_4 Pins J1-4 Ports NetJ1_4 NetJ1_5 Pins J1-5 Ports NetJ1_5 NetJ1_6 Pins J1-6 Ports NetJ1_6 NetJ1_7 Pins J1-7 R20-1 NetJ1_8 Pins J1-8 R19-1 NetJ2_8 Pins J2-8 NetJ2_P1 Pins J2-P1 Ports NetJ2_P1 NetJ2_P2 Pins J2-P2 Ports NetJ2_P2 NetJ2_P3 Pins J2-P3 Ports NetJ2_P3 NetJ2_P4 Pins J2-P4 Ports NetJ2_P4 NetJ2_P5 Pins J2-P5 Ports NetJ2_P5 NetJ2_P6 Pins J2-P6 Ports NetJ2_P6 NetJ2_P8 Pins J2-P8 Ports NetJ2_P8 NetJ5_2 Pins J5-2 Ports NetJ5_2 NetJ5_6 Pins J5-6 NetJ5_7 Pins J5-7 NetJ7_4 Pins J7-4 NetR19_2 Pins R19-2 Ports NetR19_2 NetR20_2 Pins R20-2 Ports NetR20_2 NTC Pins J3-1 J4-2 NetLabels NTC NTC Ports NTC SCL1_EXT Pins J2-2 J5-3 NetLabels SCL1_EXT SCL1_EXT Ports SCL1_EXT SDA1_EXT Pins J2-1 J5-4 NetLabels SDA1_EXT SDA1_EXT Ports SDA1_EXT VBAT Pins C22-2 J3-2 J4-1 VBUS_USB Pins D2-5 J7-1 Ports VBUS_USB VDDIO_EXT Pins J2-7 VESLOV Pins J5-1 VIN_BQ25120 Pins J2-9 Ports \R\E\S\E\T\ ADC1 ADC2 GPIO_EXT GPIO_EXT.GPIO0 GPIO_EXT.GPIO1 GPIO_EXT.GPIO2 GPIO_EXT.GPIO3 I2C1_EXT I2C1_EXT.SCL I2C1_EXT.SDA INT_ESLOV_EXT JTAG_ANNA JTAG_ANNA.SWDCLK JTAG_ANNA.SWDIO JTAG_BHI JTAG_BHI.SWDCLK JTAG_BHI.SWDIO JTAG_SAMD11 JTAG_SAMD11.SWDCLK JTAG_SAMD11.SWDIO NTC SPI1_EXT SPI1_EXT.CIPO SPI1_EXT.COPI SPI1_EXT.CS SPI1_EXT.SCLK USB USB.D_N USB.D_P USB.VBUS Sensors.SchDoc(Sensors) Components BHI_INT BHI_INT-X BME_CS BME_CS-X BMP_CS BMP_CS-X BMP_SCK BMP_SCK-X BMP_SDI BMP_SDI-X BMP_SDO BMP_SDO-X C3 C3-1 C3-2 C4 C4-1 C4-2 C5 C5-1 C5-2 C6 C6-1 C6-2 C7 C7-1 C7-2 C8 C8-1 C8-2 C9 C9-1 C9-2 C10 C10-1 C10-2 C11 C11-1 C11-2 C12 C12-1 C12-2 C13 C13-1 C13-2 FLASH_CLK FLASH_CLK-X FLASH_CS FLASH_CS-X FLASH_D0 FLASH_D0-X FLASH_D1 FLASH_D1-X FLASH_D2 FLASH_D2-X FLASH_D3 FLASH_D3-X R8 R8-1 R8-2 R18 R18-1 R18-2 R21 R21-1 R21-2 R23 R23-1 R23-2 R29 R29-1 R29-2 U2 U2-1 U2-2 U2-3 U2-4 U2-5 U2-6 U2-7 U2-8 U2-9 U3 U3-1 U3-2 U3-3 U3-4 U3-5 U3-6 U3-7 U3-8 U3-9 U3-10 U4 U4-A1 U4-A3 U4-A5 U4-B2 U4-B4 U4-C1 U4-C5 U4-D2 U4-D4 U4-E1 U4-E3 U4-E5 U5 U5-1 U5-2 U5-3 U5-4 U5-5 U5-6 U5-7 U5-8 U5-9 U5-10 U5-11 U5-12 U5-13 U5-14 U5-15 U5-16 U5-17 U5-18 U5-19 U5-20 U5-21 U5-22 U5-23 U5-24 U5-25 U5-26 U5-27 U5-28 U5-29 U5-30 U5-31 U5-32 U5-33 U5-34 U5-35 U5-36 U5-37 U5-38 U5-39 U5-40 U5-41 U5-42 U5-43 U5-44 U6 U6-1 U6-2 U6-3 U6-4 U6-5 U6-6 U6-7 U6-8 Nets +1V8 Pins C3-2 C4-2 C5-2 C6-2 C7-2 C8-2 C10-2 C11-2 C12-2 C13-2 R8-2 R18-1 R21-2 R29-1 U2-8 U3-1 U3-10 U4-A1 U4-B2 U4-E5 U5-7 U5-12 U5-28 U5-42 U6-6 U6-8 ASCX Pins R18-2 U4-A3 U5-22 NetLabels ASCX ASCX ASDX Pins R29-2 U4-B4 U5-30 NetLabels ASDX ASDX C\S\_FLASH Pins FLASH_CS-X R8-1 U2-1 U5-14 NetLabels C\S\_FLASH C\S\_FLASH CIPO Pins U5-32 NetLabels CIPO Ports CIPO CLK_FLASH Pins FLASH_CLK-X U2-6 U5-5 NetLabels CLK_FLASH CLK_FLASH COPI Pins U5-11 NetLabels COPI Ports COPI CS1 Pins U5-19 NetLabels CS1 CS1 Ports CS1 CS_260 Pins U5-34 NetLabels CS_260 Ports CS_260 CS_390 Pins BMP_CS-X U3-6 U5-38 NetLabels CS_390 CS_390 CS_680 Pins BME_CS-X U5-18 U6-2 NetLabels CS_680 CS_680 D0_FLASH Pins FLASH_D0-X U2-5 U5-4 NetLabels D0_FLASH D0_FLASH D1_FLASH Pins FLASH_D1-X U2-2 U5-15 NetLabels D1_FLASH D1_FLASH D2_FLASH Pins FLASH_D2-X U2-3 U5-20 NetLabels D2_FLASH D2_FLASH D3_FLASH Pins FLASH_D3-X U2-7 U5-8 NetLabels D3_FLASH D3_FLASH GND Pins C3-1 C4-1 C5-1 C6-1 C7-1 C8-1 C9-1 C10-1 C11-1 C12-1 C13-1 R23-2 U2-4 U2-9 U3-3 U3-8 U3-9 U4-A5 U4-C1 U4-C5 U4-E1 U4-E3 U5-17 U5-25 U5-26 U5-27 U5-36 U6-1 U6-7 INT Pins BHI_INT-X U5-10 NetLabels INT Ports INT NetC9_2 Pins C9-2 U5-6 NetR21_1 Pins R21-1 R23-1 U5-3 NetU3_7 Pins U3-7 NetU4_D2 Pins U4-D2 NetU4_D4 Pins U4-D4 NetU5_9 Pins U5-9 Ports NetU5_9 NetU5_13 Pins U5-13 Ports NetU5_13 NetU5_16 Pins U5-16 Ports NetU5_16 NetU5_21 Pins U5-21 NetU5_23 Pins U5-23 Ports NetU5_23 NetU5_24 Pins U5-24 Ports NetU5_24 NetU5_31 Pins U5-31 NetU5_35 Pins U5-35 Ports NetU5_35 NetU5_37 Pins U5-37 Ports NetU5_37 NetU5_39 Pins U5-39 NetU5_40 Pins U5-40 NetU5_41 Pins U5-41 SCL_SENS Pins U5-2 NetLabels SCL_SENS Ports SCL_SENS SCLK Pins U5-33 NetLabels SCLK Ports SCLK SCLK_SENS Pins BMP_SCK-X U3-2 U5-29 U6-4 NetLabels SCLK_SENS SCLK_SENS SCLK_SENS SDA_SENS Pins U5-1 NetLabels SDA_SENS Ports SDA_SENS SDI_SENS Pins BMP_SDI-X U3-4 U5-44 U6-3 NetLabels SDI_SENS SDI_SENS SDI_SENS SDO_SENS Pins BMP_SDO-X U3-5 U5-43 U6-5 NetLabels SDO_SENS SDO_SENS SDO_SENS Ports \R\E\S\E\T\_BHI260 GPIO_BHI I2C1 I2C1.SCL I2C1.SDA INT JTAG_BHI JTAG_BHI.SWDCLK JTAG_BHI.SWDIO SPI0 SPI0.CIPO SPI0.COPI SPI0.CS SPI0.SCLK SPI1 SPI1.CIPO SPI1.COPI SPI1.CS SPI1.SCLK Power_bq.SchDoc(Power) Components C1 C1-1 C1-2 C14 C14-1 C14-2 C15 C15-1 C15-2 C21 C21-1 C21-2 D3 D3-A D3-C D4 D4-A D4-C L1 L1-1 L1-2 R1 R1-1 R1-2 R2 R2-1 R2-2 R5 R5-1 R5-2 R15 R15-1 R15-2 R16 R16-1 R16-2 R17 R17-1 R17-2 R24 R24-1 R24-2 R25 R25-1 R25-2 R26 R26-1 R26-2 R27 R27-1 R27-2 U9 U9-A1 U9-A2 U9-A3 U9-A4 U9-A5 U9-B1 U9-B2 U9-B3 U9-B4 U9-B5 U9-C1 U9-C2 U9-C3 U9-C4 U9-C5 U9-D1 U9-D2 U9-D3 U9-D4 U9-D5 U9-E1 U9-E2 U9-E3 U9-E4 U9-E5 Nets +1V8 Pins C15-2 L1-2 R1-1 R24-2 R25-1 R27-1 U9-B5 GND Pins C1-1 C14-1 C15-1 C21-1 R2-1 R5-1 R15-1 R17-1 R26-2 U9-A1 U9-A5 U9-D5 NetL1_1 Pins L1-1 U9-A4 NetR1_2 Pins R1-2 U9-D2 NetR2_2 Pins R2-2 U9-D1 NetR5_2 Pins R5-2 U9-C1 NetR15_2 Pins R15-2 U9-C2 NetR24_1 Pins R24-1 U9-D4 NetR25_2 Pins R25-2 U9-E2 Ports NetR25_2 NetR26_1 Pins R26-1 U9-E3 NetR27_2 Pins R27-2 U9-D3 NetU9_E1 Pins U9-E1 Ports NetU9_E1 NetU9_E4 Pins U9-E4 Ports NetU9_E4 NetU9_E5 Pins U9-E5 Ports NetU9_E5 NTC Pins R16-1 R17-2 U9-C3 NetLabels NTC Ports NTC V_PMID Pins C1-2 U9-A3 U9-B3 U9-B4 U9-C4 VBAT Pins U9-B1 U9-B2 VBUS_USB Pins D3-A VDDIO_EXT Pins C21-2 U9-C5 VESLOV Pins D4-A VIN_BQ25120 Pins C14-2 D3-C D4-C R16-2 U9-A2 Ports BQ_C\D\ I2C0 I2C0.SCL I2C0.SDA M\R\ NTC LevelShifters.SchDoc("Level Shifters") Components C23 C23-1 C23-2 C24 C24-1 C24-2 C25 C25-1 C25-2 C26 C26-1 C26-2 C27 C27-1 C27-2 R14 R14-1 R14-2 R33 R33-1 R33-2 U10 U10-1 U10-2 U10-3 U10-4 U10-5 U10-6 U11 U11-A1 U11-A2 U11-A3 U11-A4 U11-B1 U11-B2 U11-B3 U11-B4 U11-C1 U11-C2 U11-C3 U11-C4 U11-D1 U11-D2 U11-D3 U11-D4 U11-E1 U11-E2 U11-E3 U11-E4 U12 U12-A1 U12-A2 U12-A3 U12-B1 U12-B2 U12-B3 U12-C1 U12-C2 U12-C3 U12-D1 U12-D2 U12-D3 Nets +1V8 Pins C23-2 C25-2 U10-1 U11-C4 U12-B2 CIPO1 Pins U11-E4 NetLabels CIPO1 Ports CIPO1 CIPO1_EXT Pins U11-E1 NetLabels CIPO1_EXT Ports CIPO1_EXT COPI1 Pins U11-D3 NetLabels COPI1 Ports COPI1 COPI1_EXT Pins U11-D2 NetLabels COPI1_EXT Ports COPI1_EXT CS1 Pins U11-E3 NetLabels CS1 Ports CS1 CS1_EXT Pins U11-E2 NetLabels CS1_EXT Ports CS1_EXT GND Pins C23-1 C24-2 C25-1 C26-1 C27-1 R14-2 R33-2 U10-2 U10-5 U11-D1 U12-D2 GPIO0_EXT Pins U11-A2 NetLabels GPIO0_EXT Ports GPIO0_EXT GPIO1_EXT Pins U11-A1 NetLabels GPIO1_EXT Ports GPIO1_EXT GPIO2_EXT Pins U11-B2 NetLabels GPIO2_EXT Ports GPIO2_EXT GPIO3_EXT Pins U11-B1 NetLabels GPIO3_EXT Ports GPIO3_EXT GPIO21 Pins U11-B3 NetLabels GPIO21 Ports GPIO21 GPIO22 Pins U11-B4 NetLabels GPIO22 Ports GPIO22 GPIO38 Pins U11-A3 NetLabels GPIO38 Ports GPIO38 GPIO45 Pins U11-A4 NetLabels GPIO45 Ports GPIO45 NetU12_A1 Pins U12-A1 NetU12_A3 Pins U12-A3 NetU12_D1 Pins U12-D1 Ports NetU12_D1 NetU12_D3 Pins U12-D3 Ports NetU12_D3 OE Pins R14-1 U10-3 U11-D4 U12-C2 NetLabels OE OE OE SCL1 Pins U12-C3 NetLabels SCL1 Ports SCL1 SCL1_EXT Pins U12-C1 NetLabels SCL1_EXT Ports SCL1_EXT SCLK1 Pins U11-C3 NetLabels SCLK1 Ports SCLK1 SCLK1_EXT Pins U11-C2 NetLabels SCLK1_EXT Ports SCLK1_EXT SDA1 Pins U12-B3 NetLabels SDA1 Ports SDA1 SDA1_EXT Pins U12-B1 NetLabels SDA1_EXT Ports SDA1_EXT VDDIO_EXT Pins C24-1 C26-2 C27-2 R33-1 U10-4 U10-6 U11-C1 U12-A2 Ports GPIO GPIO.GPIO0 GPIO.GPIO1 GPIO.GPIO2 GPIO.GPIO3 GPIO_EXT GPIO_EXT.GPIO0 GPIO_EXT.GPIO1 GPIO_EXT.GPIO2 GPIO_EXT.GPIO3 I2C1 I2C1.SCL I2C1.SDA I2C1_EXT I2C1_EXT.SCL I2C1_EXT.SDA INT_ESLOV INT_ESLOV_EXT SPI1 SPI1.CIPO SPI1.COPI SPI1.CS SPI1.SCLK SPI1_EXT SPI1_EXT.CIPO SPI1_EXT.COPI SPI1_EXT.CS SPI1_EXT.SCLK Components D1 D1-A D1-C Fiducial_1 Fiducial_1-1 Fiducial_2 Fiducial_2-1 Fiducial_3 Fiducial_3-1 Fiducial_4 Fiducial_4-1 PB1 PB1-1 PB1-2 PB1-3 PB1-4 Nets \R\E\S\E\T\_BHI260 ADC1 ADC2 BQ_C\D\ GND Pins PB1-1 PB1-2 GPIO13 GPIO21 NetLabels GPIO21 GPIO21 GPIO22 NetLabels GPIO22 GPIO22 GPIO35(GPIO37) GPIO38 NetLabels GPIO38 GPIO38 GPIO45 NetLabels GPIO45 GPIO45 GPIO_EXT.GPIO0 GPIO_EXT.GPIO1 GPIO_EXT.GPIO2 GPIO_EXT.GPIO3 I2C0.SCL I2C0.SDA I2C1.SCL I2C1.SDA INT_ESLOV_EXT JTAG.SWDCLK JTAG.SWDIO JTAG_ANNA.SWDCLK JTAG_ANNA.SWDIO JTAG_BHI.SWDCLK JTAG_BHI.SWDIO NetD1_C Pins D1-C PB1-3 PB1-4 NetFiducial_1_1 Pins Fiducial_1-1 NetFiducial_2_1 Pins Fiducial_2-1 NetFiducial_3_1 Pins Fiducial_3-1 NetFiducial_4_1 Pins Fiducial_4-1 NTC R\E\S\E\T\ Pins D1-A NetLabels R\E\S\E\T\ R\E\S\E\T\ SPI0.CIPO SPI0.COPI SPI0.CS SPI0.SCLK SPI1.CIPO SPI1.COPI SPI1.CS SPI1.SCLK USB.D_N USB.D_P USB.VBUS