Datasheet CAT5113 - 7
| Description | 100‐tap Digital Potentiometer (POT) |
| Pages / Page | 13 / 7 — CAT5113. APPLICATIONS INFORMATION. (a) resistive divider. (b) variable … |
| File Format / Size | PDF / 203 Kb |
| Document Language | English |
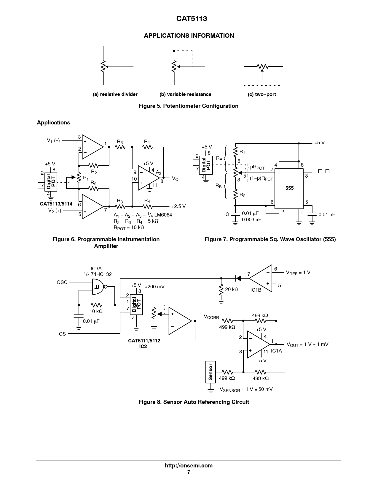
CAT5113. APPLICATIONS INFORMATION. (a) resistive divider. (b) variable resistance. (c) two−port

Text Version of Document
CAT5113 APPLICATIONS INFORMATION (a) resistive divider (b) variable resistance (c) two−port Figure 5. Potentiometer Configuration Applications
3 V1 (−)
+
1 R3 R4 +5 V 2 +5 V
–
R1 2 8 RA +5 V +5 V 1 6 4 8 8 7 pRPOT
Digital POT
7 2 R2 9 4
–
A3 R V 4 5 3 1 1 10 (1−p)RPOT R O 2
+
8 3 7 11 RB
Digital POT 555
4 R2
–
R R
CAT5113/5114
6 3 4 6 5 +2.5 V V2 (+)
+
7 5 A C 0.01 mF 2 1 0.01 1 = A2 = A3 = 1/4 LM6064 mF 0.003 mF R2 = R3 = R4 = 5 kW RPOT = 10 kW
Figure 6. Programmable Instrumentation Figure 7. Programmable Sq. Wave Oscillator (555) Amplifier
IC3A
–
6 1/ V 4 74HC132 7 REF = 1 V OSC
+
+5 V 5 +200 mV 20 kW 8 IC1B 2 1 10 kW 7
Digital POT +
V 499 kW 4 CORR 0.01 mF
–
499 kW +5 V CS 2 4
– CAT5111/5112
1
IC2
VOUT = 1 V 1 mV 3
+
11 IC1A −5 V
Sensor
499 kW 499 kW VSENSOR = 1 V 50 mV
Figure 8. Sensor Auto Referencing Circuit http://onsemi.com 7