Datasheet LT6119-1, LT6119-2 (Analog Devices) - 10
| Manufacturer | Analog Devices |
| Description | Current Sense Amplifier, Reference and Comparators with POR |
| Pages / Page | 28 / 10 — block DiagraMs. Figure 1. LT6119-1 Block Diagram (Comparators with … |
| File Format / Size | PDF / 340 Kb |
| Document Language | English |
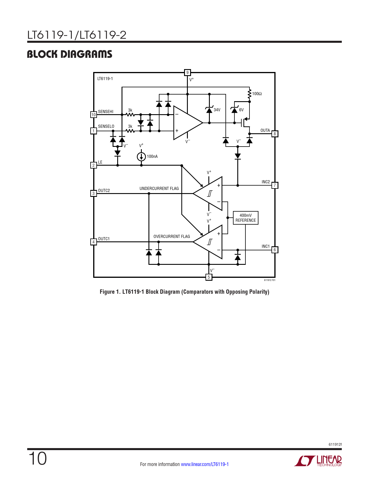
block DiagraMs. Figure 1. LT6119-1 Block Diagram (Comparators with Opposing Polarity)

Model Line for this Datasheet
Text Version of Document
LT6119-1/LT6119-2
block DiagraMs
9 LT6119-1 V+ 100Ω 3k SENSEHI 34V 6V 10 – SENSELO 3k 1 + OUTA 8 V– V– V– V+ 100nA LE 2 V+ + INC2 7 UNDERCURRENT FLAG OUTC2 3 – V– 400mV V+ REFERENCE + OVERCURRENT FLAG OUTC1 4 – INC1 6 V– 5 611912 F01
Figure 1. LT6119-1 Block Diagram (Comparators with Opposing Polarity)
611912f 10 For more information www.linear.com/LT6119-1 Document Outline Features Applications Description Typical Application Absolute Maximum Ratings Pin Configuration Order Information Electrical Characteristics Typical Performance Characteristics Pin Functions Block Diagrams Applications Information Typical Applications Package Description Typical Application Related Parts