Datasheet LT8582 (Analog Devices) - 8

ManufacturerAnalog Devices
DescriptionDual 3A Boost/Inverting/SEPIC DC/DC Converter with Fault Protection
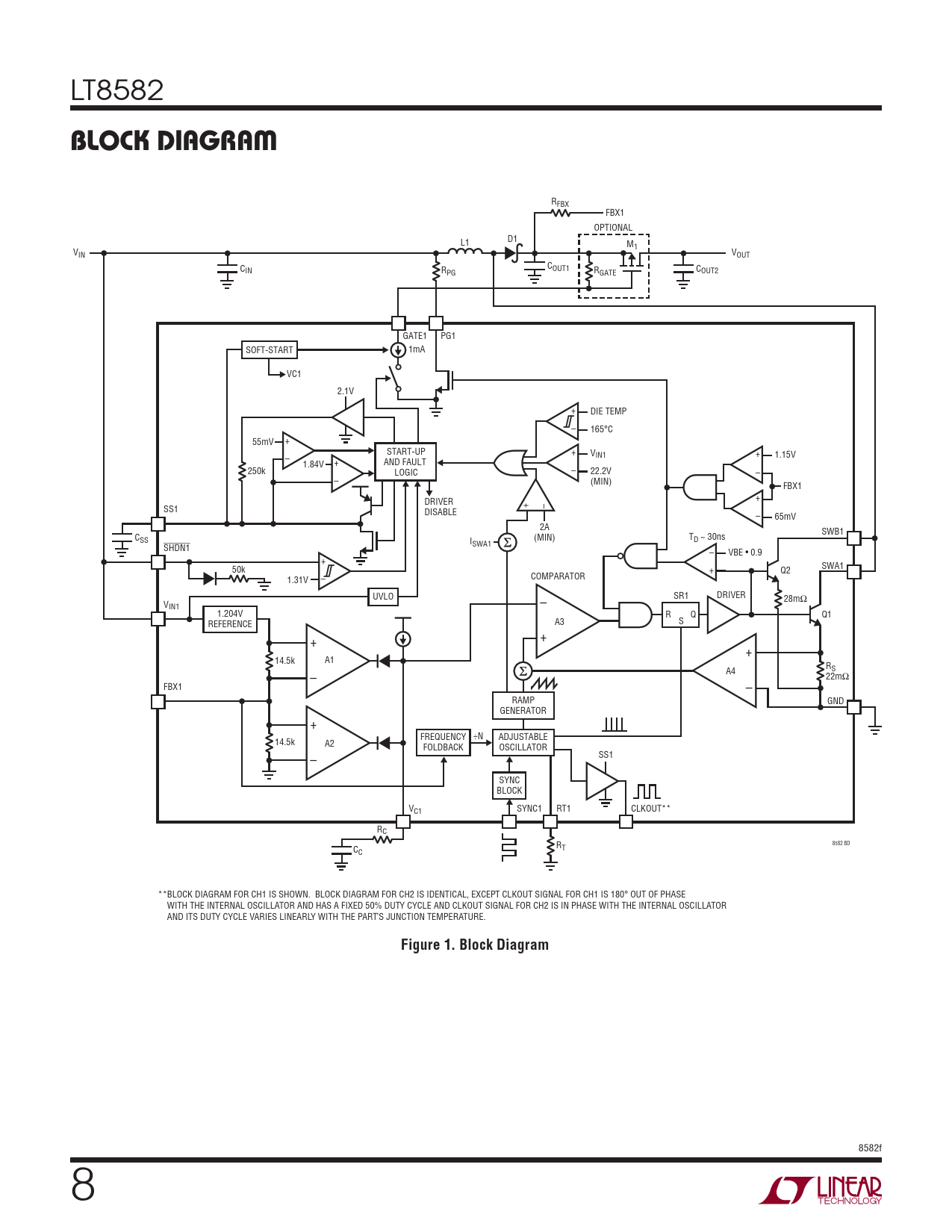
Pages / Page36 / 8 — BLOCK DIAGRAM. Figure 1. Block Diagram
File Format / SizePDF / 460 Kb
Document LanguageEnglish

BLOCK DIAGRAM. Figure 1. Block Diagram

BLOCK DIAGRAM Figure 1 Block Diagram

Model Line for this Datasheet

Text Version of Document

LT8582
BLOCK DIAGRAM
RFBX FBX1 OPTIONAL L1 D1 M1 V V IN OUT C C IN R OUT1 R C PG GATE OUT2 GATE1 PG1 SOFT-START 1mA VC1 2.1V + DIE TEMP – 165°C + 55mV – START-UP + VIN1 + 1.15V 1.84V + AND FAULT 250k LOGIC – 22.2V – – (MIN) FBX1 DRIVER + + – SS1 DISABLE – 65mV 2A SWB1 C T SS I (MIN) D ~ 30ns SWA1 SHDN1 + – 7#&t 50k SWA1 – + Q2 1.31V COMPARATOR UVLO – SR1 DRIVER 28mΩ VIN1 1.204V R Q Q1 A3 S REFERENCE + + + 14.5k A1 R A4 S – 22mΩ FBX1 – RAMP GND GENERATOR + FREQUENCY ÷N ADJUSTABLE 14.5k A2 FOLDBACK OSCILLATOR – SS1 SYNC BLOCK V SYNC1 RT1 CLKOUT** C1 RC 8582 BD RT CC **BLOCK DIAGRAM FOR CH1 IS SHOWN. BLOCK DIAGRAM FOR CH2 IS IDENTICAL, EXCEPT CLKOUT SIGNAL FOR CH1 IS 180° OUT OF PHASE WITH THE INTERNAL OSCILLATOR AND HAS A FIXED 50% DUTY CYCLE AND CLKOUT SIGNAL FOR CH2 IS IN PHASE WITH THE INTERNAL OSCILLATOR AND ITS DUTY CYCLE VARIES LINEARLY WITH THE PART’S JUNCTION TEMPERATURE.
Figure 1. Block Diagram
8582f 8 Document Outline FEATURES DESCRIPTION APPLICATIONS TYPICAL APPLICATION ABSOLUTE MAXIMUM RATINGS PIN CONFIGURATION ORDER INFORMATION ELECTRICAL CHARACTERISTICS TYPICAL PERFORMANCE CHARACTERISTICS PIN FUNCTIONS BLOCK DIAGRAM STATE DIAGRAM OPERATION APPLICATIONS INFORMATION APPENDIX TYPICAL APPLICATIONS PACKAGE DESCRIPTION TYPICAL APPLICATION RELATED PARTS