Datasheet LTC2983 (Analog Devices) - 10
| Manufacturer | Analog Devices |
| Description | Multi-Sensor High Accuracy Digital Temperature Measurement System |
| Pages / Page | 72 / 10 — BLOCK DIAGRAM |
| File Format / Size | PDF / 790 Kb |
| Document Language | English |
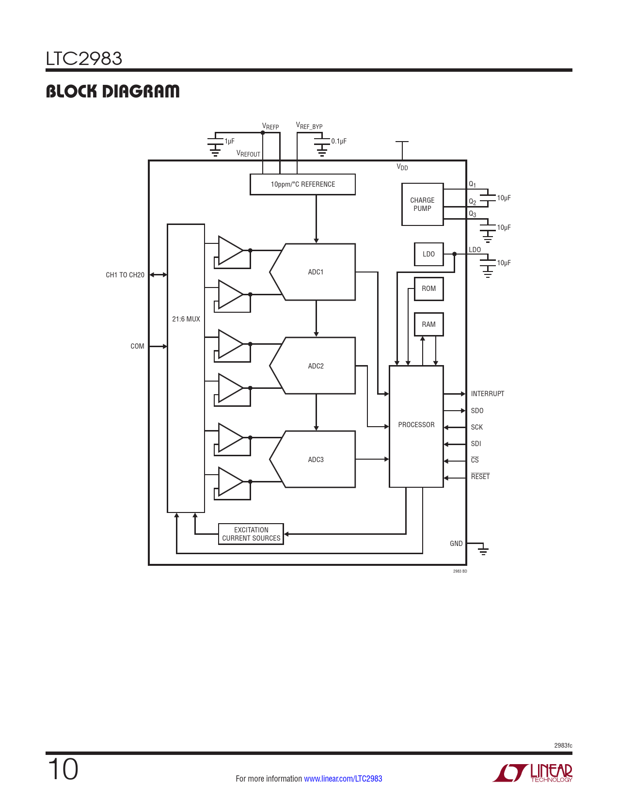
BLOCK DIAGRAM

Model Line for this Datasheet
Text Version of Document
LTC2983
BLOCK DIAGRAM
VREFP VREF_BYP 1µF 0.1µF VREFOUT VDD 10ppm/°C REFERENCE Q1 CHARGE Q 10µF 2 PUMP Q3 10µF LDO LDO 10µF CH1 TO CH20 ADC1 ROM 21:6 MUX RAM COM ADC2 INTERRUPT SDO PROCESSOR SCK SDI ADC3 CS RESET EXCITATION CURRENT SOURCES GND 2983 BD 2983fc 10 For more information www.linear.com/LTC2983 Document Outline Features Applications Typical Application Description Absolute Maximum Ratings Order Information Complete System Electrical Characteristics Pin Configuration ADC Electrical Characteristics Reference Electrical Characteristics Digital Inputs and Digital Outputs Typical Performance Characteristics Pin Functions Block Diagram Test Circuits Timing Diagram Overview Applications Information Thermocouple Measurements Diode Measurements RTD Measurements Thermistor Measurements Direct ADC Measurements Supplemental Information Fault Protection and Anti-Aliasing 2- and 3-Cycle Conversion Modes Running Conversions Consecutively on Multiple Channels MUX Configuration Delay Global Configuration Register Custom Thermocouples Custom RTDs Custom Thermistors Package Description Revision History Typical Application Related Parts