Datasheet LP2951 (Microchip) - 2
| Manufacturer | Microchip |
| Description | 100 mA Low-Dropout Voltage Regulator |
| Pages / Page | 30 / 2 — LP2951. Functional Block Diagram. 150 mA. MAX. UNREGULATED DC. 7 + 8 … |
| Revision | 05-10-2017 |
| File Format / Size | PDF / 2.8 Mb |
| Document Language | English |
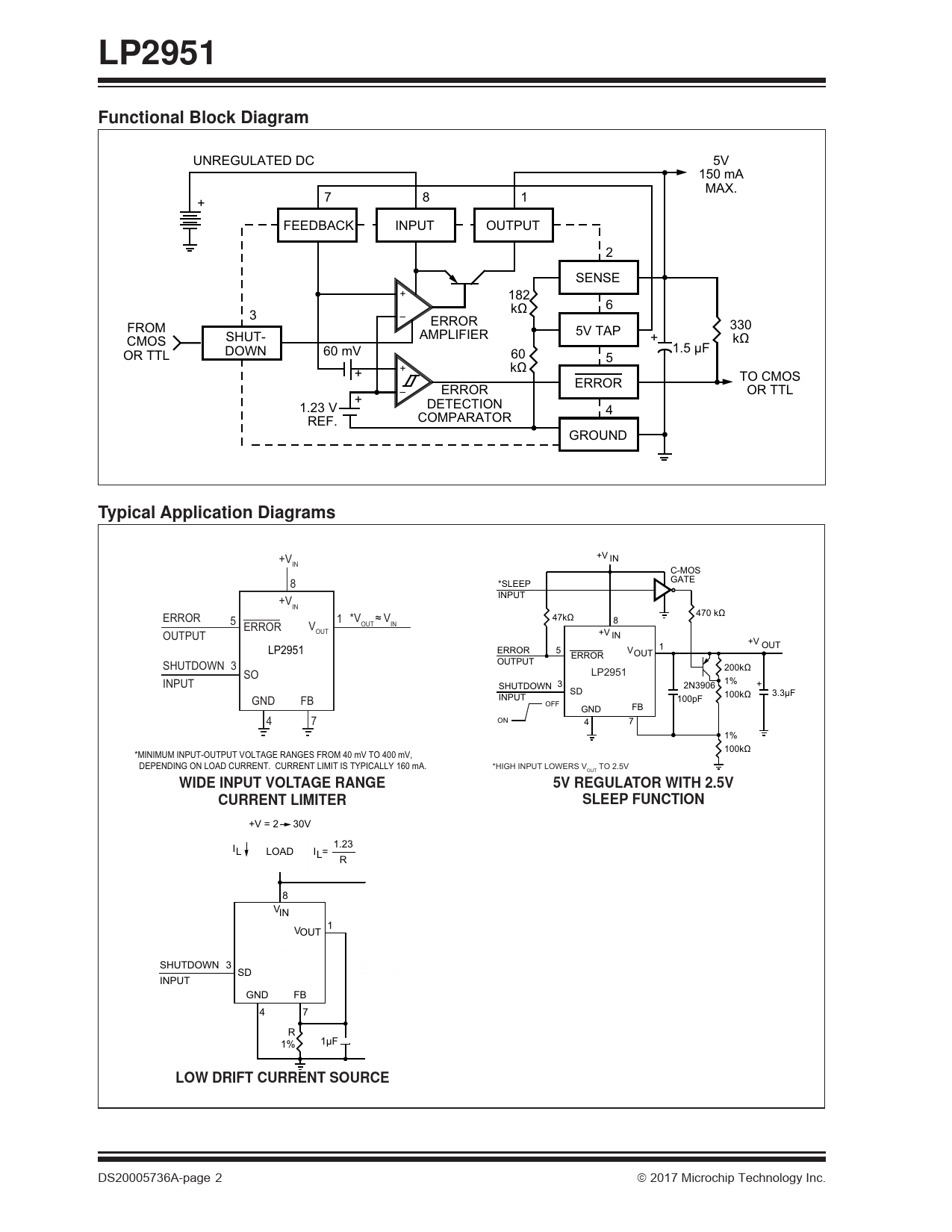
LP2951. Functional Block Diagram. 150 mA. MAX. UNREGULATED DC. 7 + 8 FEEDBACK INPUT 1. OUTPUT. SENSE + 3. FROM. CMOS

Model Line for this Datasheet
Text Version of Document
LP2951
Functional Block Diagram
5V
150 mA
MAX. UNREGULATED DC
7 + 8 FEEDBACK INPUT 1
OUTPUT
2
SENSE + 3
FROM
CMOS
OR TTL – SHUTDOWN 182
kΩ 60 mV 1.23 V
REF. – + 5V TAP
60
kΩ + + 6 ERROR
AMPLIFIER + 5 330
kΩ 1.5 μF TO CMOS
OR TTL ERROR ERROR
DETECTION
COMPARATOR 4
GROUND Typical Application Diagrams
+V IN +VIN
8
+VIN
ERROR
OUTPUT 5 VOUT ERROR 1 *VOUT ≈ VIN LP2951 FB 4 7 5 470 kΩ 8
+V IN ERROR WIDE INPUT VOLTAGE RANGE
CURRENT LIMITER +V OUT V OUT 1 LP2951
MIC2951
SHUTDOWN 3
SD
INPUT
OFF
FB
GND
ON
7
4 *MINIMUM INPUT-OUTPUT VOLTAGE RANGES FROM 40 mV TO 400 mV,
DEPENDING ON LOAD CURRENT. CURRENT LIMIT IS TYPICALLY 160 mA. IL 47kΩ ERROR
OUTPUT SHUTDOWN 3
SO
INPUT
GND +V = 2 C-MOS
GATE *SLEEP
INPUT 200kΩ
1%
+
2N3906
100kΩ
100pF 3.3μF 1%
100kΩ
*HIGH INPUT LOWERS VOUT TO 2.5V 5V REGULATOR WITH 2.5V
SLEEP FUNCTION 30V
I L= LOAD 1.23
R 8
VIN
VOUT 1
LP2951
SHUTDOWN 3
SD
INPUT
GND
FB
4 0.1μF 7
R
1% 1μF LOW DRIFT CURRENT SOURCE DS20005736A-page 2 2017 Microchip Technology Inc.