Datasheet LP2951 (Microchip) - 3

ManufacturerMicrochip
Description100 mA Low-Dropout Voltage Regulator
Pages / Page30 / 3 — LP2951. Typical Application Diagrams. +V IN D1 +V IN 2. SENSE 8. +V IN …
Revision05-10-2017
File Format / SizePDF / 2.8 Mb
Document LanguageEnglish

LP2951. Typical Application Diagrams. +V IN D1 +V IN 2. SENSE 8. +V IN VOUT D2 1 MEMORY. V+ 8. 470k 20 LP2951. ERROR 1μF 3.6V

LP2951 Typical Application Diagrams +V IN D1 +V IN 2 SENSE 8 +V IN VOUT D2 1 MEMORY V+ 8 470k 20 LP2951 ERROR 1μF 3.6V

Model Line for this Datasheet

Text Version of Document

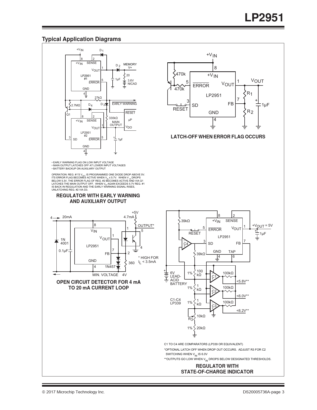
LP2951
Typical Application Diagrams
+V IN D1 +V IN 2
SENSE 8
+V IN VOUT D2 1 MEMORY
V+ 8
470k 20 LP2951
#1
5
ERROR 1μF 3.6V
NICAD +V IN
5 470k GND
4 Q1 RESET 2
SENSE SD VOUT
LP2951
#2
5
ERROR 330kΩ
MAIN
OUTPUT + 7 + FB SD 1μF
R2 GND RESET
8
+V IN 1 3 3 EARLY WARNING D3 D4 2.7MΩ R1 LP2951 27kΩ VOUT VOUT 1 ERROR 4 μP
VDO LATCH-OFF WHEN ERROR FLAG OCCURS 1μf GND
4 • EARLY WARNING FLAG ON LOW INPUT VOLTAGE
• MAIN OUTPUT LATCHES OFF AT LOWER INPUT VOLTAGES
• BATTERY BACKUP ON AUXILIARY OUTPUT
OPERATION: REG. #1’S VOUT IS PROGRAMMED ONE DIODE DROP ABOVE 5V.
ITS ERROR FLAG BECOMES ACTIVE WHEN VIN ≤ 5.7V. WHEN V IN DROPS
BELOW 5.3V, THE ERROR FLAG OF REG. #2 BECOMES ACTIVE AND VIA Q1
LATCHES THE MAIN OUTPUT OFF. WHEN VIN AGAIN EXCEEDS 5.7V REG. #1
IS BACK IN REGULATION AND THE EARLY WARNING SIGNAL RISES,
UNLATCHING REG. #2 VIA D3. REGULATOR WITH EARLY WARNING
AND AUXILIARY OUTPUT 4 +5V
4.7mA 20mA 8
+VIN 39kΩ
8
1 V IN
1N
4001 V OUT VOUT 1 ERROR RESET
LP2951
– 3 C4
+ 4 7 2 FB
GND
4 5 1 LP2951 0.1μF OUTPUT*
5 2
SENSE 360 39kΩ
* HIGH FOR
IL < 3.5mA FB SD
GND
4 +VOUT = 5V
+
1μF 7 TAP
6 1N457 +
MIN. VOLTAGE 4V OPEN CIRCUIT DETECTOR FOR 4 mA
TO 20 mA CURRENT LOOP 6V
1%
LEADACID
BATTERY
1% 100
kΩ – 100kΩ C1 + 1
kΩ –