Datasheet LTC3766 (Analog Devices) - 10

ManufacturerAnalog Devices
DescriptionHigh Efficiency, Secondary-Side Synchronous Forward Controller
Pages / Page62 / 10 — BLOCK DIAGRAM
File Format / SizePDF / 2.0 Mb
Document LanguageEnglish

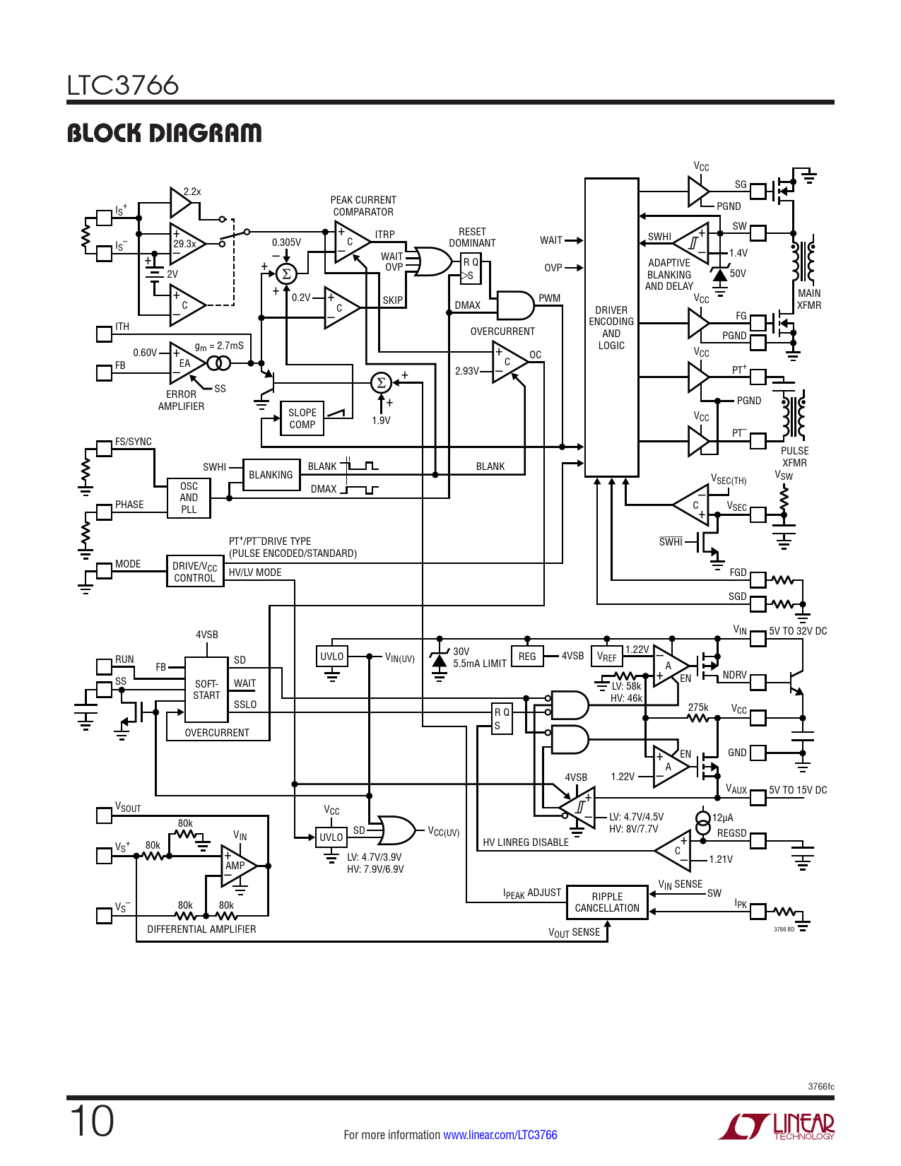
BLOCK DIAGRAM

BLOCK DIAGRAM

Model Line for this Datasheet

Text Version of Document

LTC3766
BLOCK DIAGRAM
VCC SG 2.2x PEAK CURRENT + PGND IS COMPARATOR SW + + ITRP RESET SWHI + – 0.305V WAIT I DOMINANT S –29.3x + – – C WAIT – 1.4V • • + OVP R Q OVP ADAPTIVE 2V S BLANKING 50V AND DELAY + + 0.2V + SKIP PWM V MAIN CC DMAX DRIVER XFMR – C – C FG ENCODING ITH OVERCURRENT AND PGND gm = 2.7mS LOGIC 0.60V + + V OC CC FB –EA 2.93V – C PT+ + ERROR SS AMPLIFIER + PGND • • SLOPE VCC 1.9V COMP PT– FS/SYNC PULSE XFMR SWHI BLANK BLANK BLANKING V OSC DMAX – VSEC(TH) SW AND PHASE C PLL + VSEC PT+/PT–DRIVE TYPE SWHI (PULSE ENCODED/STANDARD) MODE DRIVE/VCC HV/LV MODE FGD CONTROL SGD VIN 5V TO 32V DC 4VSB – 30V UVLO REG 4VSB 1.22V V RUN SD IN(UV) V 5.5mA LIMIT REF FB + A EN NDRV SS SOFT- WAIT LV: 58k START HV: 46k SSLO 275k V R Q CC S OVERCURRENT + EN GND A 4VSB 1.22V – VAUX 5V TO 15V DC + VSOUT VCC – LV: 4.7V/4.5V 12µA 80k SD V V CC(UV) HV: 8V/7.7V REGSD IN UVLO + HV LINREG DISABLE + VS 80k + LV: 4.7V/3.9V C – 1.21V HV: 7.9V/6.9V –AMP VIN SENSE IPEAK ADJUST SW RIPPLE V – 80k 80k IPK S CANCELLATION DIFFERENTIAL AMPLIFIER 3766 BD VOUT SENSE 3766fc 10 For more information www.linear.com/LTC3766 Document Outline Features Applications Description Typical Application Absolute Maximum Ratings Pin Configuration Order Information Electrical Characteristics Typical Performance Characteristics Pin Functions Block Diagram Timing Diagram Operation Applications Information Typical Applications Package Description Typical Application Related Parts Features Applications Typical Application Description Absolute Maximum Ratings Pin Configuration Order Information Electrical Characteristics Typical Performance Characteristics Pin Functions Block Diagram Timing Diagram Operation Applications Information Typical Applications Typical Applications Typical Applications Package Description Revision History Typical Application Related Parts