Datasheet LT1681 (Analog Devices) - 9
| Manufacturer | Analog Devices |
| Description | Dual Transistor Synchronous Forward Controller |
| Pages / Page | 20 / 9 — BLOCK DIAGRA |
| File Format / Size | PDF / 281 Kb |
| Document Language | English |
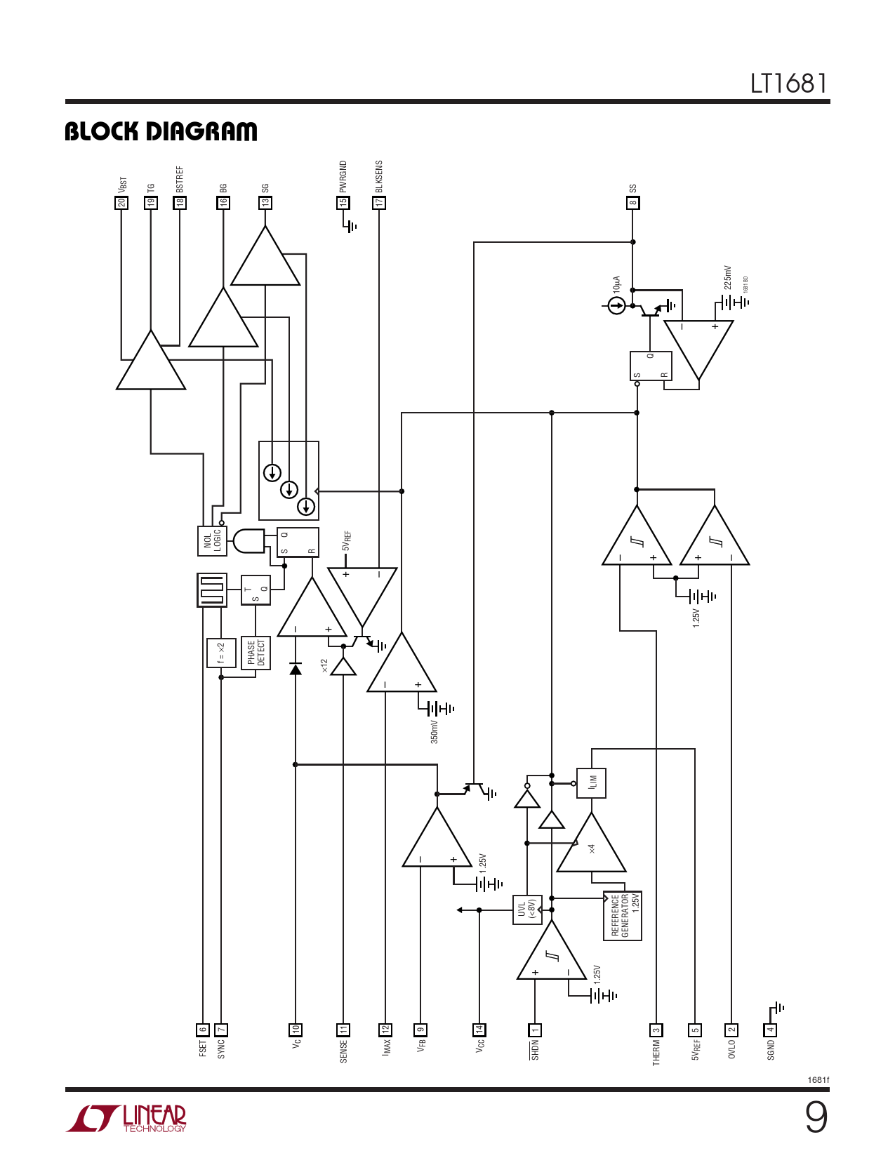
BLOCK DIAGRA

Model Line for this Datasheet
Text Version of Document
LT1681
W BLOCK DIAGRA
BSTV TG BSTREF BG SG PWRGND BLKSENS SS 20 19 18 16 13 15 17 8 µA 225mV 10 1681 BD – + Q S R REF NOL LOGIC 5V SQ R – + + – + – T Q S – + 1.25V ×2 f = PHASE DETECT ×12 – + 350mV I LIM ×4 – ERROR AMP + 1.25V 8V) 1.25V UVL (< REFERENCE GENERATOR + – 1.25V 6 7 10 11 12 9 14 1 3 5 2 4 CV FB CC V V REF FSET SYNC I MAX SENSE SHDN 5V OVLO SGND THERM 1681f 9