Datasheet LT3973, LT3973-3.3, LT3973-5 (Analog Devices) - 10

ManufacturerAnalog Devices
Description42V, 750mA Step-Down Regulator with 2.5μA Quiescent Current and Integrated Diodes
Pages / Page24 / 10 — BLOCK DIAGRAM
File Format / SizePDF / 479 Kb
Document LanguageEnglish

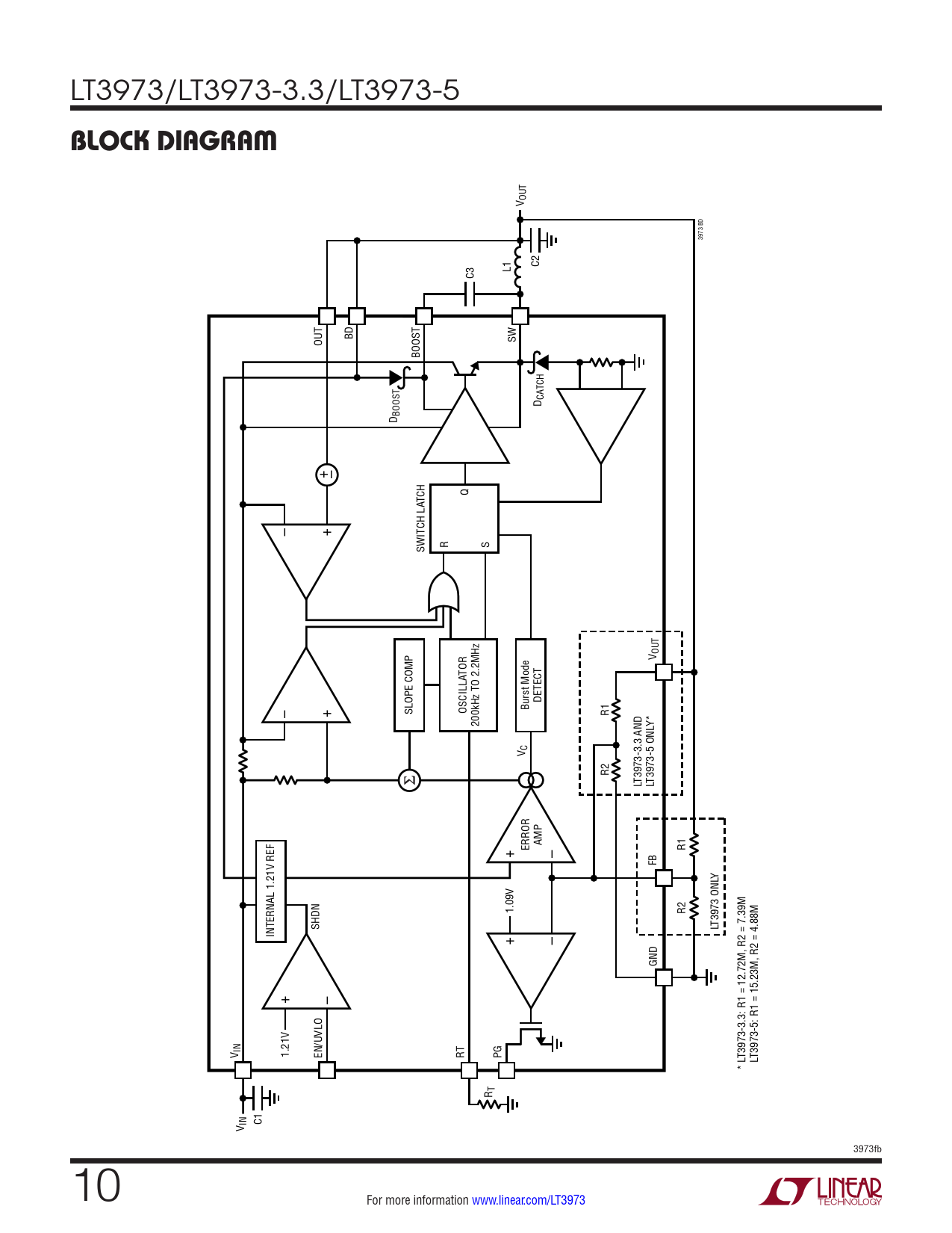
BLOCK DIAGRAM

BLOCK DIAGRAM

Model Line for this Datasheet

Text Version of Document

LT3973/LT3973-3.3/LT3973-5
BLOCK DIAGRAM
V OUT 3973 BD C2 C3 L1 BD OUT SW BOOST TCH D CA D BOOST + – Q TCH – + R SWITCH LA S V OUT TOR DETECT SLOPE COMP OSCILLA – + Burst Mode R1 200kHz TO 2.2MHz Y* V C R2 LT3973-3.3 AND LT3973-5 ONL + ERROR AMP – R1 FB Y 1.09V R2 SHDN LT3973 ONL INTERNAL 1.21V REF + – GND + – V IN 1.21V EN/UVLO RT PG LT3973-3.3: R1 = 12.72M, R2 = 7.39M LT3973-5: R1 = 15.23M, R2 = 4.88M * R T C1 V IN 3973fb 10 For more information www.linear.com/LT3973 Document Outline Features Applications Description Typical Application Absolute Maximum Ratings Pin Configuration Order Information Electrical Characteristics Typical Performance Characteristics Pin Functions Block Diagram Operation Applications Information Typical Applications Package Description Revision History Typical Application Related Parts