Datasheet LT3686 (Analog Devices) - 8
| Manufacturer | Analog Devices |
| Description | 37V/1.2A Step-Down Regulator in 3mm × 3mm DFN |
| Pages / Page | 28 / 8 — block DiAgrAM |
| File Format / Size | PDF / 527 Kb |
| Document Language | English |
block DiAgrAM

Model Line for this Datasheet
Text Version of Document
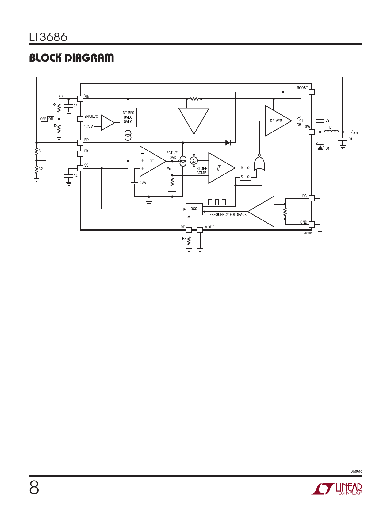
LT3686
block DiAgrAM
BOOST VIN VIN R4 C2 INT REG EN/ULVO UVLO OFF ON OVLO DRIVER Q1 C3 R5 1.27V SW L1 VOUT BD C1 D1 R1 FB – ACTIVE LOAD + gm SS R2 + VC SLOPE R Q COMP C4 S Q 0.8V DA OSC FREQUENCY FOLDBACK GND RT MODE 3686 BD R3 3686fc 8 Document Outline Features Applications Description Typical Application Absolute Maximum Ratings Pin Configuration Order Information Electrical Characteristics Typical Performance Characteristics Pin Functions Block Diagram Operation Applications Information Typical Applications Package Description Revision History Related Parts