Datasheet LT1938 (Analog Devices) - 8
| Manufacturer | Analog Devices |
| Description | 25V, 2.2A, 2.8MHz Step-Down Switching Regulator |
| Pages / Page | 24 / 8 — bLOCK DIAgRAM |
| File Format / Size | PDF / 271 Kb |
| Document Language | English |
bLOCK DIAgRAM

Model Line for this Datasheet
Text Version of Document
LT1938
bLOCK DIAgRAM
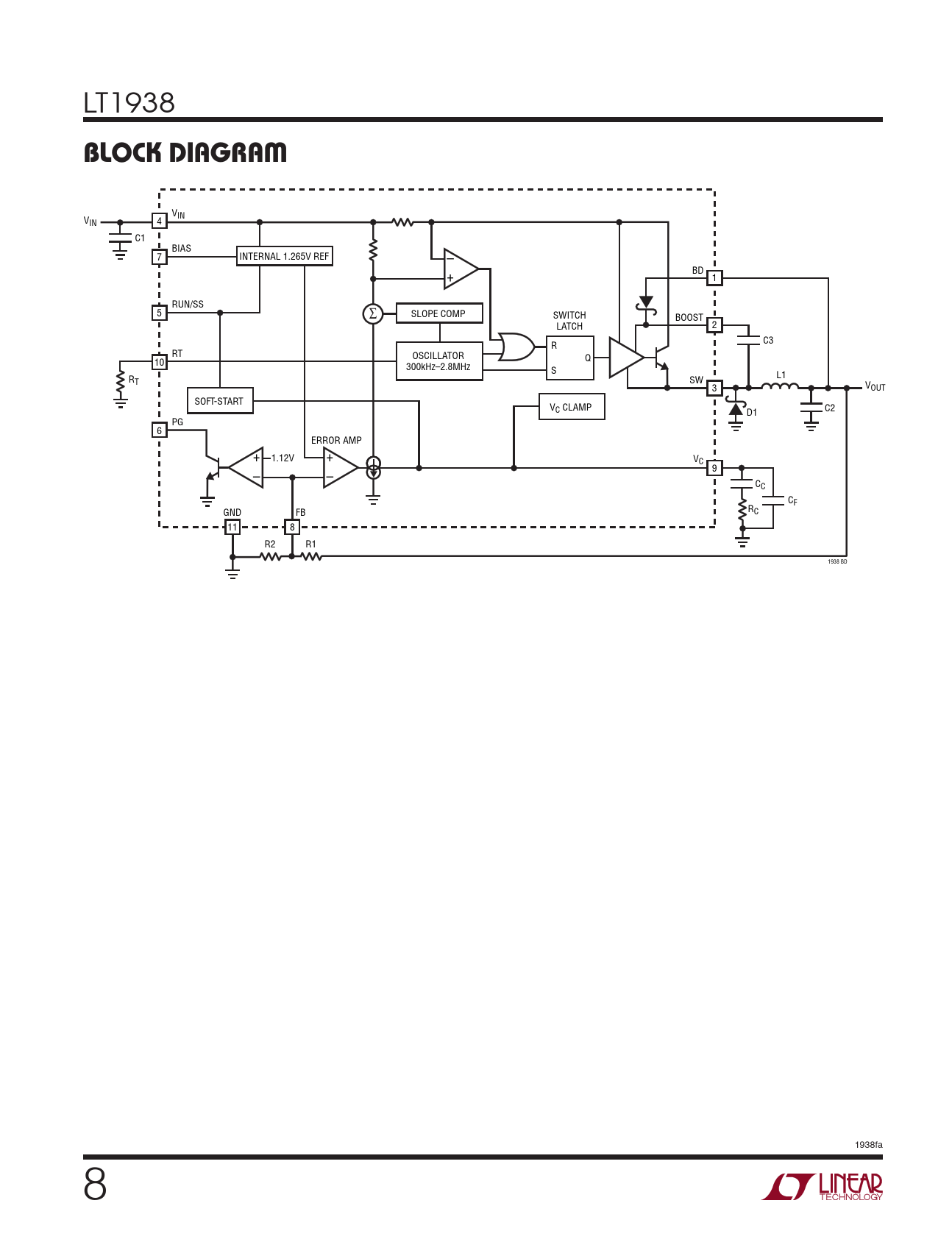
VIN VIN 4 C1 BIAS – 7 INTERNAL 1.265V REF + BD 1 RUN/SS 5 ∑ SLOPE COMP SWITCH BOOST LATCH 2 R C3 RT OSCILLATOR Q 10 300kHz–2.8MHz S RT SW L1 V 3 OUT SOFT-START VC CLAMP C2 D1 PG 6 ERROR AMP + 1.12V + VC – – 9 CC CF R GND FB C 11 8 R2 R1 1938 BD 1938fa 8 Document Outline FEATURES DESCRIPTION APPLICATIONS TYPICAL APPLICATION ABSOLUTE MAXIMUM RATINGS PIN CONFIGURATION ORDER INFORMATION ELECTRICAL ChARACTERISTICS TYPICAL PERFORMANCE ChARACTERISTICS PIN FUNCTIONS BLOCK DIAGRAM OPERATION APPLICATIONS INFORMATION TYPICAL APPLICATIONS PACKAGE DESCRIPTION TYPICAL APPLICATION RELATED PARTS