Datasheet ADP1850 (Analog Devices) - 6

ManufacturerAnalog Devices
DescriptionWide Range Input, Dual/Two-Phase, DC-to-DC Synchronous Buck Controller
Pages / Page32 / 6 — ADP1850. Data Sheet. SIMPLIFIED BLOCK DIAGRAM. VIN. VCCO. THERMAL. LDO. …
RevisionC
File Format / SizePDF / 1.1 Mb
Document LanguageEnglish

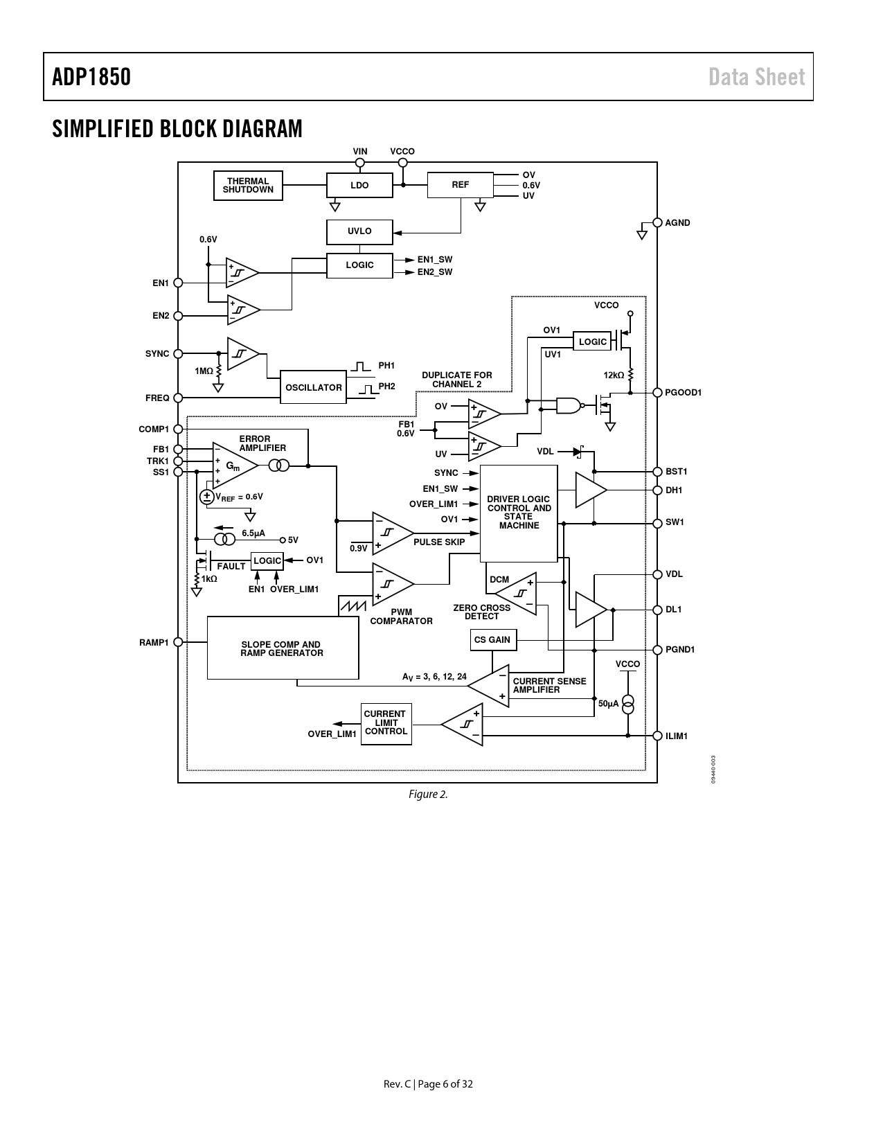
ADP1850. Data Sheet. SIMPLIFIED BLOCK DIAGRAM. VIN. VCCO. THERMAL. LDO. REF. 0.6V. SHUTDOWN. AGND. UVLO. EN1_SW. LOGIC. EN2_SW. EN1. EN2. OV1. SYNC. UV1. PH1

ADP1850 Data Sheet SIMPLIFIED BLOCK DIAGRAM VIN VCCO THERMAL LDO REF 0.6V SHUTDOWN AGND UVLO EN1_SW LOGIC EN2_SW EN1 EN2 OV1 SYNC UV1 PH1

Model Line for this Datasheet

Text Version of Document

ADP1850 Data Sheet SIMPLIFIED BLOCK DIAGRAM VIN VCCO OV THERMAL LDO REF 0.6V SHUTDOWN UV AGND UVLO 0.6V EN1_SW + LOGIC EN2_SW EN1 + VCCO EN2 OV1 LOGIC SYNC UV1 PH1 1MΩ DUPLICATE FOR 12kΩ CHANNEL 2 OSCILLATOR PH2 PGOOD1 FREQ OV + FB1 COMP1 0.6V ERROR + AMPLIFIER FB1 UV VDL + TRK1 G + m SS1 SYNC BST1 + EN1_SW DH1 VREF = 0.6V DRIVER LOGIC OVER_LIM1 CONTROL AND STATE OV1 SW1 MACHINE 6.5µA 5V + PULSE SKIP 0.9V LOGIC OV1 FAULT VDL 1kΩ DCM + EN1 OVER_LIM1 + ZERO CROSS DL1 PWM DETECT COMPARATOR RAMP1 CS GAIN SLOPE COMP AND PGND1 RAMP GENERATOR VCCO A V = 3, 6, 12, 24 CURRENT SENSE AMPLIFIER + 50µA CURRENT + LIMIT CONTROL OVER_LIM1 ILIM1
003 09440- Figure 2. Rev. C | Page 6 of 32 Document Outline Features Applications General Description Typical Operation Circuit Revision History Specifications Absolute Maximum Ratings ESD Caution Simplified Block Diagram Pin Configuration and Function Descriptions Typical Performance Characteristics Theory of Operation Control Architecture Oscillator Frequency Modes of Operation Synchronization Synchronous Rectifier and Dead Time Input Undervoltage Lockout Internal Linear Regulator Overvoltage Protection Power Good Short-Circuit and Current-Limit Protection Shutdown Control Thermal Overload Protection Applications Information Setting the Output Voltage Soft Start Setting the Current Limit Accurate Current-Limit Sensing Setting the Slope Compensation Setting the Current Sense Gain Input Capacitor Selection Input Filter Boost Capacitor Selection Inductor Selection Output Capacitor Selection MOSFET Selection Loop Compensation (Single Phase Operation) Configuration and Loop Compensation (Dual-Phase Operation) Switching Noise and Overshoot Reduction Voltage Tracking Coincident Tracking Ratiometric Tracking Indepdendent Power Stage Input Voltage PCB Layout Guidelines MOSFETs, Input Bulk Capacitor, and Bypass Capacitor High Current and Current Sense Paths Signal Paths PGND Plane Feedback and Current-Limit Sense Paths Switch Node Gate Driver Paths Output Capacitors Typical Operating Circuits Outline Dimensions Ordering Guide